|
|
|
Drehmomentregelung über Erregerkreis beim DC-Motor |
|
| Romik79 |
Themenstarter

Forum-Anfänger
|
 |
Beiträge: 21
|
 |
|
 |
Anmeldedatum: 06.08.14
|
 |
|
 |
Wohnort: Dortmund
|
 |
|
 |
Version: ---
|
 |
|
|
 |
|
Verfasst am: 02.09.2014, 00:11
Titel:
|
 |
Danke für den Link!
Ich denke ich weiß jetzt wieso ich keine Drehmomentregelung an diesem Modell durchführen kann.
Weil das Lastmoment konstant ist!
Wenn ich die Spannung verändere (verkleinere), verändert (verringert) sich kurz das Moment der Maschine, die Drehzahl ändert (verkleinert) sich auch. Und dann stellt sich das Maschinendrehmoment wieder auf die Last ein.
Hier im Bild sieht man wie ich die Erregerspannung 2 Mal von 160V auf 140V und auf 120V verkleinere.
Mache ich das mit der Ankerspannung, so passiert das gleiche, nur in anderen Form (andere Verzögerungen und Auslenkungen). Aber das Bild bleibt gleich.
Ich denke, ich gehe das Drehmoment-Regelung-Problem falsch an. Ich weiß aber nicht wo das Problem ist ((
| Beschreibung: |
|
 Download |
| Dateiname: |
verlauf.jpg |
| Dateigröße: |
232.21 KB |
| Heruntergeladen: |
911 mal |
| Beschreibung: |
|
 Download |
| Dateiname: |
last.JPG |
| Dateigröße: |
21.79 KB |
| Heruntergeladen: |
943 mal |
|
|
|
|
|
|
| Epfi |

Forum-Meister
|
 |
Beiträge: 1.134
|
 |
|
 |
Anmeldedatum: 08.01.09
|
 |
|
 |
Wohnort: ---
|
 |
|
 |
Version: ---
|
 |
|
|
 |
|
Verfasst am: 02.09.2014, 14:50
Titel:
|
 |
Die Regelung hat ja mit der Belastung erst mal nichts zu tun. Du kannst auch ohne Last ein Drehmoment einregeln.
Aber grundsätzlich ist mir das Konzept noch nicht ganz klar. Gerade verstehe ich es so, dass bei konstantem Ankerstrom oder konstanter Ankerspannung das Drehmoment über einen veränderlichen Erregerstrom bzw. eine veränderliche Erregerspannung eingestellt werden soll. Richtig?
Dann müsste Dein Regelkreis in vereinfachter Darstellung so aussehen (wenn das elektrische Moment geregelt werden soll):
Für den Anfang würde ich mal nur mit einem P-Regler regeln - das ist etwas überschaubarer. Und dann einfach ohne Last einen Sollwertsprung...
| Beschreibung: |
|
 Download |
| Dateiname: |
20140902_143809.jpg |
| Dateigröße: |
104.3 KB |
| Heruntergeladen: |
914 mal |
|
|
|
|
| Romik79 |
Themenstarter

Forum-Anfänger
|
 |
Beiträge: 21
|
 |
|
 |
Anmeldedatum: 06.08.14
|
 |
|
 |
Wohnort: Dortmund
|
 |
|
 |
Version: ---
|
 |
|
|
 |
|
Verfasst am: 04.09.2014, 00:04
Titel:
|
 |
| |
 |
|
| Zitat: |
| Aber grundsätzlich ist mir das Konzept noch nicht ganz klar. Gerade verstehe ich es so, dass bei konstantem Ankerstrom oder konstanter Ankerspannung das Drehmoment über einen veränderlichen Erregerstrom bzw. eine veränderliche Erregerspannung eingestellt werden soll. Richtig? |
Also, ich habe wieder Mal mit dem Prof gesprochen und er hat wieder Mal mir was neues erzählt. Ich soll keinen Motor regeln, sondern einen Generator. Das heißt der Generator soll das Drehmoment vorgeben. Und das mit der Erregerspannung.
Das Gespräch war sehr lang und Kopfschmerzenbringend. Mittlerweile verfluche ich den Tag, an dem ich mich entschieden habe zu diesem Prof zu gehen für die Abschlussarbeit!
Hier ist das Bild, das er mir aufgemalt hat, was ich eigentlich machen soll:
Wie du auf dem Bild erkennst, ist das eingestrichelte meine Aufgabe. Ich soll einen Regler bauen, der mit dem Generator das Lastmoment vorgibt.
Nun versuche ich einen Signalflussplan des Generators zu erstellen. Und ich habe keine Ahnung wie...
| Beschreibung: |
|
 Download |
| Dateiname: |
Tafel-1.jpg |
| Dateigröße: |
876.2 KB |
| Heruntergeladen: |
950 mal |
|
|
|
|
| Epfi |

Forum-Meister
|
 |
Beiträge: 1.134
|
 |
|
 |
Anmeldedatum: 08.01.09
|
 |
|
 |
Wohnort: ---
|
 |
|
 |
Version: ---
|
 |
|
|
 |
|
Verfasst am: 07.09.2014, 18:39
Titel:
|
 |
| Zitat: |
| Also, ich habe wieder Mal mit dem Prof gesprochen und er hat wieder Mal mir was neues erzählt. |
Darum rede ich auch nicht mit meinem Prof. :D
| Zitat: |
| Ich soll keinen Motor regeln, sondern einen Generator. Das heißt der Generator soll das Drehmoment vorgeben. Und das mit der Erregerspannung. |
Das ist nur eine Änderung im Vorzeichen der Drehzahl oder des Drehmoments. Die Maschine verhält sich gleich.
| Zitat: |
| Mittlerweile verfluche ich den Tag, an dem ich mich entschieden habe zu diesem Prof zu gehen für die Abschlussarbeit! |
An dem Piunkt kommen die meisten Abschlussarbeiten mal vorbei - da hilft auch ein anderer Betreuer nichts ;)
| Zitat: |
| Nun versuche ich einen Signalflussplan des Generators zu erstellen. Und ich habe keine Ahnung wie... :( |
Du hast den Signalflussplan schon. Du musst nur den Regler drum herum bauen und dann sollte es eigentlich laufen.
|
|
|
|
| Romik79 |
Themenstarter

Forum-Anfänger
|
 |
Beiträge: 21
|
 |
|
 |
Anmeldedatum: 06.08.14
|
 |
|
 |
Wohnort: Dortmund
|
 |
|
 |
Version: ---
|
 |
|
|
 |
|
Verfasst am: 08.09.2014, 22:35
Titel:
|
 |
| |
 |
|
| Epfi hat Folgendes geschrieben: |
| Du hast den Signalflussplan schon. Du musst nur den Regler drum herum bauen und dann sollte es eigentlich laufen. |
Ich will erst Mal den Generator simulieren können, bevor ich mit dem Regler dran gehe. Und das klappt nicht.
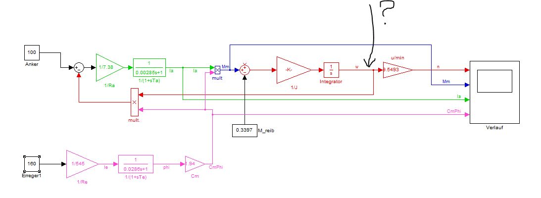
OK, ich habe mein Signalflussplan. Aber wie verschalte ich ihn in Simulink als wäre er ein Generator? Der Generator hat die Ankerspannung als Ausgang und nicht als Eingang. Also muss ich mein Signalflussplan doch etwas verändern. Und als Eingang die Drehzahl vorgeben.
Wir haben im Labor der Gleichstrommaschine (Generator) eine "feste" Drehzahl (ca 1500U/min) vorgegeben und mit den Generator dann ein Lastmoment erzeugt, indem an dem Ankerkreis ein ohmschen Widerstand dran hing und die Erregerspannung variiert.
Diese Kennlinien sind dabei entstanden:
So, jetzt wollte ich das gleiche im Simulink simulieren. Aber wie mache ich das mit meinem Signalflussplan??? Wo schließe ich die vorgegebene Drehzahl einer anderen Maschine an? Dort, wo das Fragezeichen ist über einen Addierer? Aber das wäre ja falsch, weil die Drehzahl ja vorgegeben wird, da kann die Maschine machen was sie will, die Welle sagt der Maschine vor, wie schnell sie sich drehen will. Und das Drehmoment der Welle?
| Beschreibung: |
|
 Download |
| Dateiname: |
versuch.JPG |
| Dateigröße: |
32.45 KB |
| Heruntergeladen: |
905 mal |
| Beschreibung: |
|
 Download |
| Dateiname: |
GSM.JPG |
| Dateigröße: |
42.43 KB |
| Heruntergeladen: |
888 mal |
| Beschreibung: |
|
 Download |
| Dateiname: |
n über M.JPG |
| Dateigröße: |
28.84 KB |
| Heruntergeladen: |
962 mal |
| Beschreibung: |
|
 Download |
| Dateiname: |
M über Ue.JPG |
| Dateigröße: |
28.86 KB |
| Heruntergeladen: |
919 mal |
|
|
|
|
| Epfi |

Forum-Meister
|
 |
Beiträge: 1.134
|
 |
|
 |
Anmeldedatum: 08.01.09
|
 |
|
 |
Wohnort: ---
|
 |
|
 |
Version: ---
|
 |
|
|
 |
|
Verfasst am: 09.09.2014, 14:27
Titel:
|
 |
| |
 |
|
Wenn Du den Anker des Generators über einen Widerstand kurzschließt, musst Du den Widerstand mit in Deine Modellgleichungen reinnehmen, sprich, das Ersatzschaltbild des Ankerkreises muss um den Lastwiderstand erweitert werden.
Im stationären Fall ist I_Anker = U_induziert / (R_wicklung + R_Last). Und U_induziert ist Abhängig von der Drehzahl und dem Erregerfluss. Aus dem Ankerstrom kannst Du dann wiederum das Drehmoment berechnen. Das ganze willst Du dann aber nicht für den stationären Fall modellieren sondern dynamisch. Das sollte aber kein Problem sein, wenn Du Dein altes Modell verstanden hast.
Dein Mechanik-Modell müsste am Ende ein Zwei-Massenschwinger sein. Eine Masse wird Drehzahlgeregelt und die andere Masse wird wird so geregelt, dass das Moment in der Welle zwischen beiden Massen Deinem Sollmoment gleich ist. Jede Masse repräsentiert eine der beiden Maschinen. Die Drehzahl des Generators entnimmst Du also Deinem Mechanik-Modell.
Habe mal ein ungefähres Bild der Modellstruktur angehängt. Da sind noch keine unterlagerten Regelkreise usw. eingemalt, da musst Du Dir die entsprechenden Rückführungen und Regler dann selbst ausdenken.
| Beschreibung: |
|
 Download |
| Dateiname: |
modellstruktur.pdf |
| Dateigröße: |
56.83 KB |
| Heruntergeladen: |
1216 mal |
|
|
|
|
| Romik79 |
Themenstarter

Forum-Anfänger
|
 |
Beiträge: 21
|
 |
|
 |
Anmeldedatum: 06.08.14
|
 |
|
 |
Wohnort: Dortmund
|
 |
|
 |
Version: ---
|
 |
|
|
 |
|
Verfasst am: 10.09.2014, 21:44
Titel:
|
 |
| |
 |
|
| Epfi hat Folgendes geschrieben: |
| Wenn Du den Anker des Generators über einen Widerstand kurzschließt, musst Du den Widerstand mit in Deine Modellgleichungen reinnehmen, sprich, das Ersatzschaltbild des Ankerkreises muss um den Lastwiderstand erweitert werden. |
Das habe ich verstanden.
| Epfi hat Folgendes geschrieben: |
| Im stationären Fall ist I_Anker = U_induziert / (R_wicklung + R_Last). Und U_induziert ist Abhängig von der Drehzahl und dem Erregerfluss. Aus dem Ankerstrom kannst Du dann wiederum das Drehmoment berechnen. Das ganze willst Du dann aber nicht für den stationären Fall modellieren sondern dynamisch. Das sollte aber kein Problem sein, wenn Du Dein altes Modell verstanden hast. |
Ich verstehe nicht ganz was du mir damit sagen willst. Mein Modell habe ich ja verstanden. Ich habe es ja aus den Differentialgleichungen her geleitet. Mir ist jetzt klar, wo ich den Ankervorwiderstand einbaue. Aber mir ist nicht klar, wie ich das Modell als Generator benutze.
| Epfi hat Folgendes geschrieben: |
| Dein Mechanik-Modell müsste am Ende ein Zwei-Massenschwinger sein. Eine Masse wird Drehzahlgeregelt und die andere Masse wird wird so geregelt, dass das Moment in der Welle zwischen beiden Massen Deinem Sollmoment gleich ist. Jede Masse repräsentiert eine der beiden Maschinen. Die Drehzahl des Generators entnimmst Du also Deinem Mechanik-Modell. |
Das ist es ja, ich soll mich um die Motor-Seite zunächst gar nicht kümmern. Es soll angenommen werden, das der Motor eine konstante Drehzahl vorgibt und (idealerweise) Drehmomentunabhängig. Die Drehzahlveränderungen sollen zunächst vernachlässigt werden. Wie gesagt, wo baue ich diese Drehzahlvorgabe in mein Modell ein?
| Epfi hat Folgendes geschrieben: |
| Habe mal ein ungefähres Bild der Modellstruktur angehängt. Da sind noch keine unterlagerten Regelkreise usw. eingemalt, da musst Du Dir die entsprechenden Rückführungen und Regler dann selbst ausdenken. |
Danke! Aber ich will zunächst den Generator in Simulink zum laufen bringen, bevor ich die Regelungen ausprobiere.
Kannst du mir Bitte das an meinem Modell zeigen?
|
|
|
|
| Epfi |

Forum-Meister
|
 |
Beiträge: 1.134
|
 |
|
 |
Anmeldedatum: 08.01.09
|
 |
|
 |
Wohnort: ---
|
 |
|
 |
Version: ---
|
 |
|
|
 |
|
Verfasst am: 11.09.2014, 10:18
Titel:
|
 |
Feste Drehzahl bedeutet letztendlich, dass Du kein Mechanikmodell hast, auf das Dein Drehmoment wirkt. Das omega, das Du jetzt schon zurückführst, nimmst Du dann nicht aus dem Mechanikmodell (bis jetzt nur eine Masse) sondern gibst einen festen Wert vor. Das Moment, das aus Deiner Maschine kommt, läuft dann einfach ins Leere.
Zum Generator wird das Modell durch die passende Sollwertvorgabe des Drehmoments (wenn die Drehzahl vorgegeben ist). Generator: mechanisch abgebene Leistung negativ, Motor: mechanisch abgegebene Leistung positiv. Mit der Formel für die mechanische Leistung müsstest Du dann recht schnell drauf kommen, was Du machen musst.
|
|
|
|
|
Gehe zu Seite Zurück 1, 2, 3
|
|
Einstellungen und Berechtigungen
|
|
Du kannst Beiträge in dieses Forum schreiben. Du kannst auf Beiträge in diesem Forum antworten. Du kannst deine Beiträge in diesem Forum nicht bearbeiten. Du kannst deine Beiträge in diesem Forum nicht löschen. Du kannst an Umfragen in diesem Forum nicht mitmachen. Du kannst Dateien in diesem Forum posten Du kannst Dateien in diesem Forum herunterladen
|
|
Impressum
| Nutzungsbedingungen
| Datenschutz
| FAQ
| RSS
Hosted by:
Copyright © 2007 - 2026
goMatlab.de | Dies ist keine offizielle Website der Firma The Mathworks
MATLAB, Simulink, Stateflow, Handle Graphics, Real-Time Workshop, SimBiology, SimHydraulics, SimEvents, and xPC TargetBox are registered trademarks and The MathWorks, the L-shaped membrane logo, and Embedded MATLAB are trademarks of The MathWorks, Inc.
|
|