|
|
|
Subsystem simulieren in Matlab |
|
| ulrich |
Themenstarter

Forum-Fortgeschrittener
|
 |
Beiträge: 53
|
 |
|
 |
Anmeldedatum: 25.03.13
|
 |
|
 |
Wohnort: Bingen
|
 |
|
 |
Version: ---
|
 |
|
|
 |
|
Verfasst am: 04.04.2013, 15:09
Titel:
|
 |
danke.
ich schaffe irgendwie nicht das Modell mit eingänge und ausgänge zu verbinden.
woran liegt das ?
|
|
|
|
|
|
| Harald |

Forum-Meister
|
 |
Beiträge: 24.502
|
 |
|
 |
Anmeldedatum: 26.03.09
|
 |
|
 |
Wohnort: Nähe München
|
 |
|
 |
Version: ab 2017b
|
 |
|
|
 |
|
Verfasst am: 04.04.2013, 15:12
Titel:
|
 |
Hallo,
ich weiß nicht, was du gerade versuchst.
Meine Idee war im Grunde genommen, den Embedded MATLAB Function Block wie die Blöcke im Subsystem zu behandeln.
Dein Subsystem hat jedoch In/Out-Blöcke drin, was der Embedded MATLAB Function Block nicht hat. Daher müsstest du für jeden Eingang dieses Blocks noch einen In-Block hinsetzen und für jeden Ausgang einen Out-Block.
Grüße,
Harald
|
|
|
|
| ulrich |
Themenstarter

Forum-Fortgeschrittener
|
 |
Beiträge: 53
|
 |
|
 |
Anmeldedatum: 25.03.13
|
 |
|
 |
Wohnort: Bingen
|
 |
|
 |
Version: ---
|
 |
|
|
 |
|
Verfasst am: 04.04.2013, 15:55
Titel:
|
 |
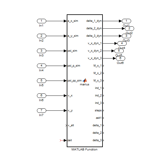
Ja genau das habe ich gemacht aber das model verbinden sich nicht mit andere Blöcke.
das ist ein Bild.
| Beschreibung: |
| hier habe ich In und Output hingefügt |
|
 Download |
| Dateiname: |
MatlabFunktion.PNG |
| Dateigröße: |
14.01 KB |
| Heruntergeladen: |
604 mal |
| Beschreibung: |
| Hier das Modell lass sich irgendwie nicht verbinden. |
|
 Download |
| Dateiname: |
Modell.PNG |
| Dateigröße: |
8.14 KB |
| Heruntergeladen: |
600 mal |
|
|
|
|
| Harald |

Forum-Meister
|
 |
Beiträge: 24.502
|
 |
|
 |
Anmeldedatum: 26.03.09
|
 |
|
 |
Wohnort: Nähe München
|
 |
|
 |
Version: ab 2017b
|
 |
|
|
 |
|
Verfasst am: 04.04.2013, 16:02
Titel:
|
 |
Hallo,
du solltest an alle Ein- und Ausgänge In bzw. Out-Blöcke anschließen. Achte darauf, dass das Modell gespeichert ist.
Dann sollten beim Einfügen in das andere Modell auch die Ein- und Ausgänge vorhanden sein.
Grüße,
Harald
|
|
|
|
| ulrich |
Themenstarter

Forum-Fortgeschrittener
|
 |
Beiträge: 53
|
 |
|
 |
Anmeldedatum: 25.03.13
|
 |
|
 |
Wohnort: Bingen
|
 |
|
 |
Version: ---
|
 |
|
|
 |
|
Verfasst am: 04.04.2013, 16:48
Titel:
|
 |
habe geschaft.
vielen Dank noch.
Ulrich
|
|
|
|
| ulrich |
Themenstarter

Forum-Fortgeschrittener
|
 |
Beiträge: 53
|
 |
|
 |
Anmeldedatum: 25.03.13
|
 |
|
 |
Wohnort: Bingen
|
 |
|
 |
Version: ---
|
 |
|
|
 |
|
Verfasst am: 08.04.2013, 12:11
Titel:
|
 |
Hallo ,
ich habe bemerkt dass wenn ich separat die modelle messe, stimmen die ergebnisse nicht wirklich.
ist es möglich mein model "MotionControl" laufen zu lassen. und während diser simulation die laufzeit von der TeilModelle (MCA und MF) zu wissen?
Danke
Ulrich
|
|
|
|
| Harald |

Forum-Meister
|
 |
Beiträge: 24.502
|
 |
|
 |
Anmeldedatum: 26.03.09
|
 |
|
 |
Wohnort: Nähe München
|
 |
|
 |
Version: ab 2017b
|
 |
|
|
 |
|
Verfasst am: 08.04.2013, 18:52
Titel:
|
 |
Hallo,
das kann durchaus zu unterschiedlichen Laufzeiten kommen, wenn du das Teilmodell mit anderen Eingängen laufen lässt oder du mit variabler Schrittweite arbeitest und andere Modellteile auf die Schrittweitensteuerung Einfluss nehmen.
Aber woher weißt du eigentlich, dass die Laufzeitmessungen nicht stimmen? Anders gefragt, woher weißt du die tatsächliche Laufzeit?
Einen anderen Vorschlag habe ich ja in deinem anderen Thread gemacht.
Grüße,
Harald
|
|
|
|
| ulrich |
Themenstarter

Forum-Fortgeschrittener
|
 |
Beiträge: 53
|
 |
|
 |
Anmeldedatum: 25.03.13
|
 |
|
 |
Wohnort: Bingen
|
 |
|
 |
Version: ---
|
 |
|
|
 |
|
Verfasst am: 09.04.2013, 08:35
Titel:
|
 |
"Aber woher weißt du eigentlich, dass die Laufzeitmessungen nicht stimmen?"
1. die summe von der Laufzeiten(MCA und MF) ist sehr sehr klein als die Laufzeit von MotionControl.
2. ich habe geschaut welche werte MF am ausgang hat , da sind nur 0 werte am ausgang. dh er hat kein eingang werte weil er separat gemessen ist.
es gibt bestimmt eine methode um die Laufzeiten von MCA und MF auszulesen während der Simulation von MotionControl (Ausser Profiler).
|
|
|
|
| Harald |

Forum-Meister
|
 |
Beiträge: 24.502
|
 |
|
 |
Anmeldedatum: 26.03.09
|
 |
|
 |
Wohnort: Nähe München
|
 |
|
 |
Version: ab 2017b
|
 |
|
|
 |
|
Verfasst am: 09.04.2013, 08:40
Titel:
|
 |
Hallo,
zu 2.: du musst unter Simulink --> Configuration Parameters im Data Import/Export Tab die Eingänge definieren. Wenn du das nicht machst, wird das Modell für konstante Nulleingänge simuliert.
Grüße,
Harald
|
|
|
|
| ulrich |
Themenstarter

Forum-Fortgeschrittener
|
 |
Beiträge: 53
|
 |
|
 |
Anmeldedatum: 25.03.13
|
 |
|
 |
Wohnort: Bingen
|
 |
|
 |
Version: ---
|
 |
|
|
 |
|
Verfasst am: 09.04.2013, 09:44
Titel:
|
 |
wie soll ich die eingänge definieren?
ich habe die ausgänge von MCA die in MF reinkommen als Input(data Import/Export) geschrieben aber ich bekomme diese fehler meldung.
|
|
|
|
| Harald |

Forum-Meister
|
 |
Beiträge: 24.502
|
 |
|
 |
Anmeldedatum: 26.03.09
|
 |
|
 |
Wohnort: Nähe München
|
 |
|
 |
Version: ab 2017b
|
 |
|
|
 |
|
Verfasst am: 09.04.2013, 09:50
Titel:
|
 |
Hallo,
zum einen muss die erste Spalte immer die Simulationszeit sein, zu der die Daten gehören.
Die genannten Variablen müssen natürlich existieren und Spaltenvektoren gleicher Länge sein, sonst kann das nicht klappen.
Grüße,
Harald
|
|
|
|
| ulrich |
Themenstarter

Forum-Fortgeschrittener
|
 |
Beiträge: 53
|
 |
|
 |
Anmeldedatum: 25.03.13
|
 |
|
 |
Wohnort: Bingen
|
 |
|
 |
Version: ---
|
 |
|
|
 |
|
Verfasst am: 09.04.2013, 12:36
Titel:
|
 |
so soll es aussehen?
die variable sint die output Variable von MCA:
Aber meldet immer eine fehler Meldung.
| Beschreibung: |
| Variable von MatlabFunk_ref |
|
 Download |
| Dateiname: |
variable.PNG |
| Dateigröße: |
54.71 KB |
| Heruntergeladen: |
621 mal |
|
|
|
|
| Harald |

Forum-Meister
|
 |
Beiträge: 24.502
|
 |
|
 |
Anmeldedatum: 26.03.09
|
 |
|
 |
Wohnort: Nähe München
|
 |
|
 |
Version: ab 2017b
|
 |
|
|
 |
|
Verfasst am: 09.04.2013, 12:44
Titel:
|
 |
Hallo,
grundsätzlich ja. Das Problem war zuvor (wie gesagt), dass eine der Variablen nicht gefunden werden konnte. Die Daten müssen als MATLAB-Variablen im verwendeten Workspace vorhanden sein.
Grüße,
Harald
|
|
|
|
| ulrich |
Themenstarter

Forum-Fortgeschrittener
|
 |
Beiträge: 53
|
 |
|
 |
Anmeldedatum: 25.03.13
|
 |
|
 |
Wohnort: Bingen
|
 |
|
 |
Version: ---
|
 |
|
|
 |
|
Verfasst am: 09.04.2013, 13:57
Titel:
|
 |
Übrigens deine Matlab Funktion hat ein fehler.
erstmal
dann
sons ist das Ergebnis komisch
|
|
|
|
| Harald |

Forum-Meister
|
 |
Beiträge: 24.502
|
 |
|
 |
Anmeldedatum: 26.03.09
|
 |
|
 |
Wohnort: Nähe München
|
 |
|
 |
Version: ab 2017b
|
 |
|
|
 |
|
Verfasst am: 09.04.2013, 14:17
Titel:
|
 |
Hallo,
bei mir liefert dein Vorschlag (wenn ich ihn richtig verstanden habe) anscheinend dasselbe wie meine Variante. Ich verstehe also nicht, wieso da ein Fehler sein soll.
Grüße,
Harald
|
|
|
|
|
Gehe zu Seite Zurück 1, 2, 3 Weiter
|
|
Einstellungen und Berechtigungen
|
|
Du kannst Beiträge in dieses Forum schreiben. Du kannst auf Beiträge in diesem Forum antworten. Du kannst deine Beiträge in diesem Forum nicht bearbeiten. Du kannst deine Beiträge in diesem Forum nicht löschen. Du kannst an Umfragen in diesem Forum nicht mitmachen. Du kannst Dateien in diesem Forum posten Du kannst Dateien in diesem Forum herunterladen
|
|
Impressum
| Nutzungsbedingungen
| Datenschutz
| FAQ
| RSS
Hosted by:
Copyright © 2007 - 2026
goMatlab.de | Dies ist keine offizielle Website der Firma The Mathworks
MATLAB, Simulink, Stateflow, Handle Graphics, Real-Time Workshop, SimBiology, SimHydraulics, SimEvents, and xPC TargetBox are registered trademarks and The MathWorks, the L-shaped membrane logo, and Embedded MATLAB are trademarks of The MathWorks, Inc.
|
|