|
|
| Gruberp |
Gast
|
 |
Beiträge: ---
|
 |
|
 |
Anmeldedatum: ---
|
 |
|
 |
Wohnort: ---
|
 |
|
 |
Version: ---
|
 |
|
|
 |
|
Verfasst am: 25.03.2014, 16:08
Titel: ABS Regelung
|
 |
| |
 |
|
Hi Leute,
ich versuche gerade eine vereinfachte ABS-Regelung mit Simulink zu simulieren.
Dazu würde ich gerne den Schlupf in einem Fenster (10 bis 30 %) pendeln lassen.
Das heist:
-Zu Anfang ist mein Schlupf=0 (Rad und Fahrzeuggeschwindigkeit gleich groß)
-Dann: Bremsmoment bewirkt einen Anstieg des Schlupfes (gwünscht bis 30 %)
-ab 30 % soll Bremsmoment 0 sein, damit Schlupf wieder fällt
-Erreicht schlupf 10 % soll Bremsmoment wieder für einen Schlupfanstieg sorgen
-Dies soll so lange zwischen 10 und 30 % pendeln bis mein Fahrzeug steht
Mit logischen Operatoren kann ich sagen:
wenn s<0.1 dann Bremskraft aufbringen
und
wenn s>0.3 dann Bremskraft 0
Mein Problem liegt jetzt darin, dass ich nicht weis wie ich den Bereich zwischen 0.1 und 0.3 beschreiben soll??
Denn sobald mein Schlupf 0.1 überschreitet und zB.: den Wert 0.2 annimmt soll noch bis 0.3 Bremskraft vorhanden sein
Wenn aber der Schlupf von 0.3 beim sinken ist und auch wieder zB.: den Wert 0.2 erreicht, soll aber die Bremskraft 0 sein und nicht wie im oberen Absatz vorhanden.
Ich dachte mir man könnte einen Memory-Block einfügen der sich die letzten Bremsmoment Werte merkt wenn ich den Bereich 0.1-0.3 komme???
wär super wenn mir da jemand Auskunft geben könnte
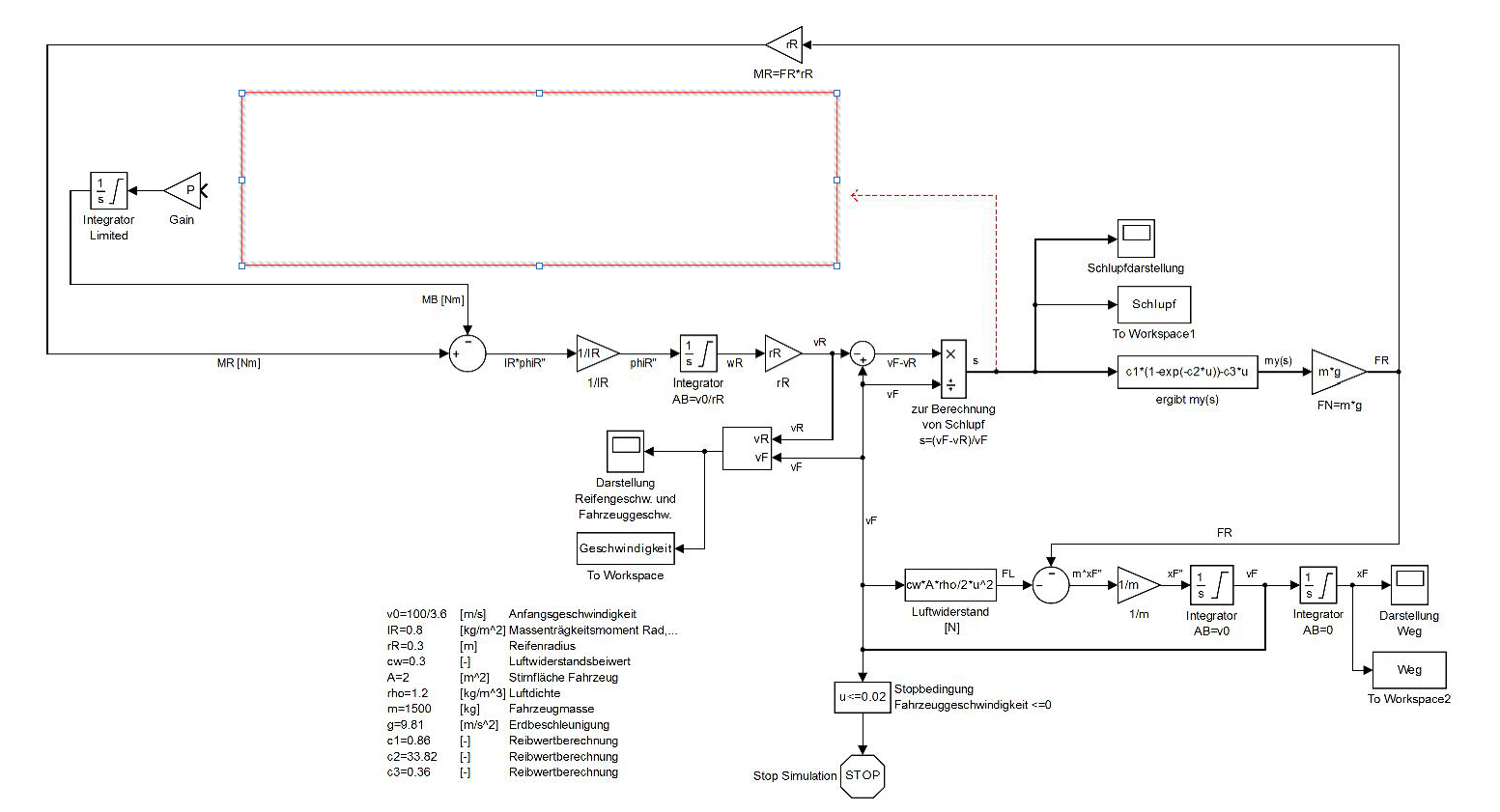
Hab mal ein Bild meines vorhanden Koppelplans angefügt. Der Rote Bereich ist jener den ich nicht bilden kann
| Beschreibung: |
|
 Download |
| Dateiname: |
Unbenannt.png |
| Dateigröße: |
265.83 KB |
| Heruntergeladen: |
745 mal |
|
|
|
|
|
|
| geieraffe |

Forum-Fortgeschrittener
|
 |
Beiträge: 97
|
 |
|
 |
Anmeldedatum: 19.04.12
|
 |
|
 |
Wohnort: ---
|
 |
|
 |
Version: ---
|
 |
|
|
 |
|
Verfasst am: 01.04.2014, 10:00
Titel:
|
 |
|
Ein Relay mit Hysterese sollte dir helfen können.
|
|
|
|
|
|
|
Einstellungen und Berechtigungen
|
|
Du kannst Beiträge in dieses Forum schreiben. Du kannst auf Beiträge in diesem Forum antworten. Du kannst deine Beiträge in diesem Forum nicht bearbeiten. Du kannst deine Beiträge in diesem Forum nicht löschen. Du kannst an Umfragen in diesem Forum nicht mitmachen. Du kannst Dateien in diesem Forum posten Du kannst Dateien in diesem Forum herunterladen
|
|
Impressum
| Nutzungsbedingungen
| Datenschutz
| FAQ
| RSS
Hosted by:
Copyright © 2007 - 2026
goMatlab.de | Dies ist keine offizielle Website der Firma The Mathworks
MATLAB, Simulink, Stateflow, Handle Graphics, Real-Time Workshop, SimBiology, SimHydraulics, SimEvents, and xPC TargetBox are registered trademarks and The MathWorks, the L-shaped membrane logo, and Embedded MATLAB are trademarks of The MathWorks, Inc.
|
|