|
|
|
Anfangswertproblem in Simulink |
|
| Matlab-Andi |

Forum-Newbie
|
 |
Beiträge: 4
|
 |
|
 |
Anmeldedatum: 08.03.13
|
 |
|
 |
Wohnort: ---
|
 |
|
 |
Version: ---
|
 |
|
|
 |
|
Verfasst am: 28.03.2015, 16:03
Titel: Anfangswertproblem in Simulink
|
 |
Hallo,
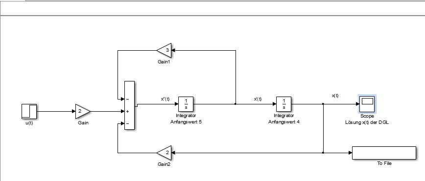
gegeben ist folgende DGL:
x''(t)+3x'(t)+2x(t)=2u(t)
sowie die Anfangsbedingungen x(0)=4, x'(0)=5
mit u(t) als Sprungfunktion.
Ich habe das mit Simulink aufgebaut und mir das Ergebnis im Scope anzeigen lassen. Ich weiß nur das Ergebnis nicht wirklich zu deuten. Kann man dort irgendwas aussagekräftiges erkennen?
Gruß, Andreas
| Beschreibung: |
|
 Download |
| Dateiname: |
img_2.jpg |
| Dateigröße: |
76.4 KB |
| Heruntergeladen: |
798 mal |
| Beschreibung: |
|
 Download |
| Dateiname: |
img_1.jpg |
| Dateigröße: |
31.41 KB |
| Heruntergeladen: |
782 mal |
_________________
Danke für Eure Hilfe!
|
|
|
|
|
|
| Harald |

Forum-Meister
|
 |
Beiträge: 24.502
|
 |
|
 |
Anmeldedatum: 26.03.09
|
 |
|
 |
Wohnort: Nähe München
|
 |
|
 |
Version: ab 2017b
|
 |
|
|
 |
|
Verfasst am: 28.03.2015, 21:30
Titel:
|
 |
Hallo,
man kann alle möglichen Erkenntnisse daraus ziehen, z.B.
- auf welchen Wert schwingt sich das System ein?
- nach welcher Zeit schwingt es sich auf diesen Wert +/- eine Toleranz ein?
- was ist das Maximum?
Grüße,
Harald
|
|
|
|
|
|
|
Einstellungen und Berechtigungen
|
|
Du kannst Beiträge in dieses Forum schreiben. Du kannst auf Beiträge in diesem Forum antworten. Du kannst deine Beiträge in diesem Forum nicht bearbeiten. Du kannst deine Beiträge in diesem Forum nicht löschen. Du kannst an Umfragen in diesem Forum nicht mitmachen. Du kannst Dateien in diesem Forum posten Du kannst Dateien in diesem Forum herunterladen
|
|
Impressum
| Nutzungsbedingungen
| Datenschutz
| FAQ
| RSS
Hosted by:
Copyright © 2007 - 2026
goMatlab.de | Dies ist keine offizielle Website der Firma The Mathworks
MATLAB, Simulink, Stateflow, Handle Graphics, Real-Time Workshop, SimBiology, SimHydraulics, SimEvents, and xPC TargetBox are registered trademarks and The MathWorks, the L-shaped membrane logo, and Embedded MATLAB are trademarks of The MathWorks, Inc.
|
|