|
|
|
Auf Signale unterschiedlicher Länge (signal width) zugreife |
|
| Strauße |

Forum-Fortgeschrittener
|
 |
Beiträge: 57
|
 |
|
 |
Anmeldedatum: 07.11.08
|
 |
|
 |
Wohnort: ---
|
 |
|
 |
Version: ---
|
 |
|
|
 |
|
Verfasst am: 23.03.2010, 13:41
Titel: Auf Signale unterschiedlicher Länge (signal width) zugreife
|
 |
| |
 |
|
Hallo,
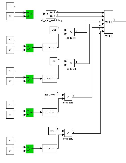
habe folgendes Problem. Ich habe verschiedene Befehle unterschiedlicher Länge, die über RS232 gesendet werden sollen. Ich möchte nun (manuell oder automatisiert ist erst mal egal) unterschiedliche Befehle zu unterschiedlichen Zeiten ausführen. Jeder Befehl durchläuft am Ende noch eine Funktion, die ihn auf gleiche Länge bringt und mit Checksumme etc. auffüllt, damit die Schnittstelle klarkommt.
Der Merge-Block (den ich irgendwie nicht so peile, was der macht, bzw. der macht was er will) ist dafür nicht geeignet glaube ich, weil der ja einen gleichgrossen Output erzeugt. Ein Addierer schimpft auch, da die Signale unterschiedliche längen haben. Jedoch ist jedes Signal entweder 0 oder eben ein Vektor und sie treten nie gleichzeitig auf. Deswegen müsste das doch irgendwie zu lösen sein?
Kann man das nur über einen (hässlichen und unübersichtlich implementieren) Switch machen?
Hab im Anhang mal so n Prinzip angehängt, wo man sieht, dass unterschiedlich grosse Vektoren reinkommen, ich aber immer nur einen (den zuletzt geänderten am liebsten) verwenden möchte.
Vielen DAnk!
Grüsse
| Beschreibung: |
|
 Download |
| Dateiname: |
Merge_bsp.JPG |
| Dateigröße: |
31.86 KB |
| Heruntergeladen: |
731 mal |
|
|
|
|
|
|
|
|
|
Einstellungen und Berechtigungen
|
|
Du kannst Beiträge in dieses Forum schreiben. Du kannst auf Beiträge in diesem Forum antworten. Du kannst deine Beiträge in diesem Forum nicht bearbeiten. Du kannst deine Beiträge in diesem Forum nicht löschen. Du kannst an Umfragen in diesem Forum nicht mitmachen. Du kannst Dateien in diesem Forum posten Du kannst Dateien in diesem Forum herunterladen
|
|
Impressum
| Nutzungsbedingungen
| Datenschutz
| FAQ
| RSS
Hosted by:
Copyright © 2007 - 2026
goMatlab.de | Dies ist keine offizielle Website der Firma The Mathworks
MATLAB, Simulink, Stateflow, Handle Graphics, Real-Time Workshop, SimBiology, SimHydraulics, SimEvents, and xPC TargetBox are registered trademarks and The MathWorks, the L-shaped membrane logo, and Embedded MATLAB are trademarks of The MathWorks, Inc.
|
|