|
|
| GooPaco |

Forum-Newbie
|
 |
Beiträge: 5
|
 |
|
 |
Anmeldedatum: 25.11.15
|
 |
|
 |
Wohnort: Nürnberg
|
 |
|
 |
Version: ---
|
 |
|
|
 |
|
Verfasst am: 30.11.2015, 09:52
Titel:
|
 |
| |
 |
|
Danke für eure Antworten!!
habe die Toolbox bekommen und erfolgreich zum laufen gebracht...
nun habe ich ein Problem und ich hoffe mir kann jemand helfen..
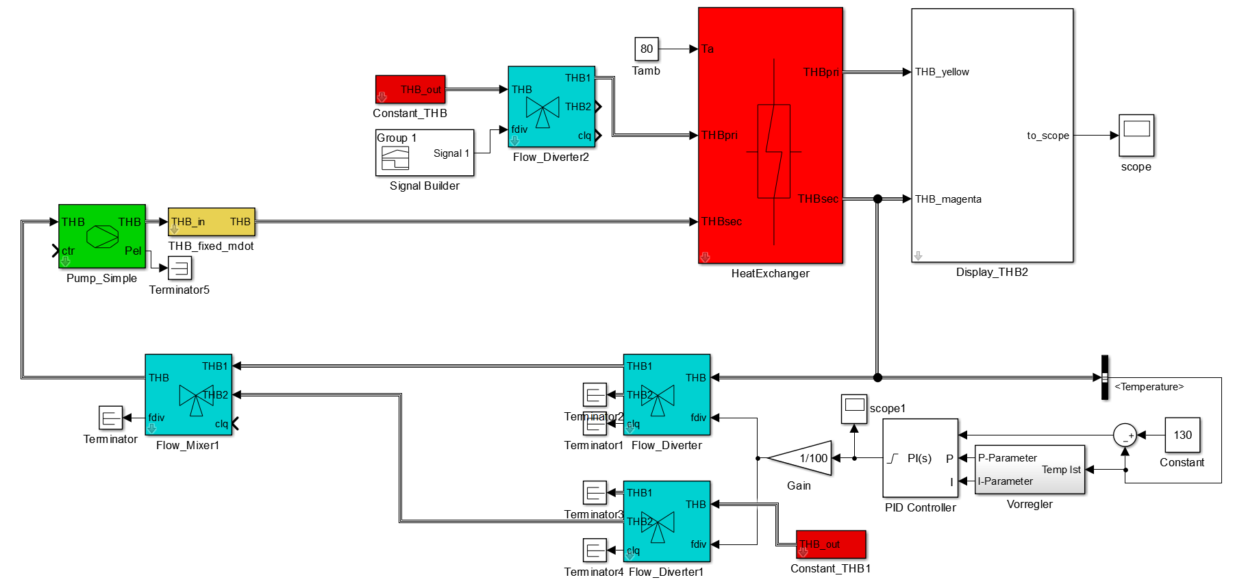
Und zwar geht es um den Wärmetauscher...in dem Modell soll das Wasser auf 130 Grad erwärmt werden....für den Fall, dass weniger Abgas zur Verfügung steht soll ein Teil des Wassers über ein Ventil mit dem kalten Vorlauf gemischt werden...
Also..um weniger Abgas zu Simulieren habe ich ein Ventil eingebaut mit dem ich einfach einen Teil des Massenstroms "umleite"...ich schalte bei 3000 Sekunden auf 50% und bei 7000 Sekunden wieder auf 100%...
Das Ergebnis sind dann Sprünge in meinen Temperaturverläufen und ich würde gerne verstehen warum, da sich der Wärmetauscher ja langsam abkühlen müsste...
Bilder des Regelkreises und der Temperarturverläufe sind im Anhang
Danke!
| Beschreibung: |
|
 Download |
| Dateiname: |
Temperaturverlauf.PNG |
| Dateigröße: |
17.85 KB |
| Heruntergeladen: |
623 mal |
| Beschreibung: |
|
 Download |
| Dateiname: |
Regelkreis.PNG |
| Dateigröße: |
82.33 KB |
| Heruntergeladen: |
574 mal |
|
|
|
|
Gesplittet: 30.11.2015, 10:59 Uhr von Jan S Von Beitrag Wer hat ein Carnot Blockset aus dem Forum Simulink |
|
|
| Jan S |

Moderator
|
 |
Beiträge: 11.057
|
 |
|
 |
Anmeldedatum: 08.07.10
|
 |
|
 |
Wohnort: Heidelberg
|
 |
|
 |
Version: 2009a, 2016b
|
 |
|
|
 |
|
Verfasst am: 30.11.2015, 10:59
Titel:
|
 |
Hallo GooPaco,
Bitte öffne für eine neue Frage einen neuen Thread. Danke!
Jan
|
|
|
|
|
|
|
Einstellungen und Berechtigungen
|
|
Du kannst Beiträge in dieses Forum schreiben. Du kannst auf Beiträge in diesem Forum antworten. Du kannst deine Beiträge in diesem Forum nicht bearbeiten. Du kannst deine Beiträge in diesem Forum nicht löschen. Du kannst an Umfragen in diesem Forum nicht mitmachen. Du kannst Dateien in diesem Forum posten Du kannst Dateien in diesem Forum herunterladen
|
|
Impressum
| Nutzungsbedingungen
| Datenschutz
| FAQ
| RSS
Hosted by:
Copyright © 2007 - 2026
goMatlab.de | Dies ist keine offizielle Website der Firma The Mathworks
MATLAB, Simulink, Stateflow, Handle Graphics, Real-Time Workshop, SimBiology, SimHydraulics, SimEvents, and xPC TargetBox are registered trademarks and The MathWorks, the L-shaped membrane logo, and Embedded MATLAB are trademarks of The MathWorks, Inc.
|
|