|
|
| Stalone |
Gast
|
 |
Beiträge: ---
|
 |
|
 |
Anmeldedatum: ---
|
 |
|
 |
Wohnort: ---
|
 |
|
 |
Version: ---
|
 |
|
|
 |
|
Verfasst am: 05.06.2020, 21:29
Titel: DGL mit Simulink
|
 |
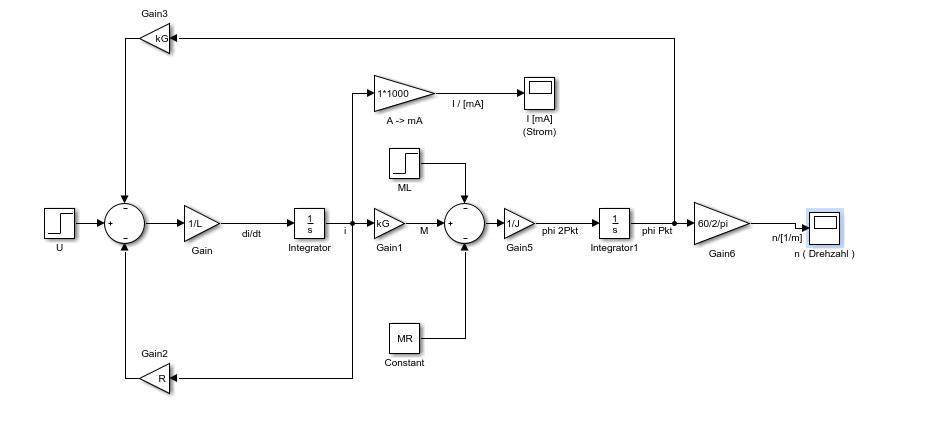
hi Leute, meine Frage ist, ich habe eine DGL
u = R*i+L*di/dt+kG*Omega
M = kG*i
M - MR - ML = J*Omega
diese wollte ich als Simulink mit folgenden Werten lösen, das Programm hat keine Fehlermeldung zurückgegeben allerdings bin ich etwas misstrauisch die Lösung sieht doch etwas falsch aus, was sagt Ihr dazu ? und wenn euch was auffällt, was hab ich fasch gemacht ?
U = 48; % V Motorspannung
R = 2; % W Ankerwiderstand
L = 0.1; % H Ankerinduktion
kG= 1.5; % Vs Generatorkonstante
ML= 10; % Nm Lastmoment
MR= 0.2; % Reibmoment
J = 0.05; % kgm^2 Massenträgheitsmoment
| Beschreibung: |
|
 Download |
| Dateiname: |
Aufgabe_10_Simulink.jpg |
| Dateigröße: |
25.96 KB |
| Heruntergeladen: |
692 mal |
| Beschreibung: |
|
 Download |
| Dateiname: |
Simulink_Plot_Aufgabe10.jpg |
| Dateigröße: |
49.53 KB |
| Heruntergeladen: |
729 mal |
|
|
|
|
|
|
|
|
|
Einstellungen und Berechtigungen
|
|
Du kannst Beiträge in dieses Forum schreiben. Du kannst auf Beiträge in diesem Forum antworten. Du kannst deine Beiträge in diesem Forum nicht bearbeiten. Du kannst deine Beiträge in diesem Forum nicht löschen. Du kannst an Umfragen in diesem Forum nicht mitmachen. Du kannst Dateien in diesem Forum posten Du kannst Dateien in diesem Forum herunterladen
|
|
Impressum
| Nutzungsbedingungen
| Datenschutz
| FAQ
| RSS
Hosted by:
Copyright © 2007 - 2026
goMatlab.de | Dies ist keine offizielle Website der Firma The Mathworks
MATLAB, Simulink, Stateflow, Handle Graphics, Real-Time Workshop, SimBiology, SimHydraulics, SimEvents, and xPC TargetBox are registered trademarks and The MathWorks, the L-shaped membrane logo, and Embedded MATLAB are trademarks of The MathWorks, Inc.
|
|