|
|
|
Diskrete Übertragungsfunktion in Simulink herausfinden |
|
| Is.El. |

Forum-Newbie
|
 |
Beiträge: 2
|
 |
|
 |
Anmeldedatum: 28.11.23
|
 |
|
 |
Wohnort: ---
|
 |
|
 |
Version: ---
|
 |
|
|
 |
|
Verfasst am: 28.11.2023, 17:01
Titel: Diskrete Übertragungsfunktion in Simulink herausfinden
|
 |
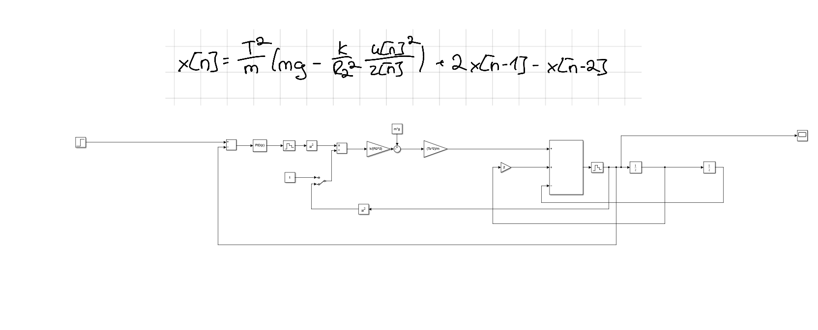
Hallo, wie kann ich aus einer nichtlinearen Differenzengleichung die diskrete Übertragungsfunktion in Simulink herausfinden um das System im Nachhinein mithilfe eines digitalen PID Reglers zu stabilisieren.
| Beschreibung: |
|
 Download |
| Dateiname: |
Bildschirmfoto 2023-11-28 um 16.00.02.png |
| Dateigröße: |
73.41 KB |
| Heruntergeladen: |
593 mal |
|
|
|
|
|
|
|
|
|
Einstellungen und Berechtigungen
|
|
Du kannst Beiträge in dieses Forum schreiben. Du kannst auf Beiträge in diesem Forum antworten. Du kannst deine Beiträge in diesem Forum nicht bearbeiten. Du kannst deine Beiträge in diesem Forum nicht löschen. Du kannst an Umfragen in diesem Forum nicht mitmachen. Du kannst Dateien in diesem Forum posten Du kannst Dateien in diesem Forum herunterladen
|
|
Impressum
| Nutzungsbedingungen
| Datenschutz
| FAQ
| RSS
Hosted by:
Copyright © 2007 - 2026
goMatlab.de | Dies ist keine offizielle Website der Firma The Mathworks
MATLAB, Simulink, Stateflow, Handle Graphics, Real-Time Workshop, SimBiology, SimHydraulics, SimEvents, and xPC TargetBox are registered trademarks and The MathWorks, the L-shaped membrane logo, and Embedded MATLAB are trademarks of The MathWorks, Inc.
|
|