|
|
|
Dynamisches Relay erstellen? (Variable Grenzbereiche ) |
|
| Speckdrum |

Forum-Anfänger
|
 |
Beiträge: 19
|
 |
|
 |
Anmeldedatum: 01.10.10
|
 |
|
 |
Wohnort: München
|
 |
|
 |
Version: ---
|
 |
|
|
 |
|
Verfasst am: 14.04.2012, 19:25
Titel: Dynamisches Relay erstellen? (Variable Grenzbereiche )
|
 |
Servus,
ich kämpfe im Moment mit einem vermutlich trivialen Problem.
Eine Eingangsgröße soll mit Grenzwerten verglichen werden, die
aus einer 2D Lookup Table stammen.
Mein Problem ist, dass die Grenzwerte keine Konstanten sind und der Block
Relay nur Konstanten zulässt, d.h. anstatt 2 Eingängen nur 1 hat. Ansonsten wäre der Block perfekt und ermöglicht mir eine Hysterese.
Gibt es einen alternativen Block, den ich bisher übersehen habe oder hat jemand Tipps für mich, wie man das Problem möglichst einfach umsetzen könnte?
Danke!
|
|
|
|
|
|
| Speckdrum |
Themenstarter

Forum-Anfänger
|
 |
Beiträge: 19
|
 |
|
 |
Anmeldedatum: 01.10.10
|
 |
|
 |
Wohnort: München
|
 |
|
 |
Version: ---
|
 |
|
|
 |
|
Verfasst am: 15.04.2012, 16:14
Titel:
|
 |
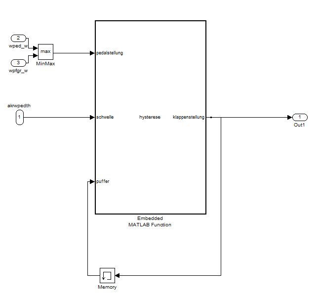
Ich hab es nach langer Überlegung und Versuchen selbst hinbekommen.
Mit einer Embedded Funktion habe ich den Code selbst geschrieben und so meinen Block generiert. Für die Zukunft werde ich diese Möglichkeit wohl öfters nutzen.
Die obere und untere Grenze ist klar. In dem nicht definierten Bereich bleibt der vorhergegangene Wert aktuell.
| Beschreibung: |
|
 Download |
| Dateiname: |
Hysterese.JPG |
| Dateigröße: |
26.47 KB |
| Heruntergeladen: |
827 mal |
|
|
|
|
|
|
|
Einstellungen und Berechtigungen
|
|
Du kannst Beiträge in dieses Forum schreiben. Du kannst auf Beiträge in diesem Forum antworten. Du kannst deine Beiträge in diesem Forum nicht bearbeiten. Du kannst deine Beiträge in diesem Forum nicht löschen. Du kannst an Umfragen in diesem Forum nicht mitmachen. Du kannst Dateien in diesem Forum posten Du kannst Dateien in diesem Forum herunterladen
|
|
Impressum
| Nutzungsbedingungen
| Datenschutz
| FAQ
| RSS
Hosted by:
Copyright © 2007 - 2026
goMatlab.de | Dies ist keine offizielle Website der Firma The Mathworks
MATLAB, Simulink, Stateflow, Handle Graphics, Real-Time Workshop, SimBiology, SimHydraulics, SimEvents, and xPC TargetBox are registered trademarks and The MathWorks, the L-shaped membrane logo, and Embedded MATLAB are trademarks of The MathWorks, Inc.
|
|