|
|
|
Eine Art "Enabled Subsystem" ohne Enable-Block rea |
|
| Patrick84 |

Forum-Newbie
|
 |
Beiträge: 3
|
 |
|
 |
Anmeldedatum: 03.01.13
|
 |
|
 |
Wohnort: ---
|
 |
|
 |
Version: ---
|
 |
|
|
 |
|
Verfasst am: 03.01.2013, 21:52
Titel: Eine Art "Enabled Subsystem" ohne Enable-Block rea
|
 |
| |
 |
|
Hallo zusammen,
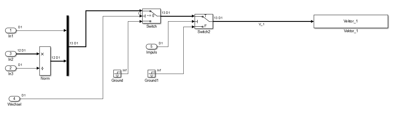
ich hab ein kleines Problem und evtl. kann mir hier wer helfen. Und zwar geht es um das unten abgebildete Simulink-Modell.
Beim vorhandenen Simulink-Modell werden in den den Vektor_1, über eine gewisse Zeit, Daten geschrieben (Dimension am Simulationsende: 360000x13). Von den 360000 Zeilen sind jedoch nur 52 von Null verschieden (Rest wird über Impuls zu Null gesetzt). Ich will jetzt, dass diese ganzen Nullen nicht in den Vektor geschrieben werden, dieser also am Ende eine Dimension von 52x13 hat. Mein Hauptproblem ist, ich darf das nicht über ein Enabled-Subsystem machen (mit dem gehts), sondern muss es so irgendwie realisieren, da das Simulink-Modell später in einen anderen Code kompiliert wird, wo das Enabled-Subsystem nicht mehr funktioniert.
Ich hoffe hier kann mir wer helfen. Da ich noch nicht so viel Erfahrung mit Matlab/Simulink habe, komme ich atm. einfach nicht mehr weiter.
Viele Grüße
Patrick
| Beschreibung: |
|
 Download |
| Dateiname: |
Neue Bitmap.jpg |
| Dateigröße: |
41.37 KB |
| Heruntergeladen: |
778 mal |
|
|
|
|
|
|
| knilumis_baltaM |

Forum-Century
|
 |
Beiträge: 241
|
 |
|
 |
Anmeldedatum: 20.04.12
|
 |
|
 |
Wohnort: ---
|
 |
|
 |
Version: ---
|
 |
|
|
 |
|
Verfasst am: 04.01.2013, 07:25
Titel:
|
 |
|
Benutze eine Matlab Function block. Dort Initialisierst du den Vektor mit der Endgröße und füllst ihn mit Nullen. Immer wenn ein brauchbarer Wert kommt hängst du ihn rein (Nullen überschreiben), ansonsten überspringen und nächster Zeitschritt.
|
|
|
|
| Patrick84 |
Themenstarter

Forum-Newbie
|
 |
Beiträge: 3
|
 |
|
 |
Anmeldedatum: 03.01.13
|
 |
|
 |
Wohnort: ---
|
 |
|
 |
Version: ---
|
 |
|
|
 |
|
Verfasst am: 04.01.2013, 13:10
Titel:
|
 |
|
Und wie realisiere ich das mit dem "Überspringen", also das er, wenn ne Null kommt, nichts in den Vektor reinschreibt? Daran scheitert es im Moment.
|
|
|
|
| knilumis_baltaM |

Forum-Century
|
 |
Beiträge: 241
|
 |
|
 |
Anmeldedatum: 20.04.12
|
 |
|
 |
Wohnort: ---
|
 |
|
 |
Version: ---
|
 |
|
|
 |
|
Verfasst am: 07.01.2013, 10:21
Titel:
|
 |
Du initialisierst eine Variable mit Nullen (kennst ja die Endgröße):
Das ist kein fertiger code und nur frei getippt .... pass es auf dein Problem an.
|
|
|
|
|
|
|
Einstellungen und Berechtigungen
|
|
Du kannst Beiträge in dieses Forum schreiben. Du kannst auf Beiträge in diesem Forum antworten. Du kannst deine Beiträge in diesem Forum nicht bearbeiten. Du kannst deine Beiträge in diesem Forum nicht löschen. Du kannst an Umfragen in diesem Forum nicht mitmachen. Du kannst Dateien in diesem Forum posten Du kannst Dateien in diesem Forum herunterladen
|
|
Impressum
| Nutzungsbedingungen
| Datenschutz
| FAQ
| RSS
Hosted by:
Copyright © 2007 - 2026
goMatlab.de | Dies ist keine offizielle Website der Firma The Mathworks
MATLAB, Simulink, Stateflow, Handle Graphics, Real-Time Workshop, SimBiology, SimHydraulics, SimEvents, and xPC TargetBox are registered trademarks and The MathWorks, the L-shaped membrane logo, and Embedded MATLAB are trademarks of The MathWorks, Inc.
|
|