|
|
| AntonioPom |

Forum-Anfänger
|
 |
Beiträge: 14
|
 |
|
 |
Anmeldedatum: 05.11.16
|
 |
|
 |
Wohnort: ---
|
 |
|
 |
Version: ---
|
 |
|
|
 |
|
Verfasst am: 05.11.2016, 17:29
Titel: Einspurmodell schwingt?
|
 |
Hallo liebe Community,
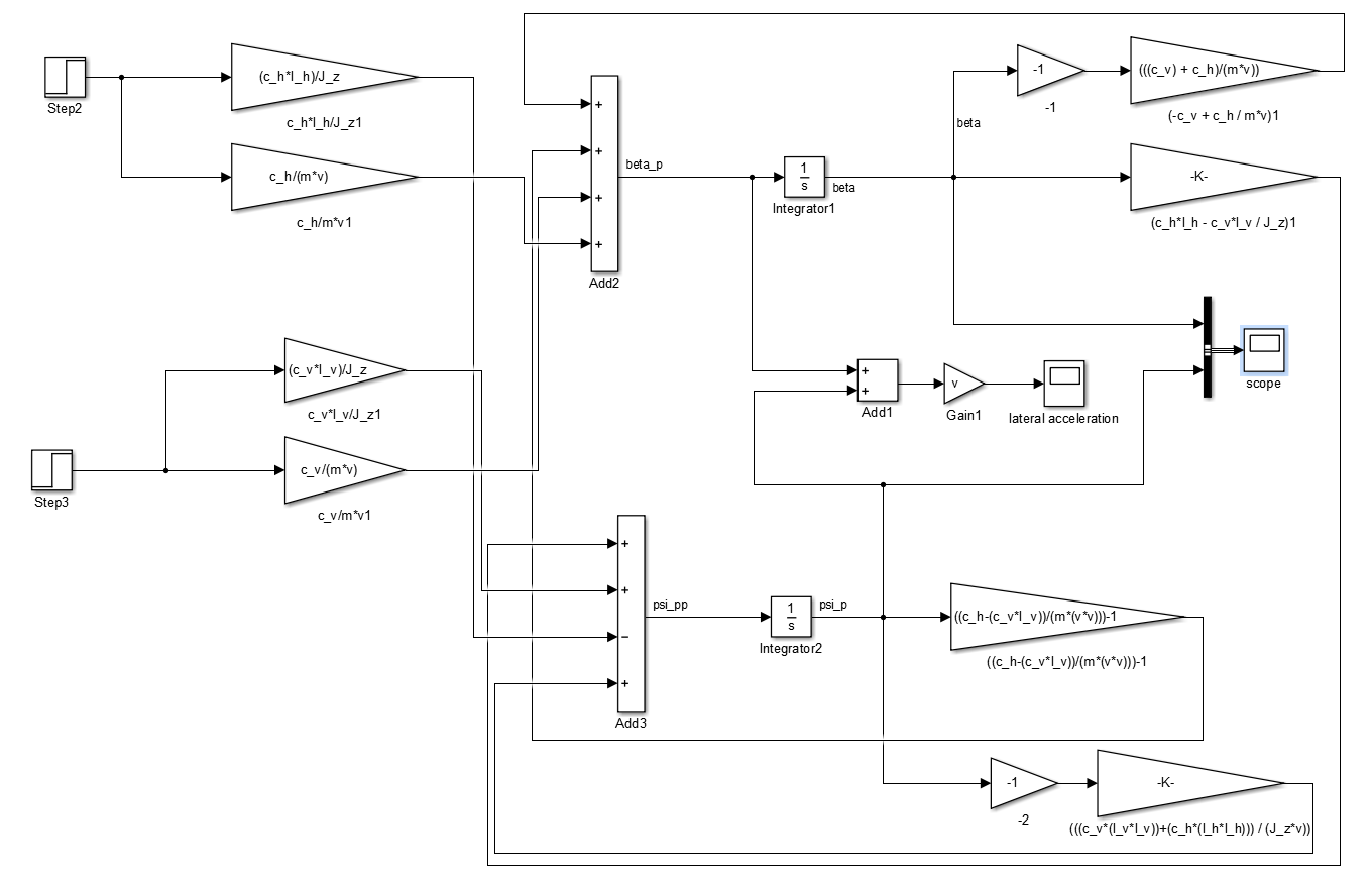
ich habe ein Einspurmodell in Simulink modelliert. Ich weiß jedoch nicht ob mein Verlauf von Schwimmwinkel und Gierrate so richtig ist. Ich bin der Meinung, dass das System nicht Schwingen darf.
Ich habe im Anhang, das komplette Modell eingefügt und den Verlauf. Anhand der Blöcke im Model kann man auch die Berechnung ansehen. Diese sind genau so auch in der Maske der einzelnen Gains eingefügt worden.
Ich hoffe mir kann jemand weiterhelfe.
Viele Grüße
AntonioPom
| Beschreibung: |
|
 Download |
| Dateiname: |
verlauf.PNG |
| Dateigröße: |
13.7 KB |
| Heruntergeladen: |
870 mal |
| Beschreibung: |
|
 Download |
| Dateiname: |
simulink_einspurmodell.PNG |
| Dateigröße: |
64.58 KB |
| Heruntergeladen: |
905 mal |
|
|
|
|
|
|
| AntonioPom |
Themenstarter

Forum-Anfänger
|
 |
Beiträge: 14
|
 |
|
 |
Anmeldedatum: 05.11.16
|
 |
|
 |
Wohnort: ---
|
 |
|
 |
Version: ---
|
 |
|
|
 |
|
Verfasst am: 07.11.2016, 12:12
Titel:
|
 |
|
Ich hoffe es kann mir jemand noch helfen.
|
|
|
|
| Gast |
|
 |
Beiträge: ---
|
 |
|
 |
Anmeldedatum: ---
|
 |
|
 |
Wohnort: ---
|
 |
|
 |
Version: ---
|
 |
|
|
 |
|
Verfasst am: 07.11.2016, 13:38
Titel:
|
 |
Hallo AntonioPom,
warum bist du der Meinung, dass das System nicht schwingen soll?
Versuch doch mal die Solver-Einstellungen zu ändern.
Viele Grüße
Lord nibbler
|
|
|
|
| AntonioPom |
Themenstarter

Forum-Anfänger
|
 |
Beiträge: 14
|
 |
|
 |
Anmeldedatum: 05.11.16
|
 |
|
 |
Wohnort: ---
|
 |
|
 |
Version: ---
|
 |
|
|
 |
|
Verfasst am: 07.11.2016, 13:58
Titel:
|
 |
|
Das werde ich versuchen sobald ich zu Hause bin. Ich werde dann auch sofort Bescheid geben
|
|
|
|
| AntonioPom |
Themenstarter

Forum-Anfänger
|
 |
Beiträge: 14
|
 |
|
 |
Anmeldedatum: 05.11.16
|
 |
|
 |
Wohnort: ---
|
 |
|
 |
Version: ---
|
 |
|
|
 |
|
Verfasst am: 08.11.2016, 09:48
Titel:
|
 |
So ich habe es mit anderen Solver versucht, jedoch sind diese Überschwinger am Anfang weiterhin zusehen.
Könnte es evenutell am Lenkwinkel liegen? Ich habe nämlich einen Sprung von 0 auf 0.5 deklariert statt eine Rampenfunktion. Vielleicht ist eine Rampenfunktion realitätsgetreu.
|
|
|
|
| Friidayy |

Forum-Century
|
 |
Beiträge: 225
|
 |
|
 |
Anmeldedatum: 17.12.13
|
 |
|
 |
Wohnort: ---
|
 |
|
 |
Version: R2012b
|
 |
|
|
 |
|
Verfasst am: 08.11.2016, 11:00
Titel:
|
 |
Hallo Antonio,
das Schwingen bei einer sprungförmigen Anregungn kann durchaus sein. Leider hast du die y-Achse in deinem Verlauf entfernt, sonst könnnte man ungefähr sagen, ob die Werte für Gierrate und Schwimmwinkel i.O. sind. Versuch den Sprung des Lenkwinkels ein PT1-Glied zu glätten und schau dir dann nochmal die Ergebnisse an.
Viele Grüße
|
|
|
|
| Dennis4a1 |

Forum-Anfänger
|
 |
Beiträge: 29
|
 |
|
 |
Anmeldedatum: 08.10.15
|
 |
|
 |
Wohnort: ---
|
 |
|
 |
Version: ---
|
 |
|
|
 |
|
Verfasst am: 08.11.2016, 11:48
Titel:
|
 |
Guck dir ggf. mal die Zustandsraumdarstellung an.
Finde ich deutlich übersichtlicher und du baust das Zustandsraummodell mit 2 Matrix Multiply, einem Add und einem Integrator zusammen.
|
|
|
|
| AntonioPom |
Themenstarter

Forum-Anfänger
|
 |
Beiträge: 14
|
 |
|
 |
Anmeldedatum: 05.11.16
|
 |
|
 |
Wohnort: ---
|
 |
|
 |
Version: ---
|
 |
|
|
 |
|
Verfasst am: 09.11.2016, 19:46
Titel:
|
 |
Hallo,
ich bedanke mich erstmals über die Antworten. Anbei habe ich ein neues Screenshot mit sichtbaren Werten und zusätzlich die Parameter angefügt.
Ich werde versuchen die Zustandsraumdarstellung in Simulink zu modellieren jedoch kenn ich die Ausgangsglechung y = Cx + Du nicht.
Danke im voraus.
Gruß
Antonio
| Beschreibung: |
|
 Download |
| Dateiname: |
parameter.PNG |
| Dateigröße: |
14.83 KB |
| Heruntergeladen: |
777 mal |
| Beschreibung: |
|
 Download |
| Dateiname: |
verlauf_mit_werte.PNG |
| Dateigröße: |
23.81 KB |
| Heruntergeladen: |
767 mal |
|
|
|
|
| AntonioPom |
Themenstarter

Forum-Anfänger
|
 |
Beiträge: 14
|
 |
|
 |
Anmeldedatum: 05.11.16
|
 |
|
 |
Wohnort: ---
|
 |
|
 |
Version: ---
|
 |
|
|
 |
|
Verfasst am: 12.11.2016, 12:53
Titel:
|
 |
Hallo,
leider komme ich nicht weiter. Kann mir jemand weiter helfen.
Viele Grüße
Antonio
|
|
|
|
| Prof |
Gast
|
 |
Beiträge: ---
|
 |
|
 |
Anmeldedatum: ---
|
 |
|
 |
Wohnort: ---
|
 |
|
 |
Version: ---
|
 |
|
|
 |
|
Verfasst am: 05.12.2016, 17:24
Titel: Schwingen ist normal
|
 |
Hallo,
dass das System schwingt ist normal und richtig!
Die Systemeigenfrequenz und die Dämpfung sind abhängig von der Fahrgeschwindigkeit. Wenn Du v änderst wirst Du bemerken, dass die Dämpfung zu nimmt, unter ~10 m/s schwingt das System nicht mehr sichtbar.
Die Geschwindigkeit sollte übrigens in m/s (SI-Einheiten!) in der Rechnung verarbeitet werden, ich weiss nicht, ob Du die noch irgendwo umrechnest.
Gruß
U. Hoppe
|
|
|
|
|
|
|
Einstellungen und Berechtigungen
|
|
Du kannst Beiträge in dieses Forum schreiben. Du kannst auf Beiträge in diesem Forum antworten. Du kannst deine Beiträge in diesem Forum nicht bearbeiten. Du kannst deine Beiträge in diesem Forum nicht löschen. Du kannst an Umfragen in diesem Forum nicht mitmachen. Du kannst Dateien in diesem Forum posten Du kannst Dateien in diesem Forum herunterladen
|
|
Impressum
| Nutzungsbedingungen
| Datenschutz
| FAQ
| RSS
Hosted by:
Copyright © 2007 - 2026
goMatlab.de | Dies ist keine offizielle Website der Firma The Mathworks
MATLAB, Simulink, Stateflow, Handle Graphics, Real-Time Workshop, SimBiology, SimHydraulics, SimEvents, and xPC TargetBox are registered trademarks and The MathWorks, the L-shaped membrane logo, and Embedded MATLAB are trademarks of The MathWorks, Inc.
|
|