|
|
|
Einträge in der Matrix auswählen |
|
| EteZabel |

Forum-Anfänger
|
 |
Beiträge: 46
|
 |
|
 |
Anmeldedatum: 06.05.09
|
 |
|
 |
Wohnort: ---
|
 |
|
 |
Version: ---
|
 |
|
|
 |
|
Verfasst am: 02.11.2010, 16:13
Titel: Einträge in der Matrix auswählen
|
 |
Hallo,
ich wollte eine Matrix
in Simulink spaltenweise verwenden. Bisher habe ich in einem Gain-Block K(1), K(2) und K(3) versucht. So habe ich aber nur den ersten Wert in der jeweiligen Spalte ausgewählt. Wie kann ich die einzelnen Spalten der Matrix in einem Gain-Block auswählen? Ich will ein Gain-Block für K(1) für erste Spalte der Matrix, usw..
|
|
|
|
|
|
| Phate |

Forum-Guru
|
 |
Beiträge: 283
|
 |
|
 |
Anmeldedatum: 09.11.09
|
 |
|
 |
Wohnort: Stuttgart
|
 |
|
 |
Version: R2008b
|
 |
|
|
 |
|
Verfasst am: 03.11.2010, 09:17
Titel:
|
 |
Hi,
Ich hoff ich hab dich richtig verstanden. Du muss den Gain block mit einem Doppelklick öffnen und dann im Feld Multiplication von Elementwise auf Matrix umstellen.
Grüße
|
|
|
|
| Gast |
Gast
|
 |
Beiträge: ---
|
 |
|
 |
Anmeldedatum: ---
|
 |
|
 |
Wohnort: ---
|
 |
|
 |
Version: ---
|
 |
|
|
 |
|
Verfasst am: 03.11.2010, 11:55
Titel: Matrix auswählen
|
 |
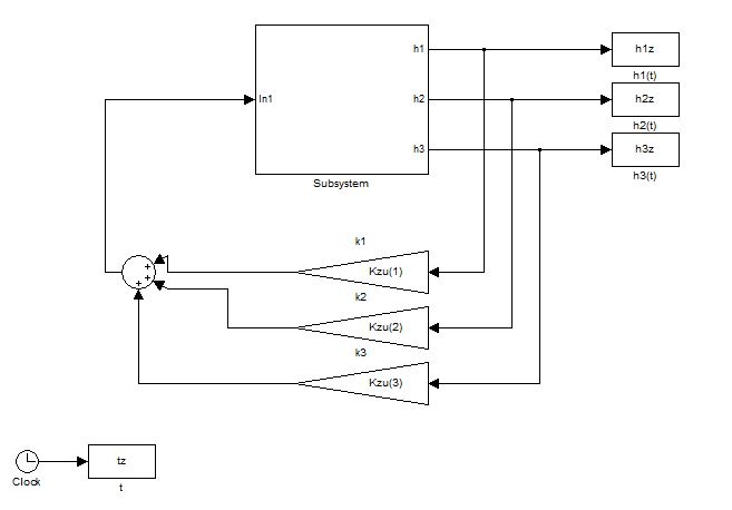
Ich habe Dir mein Strukturbild mal kopiert. Ich möchte meine Zustände (h1...h3) jeweils mit einer Spalte der Matrix multiplizieren. Für die erste Spalte habe ich k(1) mit h1 usw.. Aber mit dieser Methode nehme ich nur drei Werte aus der Matrix und nicht die Spalten.
Weiß jemand Rat?
| Beschreibung: |
|
 Download |
| Dateiname: |
bdiagramm.JPG |
| Dateigröße: |
29.1 KB |
| Heruntergeladen: |
700 mal |
|
|
|
|
|
|
|
Einstellungen und Berechtigungen
|
|
Du kannst Beiträge in dieses Forum schreiben. Du kannst auf Beiträge in diesem Forum antworten. Du kannst deine Beiträge in diesem Forum nicht bearbeiten. Du kannst deine Beiträge in diesem Forum nicht löschen. Du kannst an Umfragen in diesem Forum nicht mitmachen. Du kannst Dateien in diesem Forum posten Du kannst Dateien in diesem Forum herunterladen
|
|
Impressum
| Nutzungsbedingungen
| Datenschutz
| FAQ
| RSS
Hosted by:
Copyright © 2007 - 2026
goMatlab.de | Dies ist keine offizielle Website der Firma The Mathworks
MATLAB, Simulink, Stateflow, Handle Graphics, Real-Time Workshop, SimBiology, SimHydraulics, SimEvents, and xPC TargetBox are registered trademarks and The MathWorks, the L-shaped membrane logo, and Embedded MATLAB are trademarks of The MathWorks, Inc.
|
|