|
|
|
Fehler bei algebraischer Schleife |
|
| micmac.85 |

Forum-Newbie
|
 |
Beiträge: 3
|
 |
|
 |
Anmeldedatum: 10.02.15
|
 |
|
 |
Wohnort: ---
|
 |
|
 |
Version: ---
|
 |
|
|
 |
|
Verfasst am: 11.02.2015, 02:36
Titel: Fehler bei algebraischer Schleife
|
 |
Hallo zusammen,
trotz recherche komme ich bei folgendem (wahrscheinlich trivialen) Problem gerade nicht weiter:
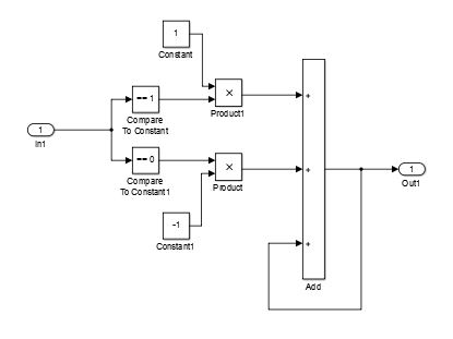
Zum Open-Loop-Testen möchte ich grob den Strom pro Motorphase simulieren (ein sehr, sehr einfaches Model!).
Hierfür wird pro Zeitschritt geschaut, ob ein Mosfet (in diesem Fall In1) 1 oder 0 ist. Bei 1 wird der aktuelle Wert des Stroms um eine Konstante (Constant) erhöht, bei 0 wird der Wert um eine Konstante (Constant1) verringert. Soweit die Theorie... dafür brauche ich natürlich eine algebraische Schleife!
Simulink wirft hier den Error wie im Anhang gezeigt - ein Ändern des Loop-Solvers zu LineSearch wie vorgeschlagen bringt den gleichen Fehler.
Vielen Dank schonmal für die Hilfe!!!
Michael
| Beschreibung: |
|
 Download |
| Dateiname: |
loop.JPG |
| Dateigröße: |
17.49 KB |
| Heruntergeladen: |
608 mal |
| Beschreibung: |
|
 Download |
| Dateiname: |
error.JPG |
| Dateigröße: |
58.29 KB |
| Heruntergeladen: |
616 mal |
|
|
|
|
|
|
| micmac.85 |
Themenstarter

Forum-Newbie
|
 |
Beiträge: 3
|
 |
|
 |
Anmeldedatum: 10.02.15
|
 |
|
 |
Wohnort: ---
|
 |
|
 |
Version: ---
|
 |
|
|
 |
|
Verfasst am: 11.02.2015, 04:31
Titel:
|
 |
Es hat sich mittlerweile geklärt - ein Delay-Block der mir den Wert initialisiert und die Berechnung um eine Schleife verzögert hat die Lösung gebracht!
|
|
|
|
|
|
|
Einstellungen und Berechtigungen
|
|
Du kannst Beiträge in dieses Forum schreiben. Du kannst auf Beiträge in diesem Forum antworten. Du kannst deine Beiträge in diesem Forum nicht bearbeiten. Du kannst deine Beiträge in diesem Forum nicht löschen. Du kannst an Umfragen in diesem Forum nicht mitmachen. Du kannst Dateien in diesem Forum posten Du kannst Dateien in diesem Forum herunterladen
|
|
Impressum
| Nutzungsbedingungen
| Datenschutz
| FAQ
| RSS
Hosted by:
Copyright © 2007 - 2026
goMatlab.de | Dies ist keine offizielle Website der Firma The Mathworks
MATLAB, Simulink, Stateflow, Handle Graphics, Real-Time Workshop, SimBiology, SimHydraulics, SimEvents, and xPC TargetBox are registered trademarks and The MathWorks, the L-shaped membrane logo, and Embedded MATLAB are trademarks of The MathWorks, Inc.
|
|