|
|
|
Fehler bei C-Code-Generierung |
|
| micmac.85 |

Forum-Newbie
|
 |
Beiträge: 3
|
 |
|
 |
Anmeldedatum: 10.02.15
|
 |
|
 |
Wohnort: ---
|
 |
|
 |
Version: ---
|
 |
|
|
 |
|
Verfasst am: 10.02.2015, 06:15
Titel: Fehler bei C-Code-Generierung
|
 |
| |
 |
|
Hallo zusammen,
ich sitze gerade daran einen Motor-Control-Algorithmus in Simulink zu erstellen welchen ich später später auf einem µC zum laufen bringen möchte.
Zum testen des Ganzen wollte ich nun einen kleinen Teil als Code wandeln, hier scheitert es jedoch schon, da Folgende Fehlermeldung auftritt:
"Error: File: C:\Program Files\MatLab\R2014b\rtw\c\tlc\mw\commonentry.tlc Line: 27 Column: 14
The %with directive on this line has no matching %endwith directive"
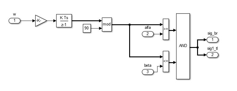
Einen Screenshot der Fehlermeldung sowie des Simulink-Models findet ihr im Anhang!
Das Ganze soll auf einem Infineon-Tricore laufen, dementsprechend sind die Einstellungen für den Code-Generator wiefolgt:
System target file: ert.tlc
Device Vendor: Infineon
Device Type: TriCore.
Zum Generieren des Codes klicke ich dann einfach rechts auf den "Position processing"-Block --> C/C++ Code --> Build this Subsystem.
Vielleicht sieht einer von euch ja den Fehler, den ich hier übersehe...
Viele Grüße,
Michael
| Beschreibung: |
|
 Download |
| Dateiname: |
details.JPG |
| Dateigröße: |
23.07 KB |
| Heruntergeladen: |
561 mal |
| Beschreibung: |
|
 Download |
| Dateiname: |
overview.JPG |
| Dateigröße: |
15.29 KB |
| Heruntergeladen: |
554 mal |
| Beschreibung: |
|
 Download |
| Dateiname: |
error.jpg |
| Dateigröße: |
87.81 KB |
| Heruntergeladen: |
539 mal |
|
|
|
|
|
|
|
|
|
Einstellungen und Berechtigungen
|
|
Du kannst Beiträge in dieses Forum schreiben. Du kannst auf Beiträge in diesem Forum antworten. Du kannst deine Beiträge in diesem Forum nicht bearbeiten. Du kannst deine Beiträge in diesem Forum nicht löschen. Du kannst an Umfragen in diesem Forum nicht mitmachen. Du kannst Dateien in diesem Forum posten Du kannst Dateien in diesem Forum herunterladen
|
|
Impressum
| Nutzungsbedingungen
| Datenschutz
| FAQ
| RSS
Hosted by:
Copyright © 2007 - 2025
goMatlab.de | Dies ist keine offizielle Website der Firma The Mathworks
MATLAB, Simulink, Stateflow, Handle Graphics, Real-Time Workshop, SimBiology, SimHydraulics, SimEvents, and xPC TargetBox are registered trademarks and The MathWorks, the L-shaped membrane logo, and Embedded MATLAB are trademarks of The MathWorks, Inc.
|
|