|
|
| HansP |
Gast
|
 |
Beiträge: ---
|
 |
|
 |
Anmeldedatum: ---
|
 |
|
 |
Wohnort: ---
|
 |
|
 |
Version: ---
|
 |
|
|
 |
|
Verfasst am: 13.08.2012, 15:41
Titel: Flanken pro Sekunde
|
 |
Hallo Zusammen!
Ich möchte gerne von einem Rechtecksignal in Simulink die Flanken pro Sekunde zählen. Wie ist das am schnellsten zu bewerkstelligen? Die Flanken zähle ich mit einem Counter aber das "pro Sekunde" macht mir Schwierigkeiten.
Schonmal vielen Dank
HP
|
|
|
|
|
|
| Phate |

Forum-Guru
|
 |
Beiträge: 283
|
 |
|
 |
Anmeldedatum: 09.11.09
|
 |
|
 |
Wohnort: Stuttgart
|
 |
|
 |
Version: R2008b
|
 |
|
|
 |
|
Verfasst am: 14.08.2012, 08:22
Titel:
|
 |
Huhu,
Hilft dir der Block "Clock" weiter? Der gibt dir soweit ich mich erinnere die Simulationszeit zurück, bzw. kann auch einfach über ein Triggersiganl angestuert werden.
Grüße
|
|
|
|
| HansP |
Gast
|
 |
Beiträge: ---
|
 |
|
 |
Anmeldedatum: ---
|
 |
|
 |
Wohnort: ---
|
 |
|
 |
Version: ---
|
 |
|
|
 |
|
Verfasst am: 14.08.2012, 10:51
Titel:
|
 |
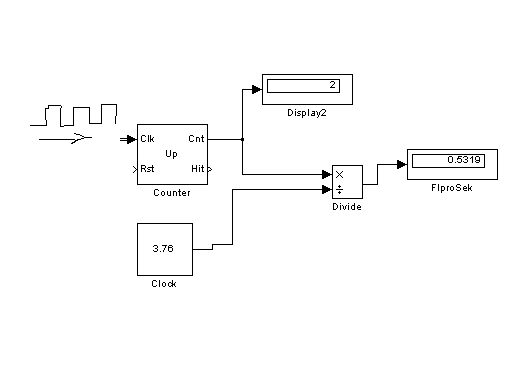
Vielen Dank für deine Antwort. Hab es jetzt mal mit Clock versucht. Das Problem ist jetzt jedoch, dass ich eine relativ lange Ermittlungszeit habe wenn ich die "Flanken pro Sekunde" erhöhe. Wie es momentan aussieht siehst du im Anhang.
Wie wär es deiner/eurer Meinung nach am einfachsten die Flanken pro Sekunde zu ermitteln?
Vielen Dank
HP
| Beschreibung: |
|
 Download |
| Dateiname: |
Counter.PNG |
| Dateigröße: |
7.4 KB |
| Heruntergeladen: |
799 mal |
|
|
|
|
| HansP |
Gast
|
 |
Beiträge: ---
|
 |
|
 |
Anmeldedatum: ---
|
 |
|
 |
Wohnort: ---
|
 |
|
 |
Version: ---
|
 |
|
|
 |
|
Verfasst am: 14.08.2012, 10:58
Titel:
|
 |
O.k. es schoss mir gerade! Ich glaub ich könnte einfach den Counter jede Sekunde resetten und mir das Maximum merken. Wird sofort versucht.
MfG
|
|
|
|
| HansP |
Gast
|
 |
Beiträge: ---
|
 |
|
 |
Anmeldedatum: ---
|
 |
|
 |
Wohnort: ---
|
 |
|
 |
Version: ---
|
 |
|
|
 |
|
Verfasst am: 14.08.2012, 12:32
Titel:
|
 |
Wenn die Fundamental Step Size beim Solver auf Auto ist -> wie kann ich bestimmen wie groß er sie gewählt hat?
Vielen Dank
HP
|
|
|
|
| Phate |

Forum-Guru
|
 |
Beiträge: 283
|
 |
|
 |
Anmeldedatum: 09.11.09
|
 |
|
 |
Wohnort: Stuttgart
|
 |
|
 |
Version: R2008b
|
 |
|
|
 |
|
Verfasst am: 14.08.2012, 15:47
Titel:
|
 |
Hi,
Soweit ich weis garnicht bei den Solvern mit variabler Schrittweite. Diese passet sich während der simulation ja an. Ich wüsste grade keine Möglichkeit diese zu bekommen.
Kannst du keinen mit fester Schrittweite wählen?
Grüße
|
|
|
|
| HansP |
Gast
|
 |
Beiträge: ---
|
 |
|
 |
Anmeldedatum: ---
|
 |
|
 |
Wohnort: ---
|
 |
|
 |
Version: ---
|
 |
|
|
 |
|
Verfasst am: 15.08.2012, 13:33
Titel:
|
 |
Sorry mit noch etwas Grün hinter den Ohren was Simulink betrifft. Nach welchen Kriterien wähle ich die Step-Size?
thx
HP
|
|
|
|
| Phate |

Forum-Guru
|
 |
Beiträge: 283
|
 |
|
 |
Anmeldedatum: 09.11.09
|
 |
|
 |
Wohnort: Stuttgart
|
 |
|
 |
Version: R2008b
|
 |
|
|
 |
|
Verfasst am: 15.08.2012, 16:39
Titel:
|
 |
Hallo,
Auf die Frage gibt es leider keine pauschale Antwort. Das hängt sehr starkt von deinem Problem ab das du lösen möchtest (zB Steifes System -> Eigenwerte liegen sehr weit auseinander) und auch von dem gewählten Lösungsverfahren.
Eventuell hilft dir die Matlab Hilfe zu den solvern weiter. Ansonsten mal einfach ausprobieren (zB 0.01s) und Ergebnisse bewerten
Grüße
|
|
|
|
|
|
|
Einstellungen und Berechtigungen
|
|
Du kannst Beiträge in dieses Forum schreiben. Du kannst auf Beiträge in diesem Forum antworten. Du kannst deine Beiträge in diesem Forum nicht bearbeiten. Du kannst deine Beiträge in diesem Forum nicht löschen. Du kannst an Umfragen in diesem Forum nicht mitmachen. Du kannst Dateien in diesem Forum posten Du kannst Dateien in diesem Forum herunterladen
|
|
Impressum
| Nutzungsbedingungen
| Datenschutz
| FAQ
| RSS
Hosted by:
Copyright © 2007 - 2026
goMatlab.de | Dies ist keine offizielle Website der Firma The Mathworks
MATLAB, Simulink, Stateflow, Handle Graphics, Real-Time Workshop, SimBiology, SimHydraulics, SimEvents, and xPC TargetBox are registered trademarks and The MathWorks, the L-shaped membrane logo, and Embedded MATLAB are trademarks of The MathWorks, Inc.
|
|