|
|
|
Füllstandsmessung mittels PT1-Glied? (LaView) |
|
| UTD153 |

Forum-Newbie
|
 |
Beiträge: 1
|
 |
|
 |
Anmeldedatum: 27.02.15
|
 |
|
 |
Wohnort: ---
|
 |
|
 |
Version: ---
|
 |
|
|
 |
|
Verfasst am: 27.02.2015, 15:18
Titel: Füllstandsmessung mittels PT1-Glied? (LaView)
|
 |
| |
 |
|
Hallo,
Ich bin Student und habe mit Ach-und-Krach die Systemanalyse und Regelungstechnik-Klausur bestanden. Es steht aber noch eine Projektarbeit in diesem Fach aus. Dieses läuft schon das vergangene Semester und April ist Abgabe des Berichtes. Ich weiß es ist nicht MATLAB, aber hier geht es nict um Programmierfragen, sondern mehr um eine fachliche Frage, daher erhoffe ich mir schnell Hilfe. Vielen Dank im Vorraus
Hier die Aufgabe:
Entwicklung einer Regelung mit Hilfe von LabView und myDAQ für eine Modellanlage zum Einsatz im Praktikum
-Mathematische Beschreibung der statischen und dynamischen Systemeigenschaften der Modellanlage
-Entwicklung einer geeigneten Regelung für die Modellanlage
-Aufbau eines Regelsystems mit Hilfe von LabView und MyDAQ.
Kurze Beschreibung des Modells:
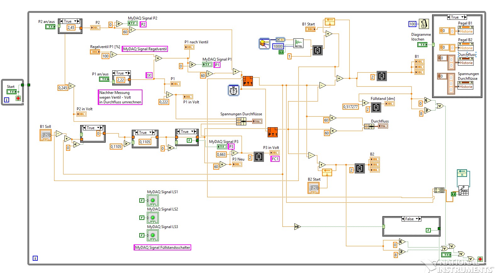
Es sind zwei Behälter die über drei Pumpen miteinander verbunden sind. P1 und P2 bilden den zuführenden, P3 den abführenden Volumenstrom in Behälter 1. Die Leistung von P3 ist dimmbar/regelbar. P1 und P2 sind Festwerte oder Aus.
Mein Problem ist jetzt, dass mir absolut klar ist, dass man hier einen I-Regler verwenden muss. In meiner LabView-Programmierung funktioniert aber die Berechnung nicht mehr, wenn ich ein simples Integral für die Volumenströme benutze. Stattdessen, sobald ich ein vorprogrammiertes PT1-Glied verwende, klappt es wunderbar. Allerdings ändert sich da ja dann die mathematische Formel/Beschreibung.
Ich habe leider nicht das KnowHow um mir das selbst oder aus den mir vorliegenden Unterlagen zu erklären.
Und auch das www in dem ich seit nun 2 Wochen mehr oder weniger nur nach dieser Antwort suche, verwirrt mich mehr, als das es hilft.
Ich werde gleich mal noch die Schaltpläne hochladen. Die ganzen Umrechnungen bitte einfach ignorieren, die verwirren sonst nur.
PS: Da die LabView-Version mit dem Add-On für den MyDAQ nur im Labor verfügbar ist, werden in dieser Schaltung die Werte natürlich nur simuliert. Die Schnittstellen werden dann vor Ort programmiert gegen Ende des Projektes.
| Beschreibung: |
|
 Download |
| Dateiname: |
ScreenHunter_04 Feb. 27 10.31.jpg |
| Dateigröße: |
22.32 KB |
| Heruntergeladen: |
986 mal |
| Beschreibung: |
|
 Download |
| Dateiname: |
ScreenHunter_03 Feb. 27 10.31.jpg |
| Dateigröße: |
212.38 KB |
| Heruntergeladen: |
978 mal |
|
|
|
|
|
|
|
|
|
Einstellungen und Berechtigungen
|
|
Du kannst Beiträge in dieses Forum schreiben. Du kannst auf Beiträge in diesem Forum antworten. Du kannst deine Beiträge in diesem Forum nicht bearbeiten. Du kannst deine Beiträge in diesem Forum nicht löschen. Du kannst an Umfragen in diesem Forum nicht mitmachen. Du kannst Dateien in diesem Forum posten Du kannst Dateien in diesem Forum herunterladen
|
|
Impressum
| Nutzungsbedingungen
| Datenschutz
| FAQ
| RSS
Hosted by:
Copyright © 2007 - 2026
goMatlab.de | Dies ist keine offizielle Website der Firma The Mathworks
MATLAB, Simulink, Stateflow, Handle Graphics, Real-Time Workshop, SimBiology, SimHydraulics, SimEvents, and xPC TargetBox are registered trademarks and The MathWorks, the L-shaped membrane logo, and Embedded MATLAB are trademarks of The MathWorks, Inc.
|
|