|
|
|
For-each und mux mit sofortigem demux funktionieren nicht... |
|
| Kahitar |

Forum-Newbie
|
 |
Beiträge: 4
|
 |
|
 |
Anmeldedatum: 12.09.15
|
 |
|
 |
Wohnort: ---
|
 |
|
 |
Version: ---
|
 |
|
|
 |
|
Verfasst am: 12.09.2015, 11:32
Titel: For-each und mux mit sofortigem demux funktionieren nicht...
|
 |
| |
 |
|
Edit: Wenn sich jemand bereit erklärt, sich mit dem Problem auseinander zu setzen, könnte ich demjenigen über einen Stream das Problem genau erläutern. Dann sollte es besser verständlich sein!
Ich würde keine Wunder erwarten! Wenn derjenige keine Lust mehr hat, sich damit auseinander zu setzen, nachdem ich es erklärt habe, wäre das kein Problem
Zu diesem Zweck kannst DU mich einfach auf Skype adden: Kahitar92
oder hier Bescheid sagen, dann schicke ich den Link vom stream.
Servus,
dies ist schon mein zweiter Thread innerhalb kürzester Zeit. Da es sich aber um vollkommen unterschiedliche Probleme handelt, hoffe ich, dass das kein Problem ist? Oder sollte ich das hier auch in den anderen Thread packen?
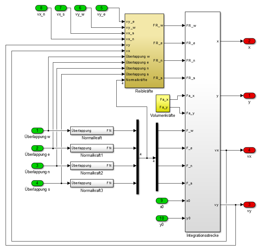
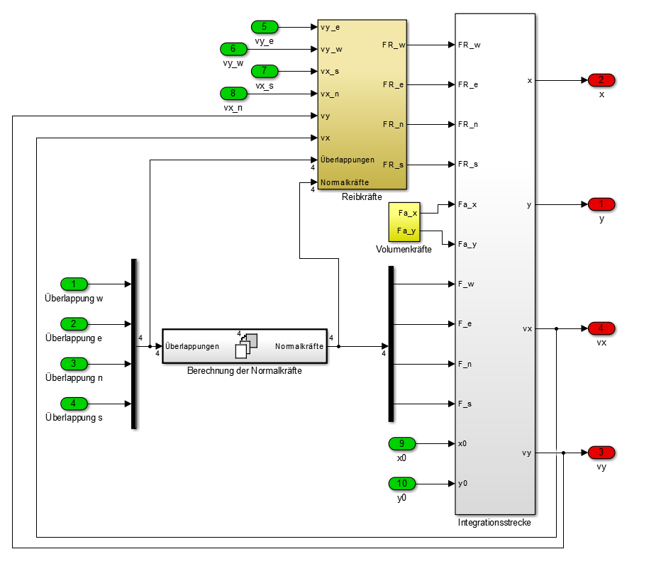
Ich habe ein ziemlich komplexes Modell, was deswegen hier nicht mit euch teilen kann. Im Anhang habe ich aber zwei Screenshots. Der erste zeigt "So funktioniert es" und der zweite zeigt "So soll es aussehen". Der 2. Screenshot ist aus einem seperaten Modell, in dem ich auf die Eingänge 1-4 jeweils eine Konstante gegeben habe und wo die restlichen Eingänge null sind. Hier funktioniert alles tadellos!
Die zwei Probleme sind:
1. Wie ihr seht führe ich die Signale von den Input ports 1 bis 4 einzeln in das Subsystem "Reibkräfte". Ich würde gerne dafür einen Mux-Block benutzen, dann dass entstandene Signal in den Block "Reibkräfte" führen und in disem Block sofort wieder einen Demux-Block benutzen, um das Signal wieder aufzuteilen.
Das ganze würde genau so aussehen, wie ich aus danach mit den Signalen gemacht habe, die in den Reibkraft-Block in den Input "Normalkräfte" gehen.
Allerdings funktioniert das einfach nicht. Ich bekomme "Dimension"-Errors... Die Mux- und Demux-Blöcke habe ich von dem Signal, wo es funktioniert, kopiert. Also bin ich mir ziemlich sicher, dass ich keinen Fehler eingebaut habe...
2. Ich kann für die Berechnung der vier Normalkräfte kein For-each-Subsystem benutzen. Ich habe die Überlappungen mit einem Mux-Block zusammengeführt und die Normalkraft in einem For-each-Block dann berechnet. Allerdings kommen auch hier "Dimensionsfehler"...
Ich weiß, das ganze ist sehr umständlich und wahrscheinlich schwer zu verstehen. Aber ich weiß nicht, wie ich es sonst mit euch teilen soll und ich verzweifle etwas an dem Problem, weil ich einfach nicht sehe, dass ich irgendwo einen Fehler gemacht habe. Ich habe das Gefühl, da macht Matlab Probleme, vllt. weil mein Modell einfach zu komplex ist...
Lg.
| Beschreibung: |
| So funktioniert das Modell. Aber es soll so aussehen wie im anderen Screenshot. |
|
 Download |
| Dateiname: |
So funktioniert es.PNG |
| Dateigröße: |
62.17 KB |
| Heruntergeladen: |
585 mal |
| Beschreibung: |
| So soll es aussehen. Funktionieren tut es so nur in einem seperaten Modell mit Konstanten für die Eingänge 1-4 und null für die restlichen Eingänge |
|
 Download |
| Dateiname: |
So soll es aussehen.PNG |
| Dateigröße: |
54.49 KB |
| Heruntergeladen: |
599 mal |
|
|
|
|
|
|
|
|
|
Einstellungen und Berechtigungen
|
|
Du kannst Beiträge in dieses Forum schreiben. Du kannst auf Beiträge in diesem Forum antworten. Du kannst deine Beiträge in diesem Forum nicht bearbeiten. Du kannst deine Beiträge in diesem Forum nicht löschen. Du kannst an Umfragen in diesem Forum nicht mitmachen. Du kannst Dateien in diesem Forum posten Du kannst Dateien in diesem Forum herunterladen
|
|
Impressum
| Nutzungsbedingungen
| Datenschutz
| FAQ
| RSS
Hosted by:
Copyright © 2007 - 2026
goMatlab.de | Dies ist keine offizielle Website der Firma The Mathworks
MATLAB, Simulink, Stateflow, Handle Graphics, Real-Time Workshop, SimBiology, SimHydraulics, SimEvents, and xPC TargetBox are registered trademarks and The MathWorks, the L-shaped membrane logo, and Embedded MATLAB are trademarks of The MathWorks, Inc.
|
|