|
|
|
Funktion aus der Anzahl an Entitys in einer Queue |
|
| Rüdiger |

Forum-Newbie
|
 |
Beiträge: 1
|
 |
|
 |
Anmeldedatum: 21.06.21
|
 |
|
 |
Wohnort: ---
|
 |
|
 |
Version: ---
|
 |
|
|
 |
|
Verfasst am: 21.06.2021, 18:23
Titel: Funktion aus der Anzahl an Entitys in einer Queue
|
 |
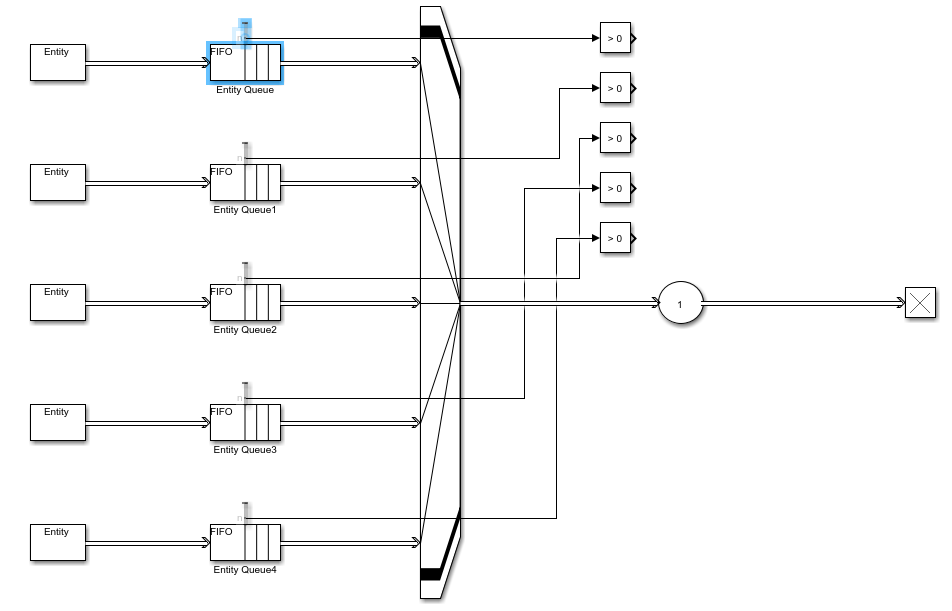
Hi. Ich will ein Modell für einen Aufzug mit Simevents erstellen, bei dem ich zu gewissen Zeitpunkten abfragen kann, ob im jeweiligen Geschoss eine Person auf einen Aufzug wartet. Meine Idee war, dass ich die Anzahl an Entitys im Block mit einer Konstante vergleiche (mit einem "compare to constant block") und das Ergebnis daraus als Eingangswert für eine Funktion verwende. Jedoch weiß ich ab diesem Punkt nicht mehr weiter.
Im Anhang befindet sich eine Grafik, die oben beschriebenes darstellt.
Vielen Dank im voraus!
| Beschreibung: |
|
 Download |
| Dateiname: |
Aufzug.png |
| Dateigröße: |
32.77 KB |
| Heruntergeladen: |
509 mal |
|
|
|
|
|
|
|
|
|
Einstellungen und Berechtigungen
|
|
Du kannst Beiträge in dieses Forum schreiben. Du kannst auf Beiträge in diesem Forum antworten. Du kannst deine Beiträge in diesem Forum nicht bearbeiten. Du kannst deine Beiträge in diesem Forum nicht löschen. Du kannst an Umfragen in diesem Forum nicht mitmachen. Du kannst Dateien in diesem Forum posten Du kannst Dateien in diesem Forum herunterladen
|
|
Impressum
| Nutzungsbedingungen
| Datenschutz
| FAQ
| RSS
Hosted by:
Copyright © 2007 - 2026
goMatlab.de | Dies ist keine offizielle Website der Firma The Mathworks
MATLAB, Simulink, Stateflow, Handle Graphics, Real-Time Workshop, SimBiology, SimHydraulics, SimEvents, and xPC TargetBox are registered trademarks and The MathWorks, the L-shaped membrane logo, and Embedded MATLAB are trademarks of The MathWorks, Inc.
|
|