|
|
| Calle |

Forum-Century
|
 |
Beiträge: 145
|
 |
|
 |
Anmeldedatum: 08.02.11
|
 |
|
 |
Wohnort: ---
|
 |
|
 |
Version: ---
|
 |
|
|
 |
|
Verfasst am: 13.06.2013, 13:11
Titel: Fuzzy-Regelung
|
 |
Hallo,
ich möchte einen Regler machen, wo eine Eingangsgröße der Winkel ist. Mein Winkelkreis sieht so aus, dass ich oben 0°, im Uhrzeigersinn den Winkel Positiv hochzählen und unten 180° habe. jetzt möchte ich aber, dass ich von 0° gegen den Uhrzeigersinn negativ zähle. Beim Regler habe ich werte von -180° bis +180°. Ist es nun möglich, dem Regler irgendwie so zu machen, dass wenn er über 180° kommt bei -180° weiter macht?
also
(..., 177°, 178°, 179°, 180°, -179°, -178°,...)
genauso mit dem Nulldurchgang
(..., 2°, 1° ,0° ,-1° ,-2°,...)
und anders herum natürlich genau so.
gruß
|
|
|
|
|
|
| Sp0b1e |

Forum-Anfänger
|
 |
Beiträge: 26
|
 |
|
 |
Anmeldedatum: 26.09.13
|
 |
|
 |
Wohnort: ---
|
 |
|
 |
Version: 2011a und 2013a
|
 |
|
|
 |
|
Verfasst am: 27.09.2013, 23:31
Titel:
|
 |
| |
 |
|
Hallo Calle,
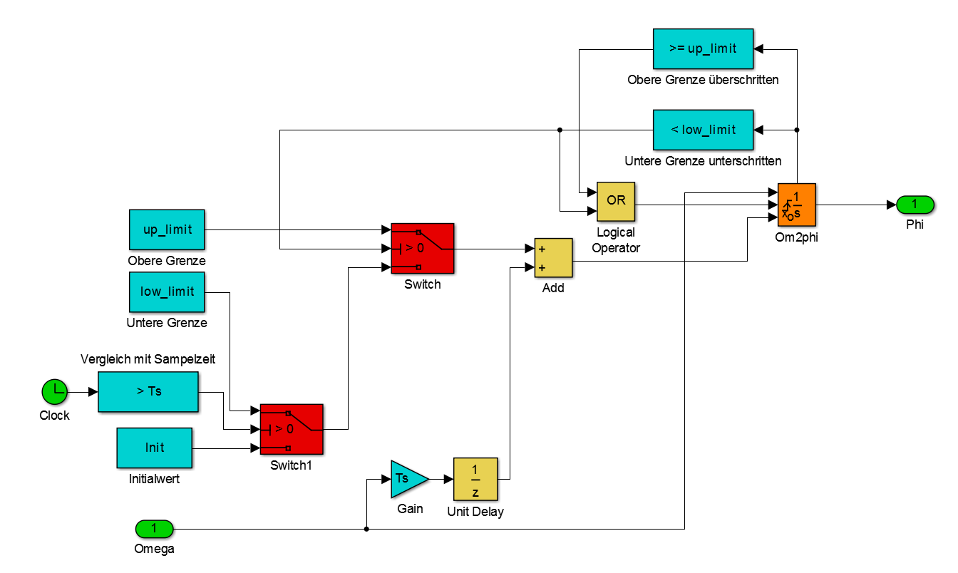
ich bin mir nicht ganz sicher was du damit meinst im Regler diese Änderung durchzuführen. Ich denke mal du hast in Simulink ein Modell der Streckendynamik, wobei der Winkel durch Integration einer Winkelgeschwindigkeit gebildet wird. Wenn das der Fall ist, könnte man einen Integrator mit WrapAround (weiß nicht ob dieses Wort existiert andernfalls habe ich es soeben erfunden) einsetzen. Dieser bekommt ein Rücksetzsignal wenn er den oberen bzw. untern Schwellwert über- bzw. unterschreitet. So mach ich das zumindest immer. Im Bereich des Nulldurchganges ist das gewünschte Verhalten ja ohnehin schon vorhanden. Ich häng dir mal meine Impelentierung des Integratos mit WrapAround an.
Ich hoffe ich konnte helfen.
| Beschreibung: |
| So könnte die Implementierung aussehen. Bis jetzt hat das bei mir sehr gut funktioniert. |
|
 Download |
| Dateiname: |
Integrator_mit_WrapAround.PNG |
| Dateigröße: |
66.78 KB |
| Heruntergeladen: |
1317 mal |
| Beschreibung: |
| Nach Maskieren und Fertig ist der Integrator mit WrapAround. |
|
 Download |
| Dateiname: |
Integrator_mit_WrapAround_Maske.PNG |
| Dateigröße: |
19.19 KB |
| Heruntergeladen: |
1302 mal |
|
|
|
|
|
|
|
Einstellungen und Berechtigungen
|
|
Du kannst Beiträge in dieses Forum schreiben. Du kannst auf Beiträge in diesem Forum antworten. Du kannst deine Beiträge in diesem Forum nicht bearbeiten. Du kannst deine Beiträge in diesem Forum nicht löschen. Du kannst an Umfragen in diesem Forum nicht mitmachen. Du kannst Dateien in diesem Forum posten Du kannst Dateien in diesem Forum herunterladen
|
|
Impressum
| Nutzungsbedingungen
| Datenschutz
| FAQ
| RSS
Hosted by:
Copyright © 2007 - 2026
goMatlab.de | Dies ist keine offizielle Website der Firma The Mathworks
MATLAB, Simulink, Stateflow, Handle Graphics, Real-Time Workshop, SimBiology, SimHydraulics, SimEvents, and xPC TargetBox are registered trademarks and The MathWorks, the L-shaped membrane logo, and Embedded MATLAB are trademarks of The MathWorks, Inc.
|
|