|
|
|
Geschwindigkeitsmessung mit Inkrementalgeber |
|
| Kalifant |

Forum-Newbie
|
 |
Beiträge: 4
|
 |
|
 |
Anmeldedatum: 13.01.14
|
 |
|
 |
Wohnort: ---
|
 |
|
 |
Version: ---
|
 |
|
|
 |
|
Verfasst am: 12.06.2014, 19:03
Titel: Geschwindigkeitsmessung mit Inkrementalgeber
|
 |
| |
 |
|
Hallo ihr Lieben!!!
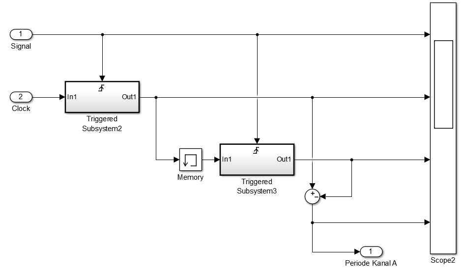
Ich möchte aus dem Signal eines Inkrementalgebers (zwei Kanäle um 90° Phasenversetzt, jenachdem ob vorwärts oder rückwärts gefahren wird) die Geschwindigkeit von einem Fahrzeug bestimmen. Ich hoffe ihr könnt mir dabei weiterhelfen
Dazu muss ich ja die Periodendauer von dem Signal bestimmen. Ich habe das versucht mit zwei getriggerten Subsysthemen zu realisieren (im angehängten Bild zu sehen) aber dabei kommt es bei mir schon zu solchen Ungenauigkeiten, dass ich mit der "gemessenen" Periodendauer nicht weiterrechnen kann.
Die eigentliche Periodendauer liegt im Milisekundenbereich (oder kleiner).
(Ich habe das ganze schon mit mehreren Solver-Optionen ausprobiert habe aber immer Fehler gehabt.)
Hat jemand eine Idee wie ich, die Periodendauer genau messen kann, bzw. wie man einen Inkrementalgeber generell in Simulink realisieren kann?
Vielen Dank jetzt schonmal
| Beschreibung: |
|
 Download |
| Dateiname: |
Simulink_Periodendauer_messen.PNG |
| Dateigröße: |
24.22 KB |
| Heruntergeladen: |
643 mal |
|
|
|
|
|
|
| dmjr |

Forum-Century
|
 |
Beiträge: 199
|
 |
|
 |
Anmeldedatum: 02.10.12
|
 |
|
 |
Wohnort: ---
|
 |
|
 |
Version: ---
|
 |
|
|
 |
|
Verfasst am: 12.06.2014, 21:30
Titel:
|
 |
Ich würde beide Signale als Trigger für das Subsystem nehmen. Da gehen dann einerseits die Flanken [1,0] [0,1] [-1,0] [0,-1] ein, andererseits kannst du noch das aktuelle Signal reinziehen [1,0] [1,1] [0,1] [0,0]. So sind 4 Zeitpunkte für eine viertel Drehung vorwärts definiert. Für Rückwärts sind die Flanken entsprechend [0,1] [1,0] [0,-1] [-1,0] und die Signale [0,1] [1,1] [1,0] [0,0].
Es gibt also genau einen Input aus 4 Bits was 8 Möglichkeiten ergibt- Bei vieren davon muss die Ausgabe um 1/4 Drehung vorwärts, für die anderen vier um 1/4 Drehung rückwärts gesetzt werden.
|
|
|
|
| Kalifant |
Themenstarter

Forum-Newbie
|
 |
Beiträge: 4
|
 |
|
 |
Anmeldedatum: 13.01.14
|
 |
|
 |
Wohnort: ---
|
 |
|
 |
Version: ---
|
 |
|
|
 |
|
Verfasst am: 13.06.2014, 10:20
Titel:
|
 |
Danke für die schnelle Antwort, so werde ich das Vorwärts- und Rückwärtsfahren unterscheiden können, ich probiere es gleich mal aus.
Allerdings brauche ich trotzdem noch eine Zeit als Referenz, wenn die Geschwindigkeit bestimmt werden soll. Ich würde dafür die Periodendauer von dem Signal aus Kanal A verwenden, also die Zeit bestimmen zwischen zwei aufeinanderfolgenden aufsteigenden Flanken. Und dabei bräuchte ich nochmal Hilfe, da es bei mir da wie gesagt zu ziemlich starken Ungenauigkeiten kommt...
|
|
|
|
| dmjr |

Forum-Century
|
 |
Beiträge: 199
|
 |
|
 |
Anmeldedatum: 02.10.12
|
 |
|
 |
Wohnort: ---
|
 |
|
 |
Version: ---
|
 |
|
|
 |
|
Verfasst am: 13.06.2014, 12:48
Titel:
|
 |
|
Mir ist die Quelle für die Ungenauigkeit noch nicht ganz klar. Wenn du die Flanken detektierst, dann wird dein Subsystem jede 1/4 Umdrehung getriggert und damit gibt die Zeitspanne zwischen zwei Auslösungen die Zeit für 1/4 Umdehungen und damit die Geschwindigkeit an.
|
|
|
|
| Kalifant |
Themenstarter

Forum-Newbie
|
 |
Beiträge: 4
|
 |
|
 |
Anmeldedatum: 13.01.14
|
 |
|
 |
Wohnort: ---
|
 |
|
 |
Version: ---
|
 |
|
|
 |
|
Verfasst am: 13.06.2014, 18:55
Titel:
|
 |
| |
 |
|
Ich habe jetzt mal das Bild von der Scope aus der Messung der Periodendauer (mein erster Post) angehängt und ein bisschen reingezoomt, damit man die Ungenauigkeit sieht, woher diese Ungenauigkeit kommt, weiß ich wie gesagt auch nicht.
Bild 2 zeigt mein gesamtes System für die Messung der Geschwindigkeit und Bild 3 wieder die Scope. Hier sieht man wie extrem der Fehler ist, wenn er bei einer einfachen Division solche Ausmaße hat...
PS: Die Periodendauer ist nicht die gleiche Zeit, die das Rad für eine Umdrehung braucht. Insgesamt liefert der Sensor 1567 Impulse (aufsteigende und absteigende Flanken von Signalen aus beiden Kanälen), das sollte aber an der Funktionsweise der Geschwindigkeitsbestimmung keinen Unterschied machen.
| Beschreibung: |
|
 Download |
| Dateiname: |
Scope_Periodendauer_messen.PNG |
| Dateigröße: |
35.22 KB |
| Heruntergeladen: |
604 mal |
| Beschreibung: |
|
 Download |
| Dateiname: |
Simulink_Geschwindigkeitsmessung.PNG |
| Dateigröße: |
28.8 KB |
| Heruntergeladen: |
618 mal |
| Beschreibung: |
|
 Download |
| Dateiname: |
Scope_Geschwindigkeitsmessung.PNG |
| Dateigröße: |
42.58 KB |
| Heruntergeladen: |
589 mal |
|
|
|
|
| dmjr |

Forum-Century
|
 |
Beiträge: 199
|
 |
|
 |
Anmeldedatum: 02.10.12
|
 |
|
 |
Wohnort: ---
|
 |
|
 |
Version: ---
|
 |
|
|
 |
|
Verfasst am: 13.06.2014, 19:13
Titel:
|
 |
Schau mal auf die Achse, deine Geschwindigkeit ist sozusagen konstant. Der Wertebereit geht von 0,0689 bis 0,0689
Falls dich die Details für die minimalen Ungenauigkeiten interessieren: Wikipedia zu Gleitkommazahl und Matlab-Doku zu der Funktion "eps"
|
|
|
|
| Kalifant |
Themenstarter

Forum-Newbie
|
 |
Beiträge: 4
|
 |
|
 |
Anmeldedatum: 13.01.14
|
 |
|
 |
Wohnort: ---
|
 |
|
 |
Version: ---
|
 |
|
|
 |
|
Verfasst am: 13.06.2014, 22:47
Titel:
|
 |
Oh , das ist mir um ehrlich zu sein wirklich nicht aufgefallen
Danke für deine Hilfe!
Ich glaube ich hätte da noch ewig nach einem Fehler gesucht, jetzt probier ich mal so weiter zu machen... Ich bin mal gespannt, wohin das noch führt, ob sich da noch "richtige Ungenauigkeiten" ergeben, wenn ich mit der Geschwindigkeit weiterrechne...
|
|
|
|
|
|
|
Einstellungen und Berechtigungen
|
|
Du kannst Beiträge in dieses Forum schreiben. Du kannst auf Beiträge in diesem Forum antworten. Du kannst deine Beiträge in diesem Forum nicht bearbeiten. Du kannst deine Beiträge in diesem Forum nicht löschen. Du kannst an Umfragen in diesem Forum nicht mitmachen. Du kannst Dateien in diesem Forum posten Du kannst Dateien in diesem Forum herunterladen
|
|
Impressum
| Nutzungsbedingungen
| Datenschutz
| FAQ
| RSS
Hosted by:
Copyright © 2007 - 2026
goMatlab.de | Dies ist keine offizielle Website der Firma The Mathworks
MATLAB, Simulink, Stateflow, Handle Graphics, Real-Time Workshop, SimBiology, SimHydraulics, SimEvents, and xPC TargetBox are registered trademarks and The MathWorks, the L-shaped membrane logo, and Embedded MATLAB are trademarks of The MathWorks, Inc.
|
|