|
|
|
Hilfe bei elektortherm. Modellbild. in Simulink, algeb Loop |
|
| Bastiba |

Forum-Anfänger
|
 |
Beiträge: 10
|
 |
|
 |
Anmeldedatum: 09.03.17
|
 |
|
 |
Wohnort: ---
|
 |
|
 |
Version: ---
|
 |
|
|
 |
|
Verfasst am: 09.03.2017, 13:39
Titel: Hilfe bei elektortherm. Modellbild. in Simulink, algeb Loop
|
 |
Hallo zusammen,
ich habe ein Problem mit meinem Simulink Modell.
Die Funktion ist soweit gegeben aber ich bekomme die algebraische Schleife nicht weg.
Modell:
elektrothermische Modellbildung und thermische Simulation.
z.B. Stromschiene und Schütz sollen miteinander kommunizieren.
Ich hoffe meine Angaben sind nicht zu schwammig.
Gruß
Basti
|
|
|
|
|
|
| Friidayy |

Forum-Century
|
 |
Beiträge: 225
|
 |
|
 |
Anmeldedatum: 17.12.13
|
 |
|
 |
Wohnort: ---
|
 |
|
 |
Version: R2012b
|
 |
|
|
 |
|
Verfasst am: 09.03.2017, 16:24
Titel:
|
 |
|
|
|
| Bastiba |
Themenstarter

Forum-Anfänger
|
 |
Beiträge: 10
|
 |
|
 |
Anmeldedatum: 09.03.17
|
 |
|
 |
Wohnort: ---
|
 |
|
 |
Version: ---
|
 |
|
|
 |
|
Verfasst am: 09.03.2017, 17:02
Titel:
|
 |
Haha :D
danke schonmal für die Antwort.
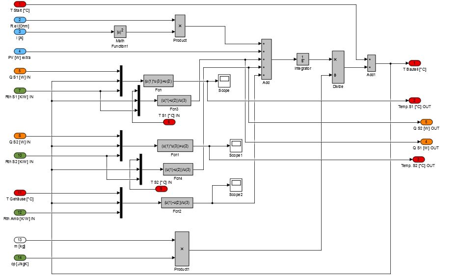
Ich hätte ein Bild von meinem Modell. vielleicht ist es so etwas einfacher.
Auf dem Bild sieht man ein Bauteil. An diesem sind noch ein paar BT nach dem gleichen Prinzip aufgebaut.
Wie schon erwähnt ist die fkt gegeben, aber in Matlab wird mir die Fehlermeldung algebraic loop angezeigt.
Ich hab schon versucht einen delay oder memory einzubauen. Ohne erfolg leider.
Gruß
| Beschreibung: |
|
 Download |
| Dateiname: |
Unbenannt.JPG |
| Dateigröße: |
62.76 KB |
| Heruntergeladen: |
564 mal |
|
|
|
|
| Friidayy |

Forum-Century
|
 |
Beiträge: 225
|
 |
|
 |
Anmeldedatum: 17.12.13
|
 |
|
 |
Wohnort: ---
|
 |
|
 |
Version: R2012b
|
 |
|
|
 |
|
Verfasst am: 09.03.2017, 17:15
Titel:
|
 |
|
hast du schon verschiedene solver-einstellungen ausprobiert? variier mal fixed/variable sowie minStep/stepsize/usw.
|
|
|
|
| Bastiba |
Themenstarter

Forum-Anfänger
|
 |
Beiträge: 10
|
 |
|
 |
Anmeldedatum: 09.03.17
|
 |
|
 |
Wohnort: ---
|
 |
|
 |
Version: ---
|
 |
|
|
 |
|
Verfasst am: 09.03.2017, 18:41
Titel:
|
 |
Nein hab ich nicht. Das werde ich dann als nächstes versuchen.
Mit ohne Erfolg bei den delay und memory Blöcken meine ich mich. Falls jemand dazu vielleicht eine mögliche Lösung hat wäre das nett.
|
|
|
|
| Bastiba |
Themenstarter

Forum-Anfänger
|
 |
Beiträge: 10
|
 |
|
 |
Anmeldedatum: 09.03.17
|
 |
|
 |
Wohnort: ---
|
 |
|
 |
Version: ---
|
 |
|
|
 |
|
Verfasst am: 09.03.2017, 18:56
Titel:
|
 |
Ich habe jetzt mal mein Simulink Modell angehängt.
Wäre nett falls da jemand drüber schaun könnte :)
Die Werte von meinem Modell stimmen soweit.
| Beschreibung: |
|
 Download |
| Dateiname: |
TestDatei.slx |
| Dateigröße: |
27.87 KB |
| Heruntergeladen: |
494 mal |
|
|
|
|
| Bastiba |
Themenstarter

Forum-Anfänger
|
 |
Beiträge: 10
|
 |
|
 |
Anmeldedatum: 09.03.17
|
 |
|
 |
Wohnort: ---
|
 |
|
 |
Version: ---
|
 |
|
|
 |
|
Verfasst am: 09.03.2017, 18:57
Titel:
|
 |
|
Ist nur ein Teil meines Modells.
|
|
|
|
| Friidayy |

Forum-Century
|
 |
Beiträge: 225
|
 |
|
 |
Anmeldedatum: 17.12.13
|
 |
|
 |
Wohnort: ---
|
 |
|
 |
Version: R2012b
|
 |
|
|
 |
|
Verfasst am: 09.03.2017, 19:13
Titel:
|
 |
|
funktioniert bei mir ohne kritische Fehlermeldung, R2016a, Solver options: Type: Variable-step Solver: auto
|
|
|
|
| Bastiba |
Themenstarter

Forum-Anfänger
|
 |
Beiträge: 10
|
 |
|
 |
Anmeldedatum: 09.03.17
|
 |
|
 |
Wohnort: ---
|
 |
|
 |
Version: ---
|
 |
|
|
 |
|
Verfasst am: 10.03.2017, 11:01
Titel:
|
 |
Danke. Ist schon echt komisch, ich habe die gleichen Einstellungen wie du aber bei mir wird die Fehlermeldung trotzdem angezeit.
Vielleicht liegt es an meinem rechner.
Weißt du wie ich die delays oder memory Blöcke verbauen müsste damit mein Modell keine Fehlermeldung anzeigt?
|
|
|
|
| Friidayy |

Forum-Century
|
 |
Beiträge: 225
|
 |
|
 |
Anmeldedatum: 17.12.13
|
 |
|
 |
Wohnort: ---
|
 |
|
 |
Version: R2012b
|
 |
|
|
 |
|
Verfasst am: 10.03.2017, 11:12
Titel:
|
 |
Stell die rot-umrandeten Optionen auf warning/none. In dem Link den ich oben gepostet hab, steht, dass man keine Memory-Blöcke verwenden soll, um Loops zu brechen, nimm lieber einen TransferFunction-Block mit sehr sehr kleinen Zeitkonstante. Den Block kannst du an eine beliebige Stelle in deinem System setzen.
Gruß
|
|
|
|
| Bastiba |
Themenstarter

Forum-Anfänger
|
 |
Beiträge: 10
|
 |
|
 |
Anmeldedatum: 09.03.17
|
 |
|
 |
Wohnort: ---
|
 |
|
 |
Version: ---
|
 |
|
|
 |
|
Verfasst am: 12.03.2017, 12:16
Titel:
|
 |
Entschuldige das ich mich jetzt erst wieder melde.
Die Warnung abstellen wäre auch eine alternative, aber auch nicht meine erste wahl.
Ich habe jetzt den Transfer-Function Block eingebaut aber ich bekomme die Fehlermeldung einfach nicht weg.
Kannst du mir bitte einen Screenshot schicken wie du diesen Block verbauen würdest mit der Einstellung. Ist viel verlangt aber wäre wirklich hilfreich :)
Gruß
Basti
|
|
|
|
| Friidayy |

Forum-Century
|
 |
Beiträge: 225
|
 |
|
 |
Anmeldedatum: 17.12.13
|
 |
|
 |
Wohnort: ---
|
 |
|
 |
Version: R2012b
|
 |
|
|
 |
|
Verfasst am: 12.03.2017, 15:15
Titel:
|
 |
|
Kannst du dein Modell simulieren? Wenn du nur eine Warning-Msg bekommst und kein Error sollte es ja klappen. Warum möchtest du die Warning zum Algebraic Loop umbedingt wegbekommen, ist ja zunächst erstmal nicht schlimm. Gruß
|
|
|
|
| Bastiba |
Themenstarter

Forum-Anfänger
|
 |
Beiträge: 10
|
 |
|
 |
Anmeldedatum: 09.03.17
|
 |
|
 |
Wohnort: ---
|
 |
|
 |
Version: ---
|
 |
|
|
 |
|
Verfasst am: 12.03.2017, 18:33
Titel:
|
 |
Die Simulation funktioniert soweit.Da ich mehrere Bauteile miteinander verbinde und die Ausgänge gleich der Eingang ist, erhöht sich die Simulationszeit. Also die Iterationsschritte werden sehr klein.
Es gibt eigtl keinen bestimmten Grund warum ich die Schleife wegbekommen will, aber es ist einfach nervig nicht zu wissen warum die Schleife nicht weggeht.
Gruß
|
|
|
|
| Friidayy |

Forum-Century
|
 |
Beiträge: 225
|
 |
|
 |
Anmeldedatum: 17.12.13
|
 |
|
 |
Wohnort: ---
|
 |
|
 |
Version: R2012b
|
 |
|
|
 |
|
Verfasst am: 12.03.2017, 19:04
Titel:
|
 |
|
Die Algebraic Schleife ist eine Folge deiner Modellierung, bzw. den Verbindungen zwischen deinen Sub-Systemen. Ohne dein Modell zu ändern, wirst du die Schleie erstmal nicht wegbekommen. DIe einzige Alternative ist die Lösung mittels eines zusätzlichen Übertragungsgliedes. Da die Übertrgaungsfunktion eine sehr sehr kleine Zeitkonstante besitzen muss, um dein ursprügnliches Modell nicht zu sehr zu beeinflussen, steigt die Simulationszeit stark an (hohe Abtastrate aufgrund der kleinen Zeitkonstante). Eine kürzere Simulationszeit ohne erneute Modellierung wirst du also nicht realisieren können.
|
|
|
|
| Bastiba |
Themenstarter

Forum-Anfänger
|
 |
Beiträge: 10
|
 |
|
 |
Anmeldedatum: 09.03.17
|
 |
|
 |
Wohnort: ---
|
 |
|
 |
Version: ---
|
 |
|
|
 |
|
Verfasst am: 12.03.2017, 20:31
Titel:
|
 |
danke für die schnelle Antwort. Ich habe das Übertragungsglied (Tf-Block) eingebaut. Es ist wie du gesagt hast, die Simulationszeit steigt stark.
Weißt du wie ich mein Modell umbauen muss? Kannst du mir die Testdatei von meinem oberen Beitrag so umbauen das es passt?
Schönen Sonntag noch
Gruß
|
|
|
|
|
|
|
Einstellungen und Berechtigungen
|
|
Du kannst Beiträge in dieses Forum schreiben. Du kannst auf Beiträge in diesem Forum antworten. Du kannst deine Beiträge in diesem Forum nicht bearbeiten. Du kannst deine Beiträge in diesem Forum nicht löschen. Du kannst an Umfragen in diesem Forum nicht mitmachen. Du kannst Dateien in diesem Forum posten Du kannst Dateien in diesem Forum herunterladen
|
|
Impressum
| Nutzungsbedingungen
| Datenschutz
| FAQ
| RSS
Hosted by:
Copyright © 2007 - 2026
goMatlab.de | Dies ist keine offizielle Website der Firma The Mathworks
MATLAB, Simulink, Stateflow, Handle Graphics, Real-Time Workshop, SimBiology, SimHydraulics, SimEvents, and xPC TargetBox are registered trademarks and The MathWorks, the L-shaped membrane logo, and Embedded MATLAB are trademarks of The MathWorks, Inc.
|
|