|
|
| Gerne93 |

Forum-Newbie
|
 |
Beiträge: 6
|
 |
|
 |
Anmeldedatum: 25.10.18
|
 |
|
 |
Wohnort: ---
|
 |
|
 |
Version: ---
|
 |
|
|
 |
|
Verfasst am: 25.10.2018, 20:19
Titel: Image Processing Toolbox
|
 |
| |
 |
|
Hi, ich habe eine Frage zur Bildbearbeitung in Matlab.
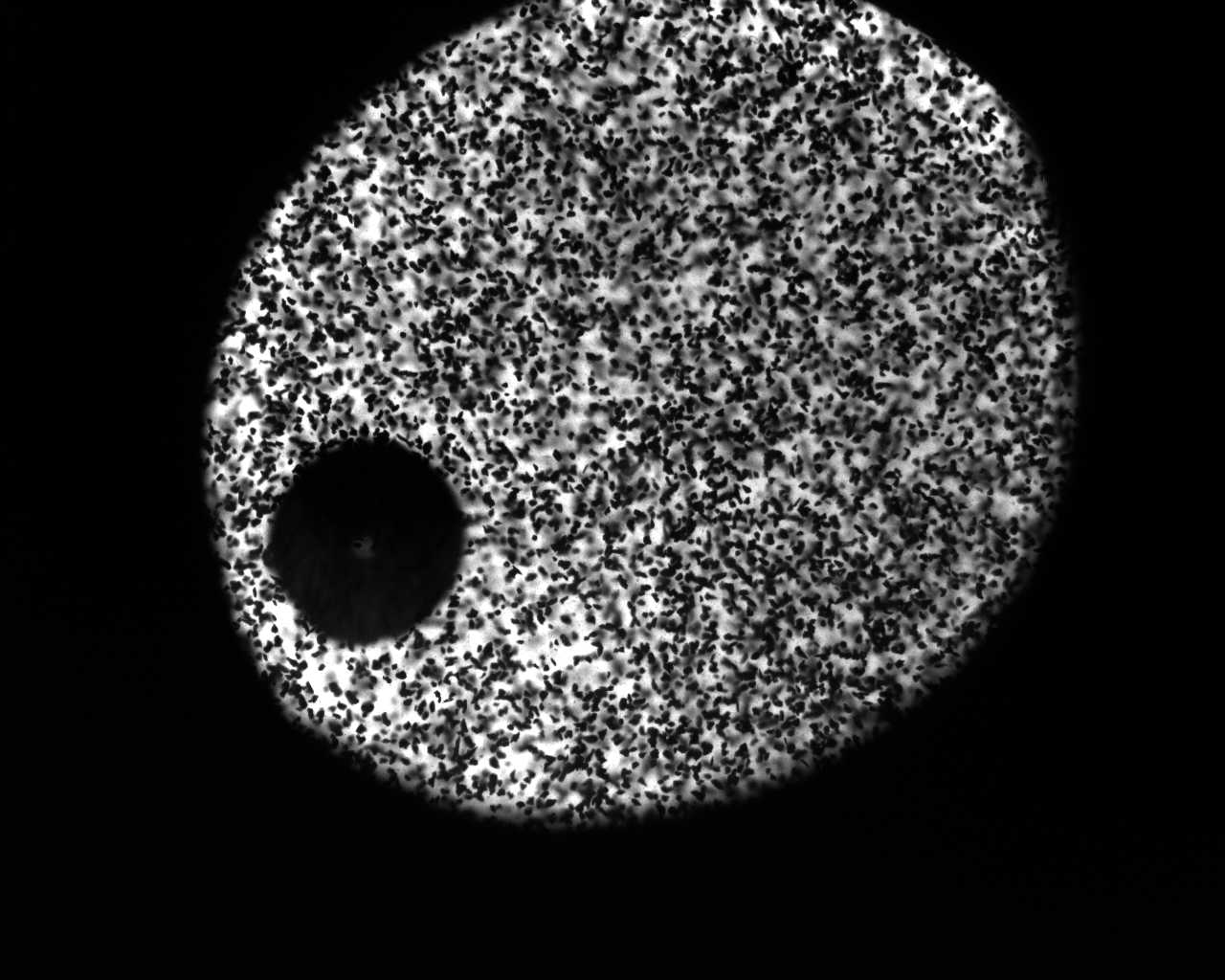
Ich habe eine Reihe von 29 Bildern, auf denen Blasen zu sehen sind und welche durch einen schwarzen Kreis begrenzt sind (siehe 1.jpg). Mein Ziel ist es, den schwarzen Kreis wegzubekommen, damit ich nur noch die einzelnen Blasen auf dem Bild habe.
Als erstes hab ich mal alle Bilder "übereinandergelegt", um den schwarzen Kreis zu isolieren:
Dadurch hab ich mal das "Hintergrundbild" (siehe Hintergrundbild_1.jpg).
Kann ich dieses Bild irgendwie von den jeweiligen "Ursprungsbildern" abziehen, damit der schwarze Umriss verschwindet?
Und falls jemand gerade ne schnellere Idee zum Erstellen des Hintergrundbildes weiß bzw. einen komplett anderen Weg zum entfernen des schwarzen Hintergrundes, würde ich auch diese Lösung nehmen
Danke schon mal im Voraus und freundliche Grüße
gerne93
| Beschreibung: |
| Hintergrundbild mit Code generiert |
|
 Download |
| Dateiname: |
Hintergrund_1.jpg |
| Dateigröße: |
62.22 KB |
| Heruntergeladen: |
932 mal |
| Beschreibung: |
| Eines der 29 "Originalbilder" |
|
 Download |
| Dateiname: |
1.jpg |
| Dateigröße: |
119.17 KB |
| Heruntergeladen: |
936 mal |
|
|
|
|
|
|
| Jan S |

Moderator
|
 |
Beiträge: 11.057
|
 |
|
 |
Anmeldedatum: 08.07.10
|
 |
|
 |
Wohnort: Heidelberg
|
 |
|
 |
Version: 2009a, 2016b
|
 |
|
|
 |
|
Verfasst am: 26.10.2018, 12:56
Titel: Re: Image Processing Toolbox
|
 |
Hallo Gerne93,
| Zitat: |
| auf denen Blasen zu sehen sind und welche durch einen schwarzen Kreis begrenzt sind (siehe 1.jpg). |
Welches ist dies "Blase, die durch einen schwarzen Kreis begrenzt ist"? Ich erkenne nicht auf Anhieb, wlechen Kreis Du meinst.
Gruß, Jan
|
|
|
|
| Gerne93 |
Themenstarter

Forum-Newbie
|
 |
Beiträge: 6
|
 |
|
 |
Anmeldedatum: 25.10.18
|
 |
|
 |
Wohnort: ---
|
 |
|
 |
Version: ---
|
 |
|
|
 |
|
Verfasst am: 26.10.2018, 13:07
Titel:
|
 |
Hi Jan,
meine Paint-Skills sind etwas beschränkt, ich hab mal versucht es so gut es geht zu markiere.
In der Mitte ist die Blase. Außenrum ist quasi ne Flüssigkeit mit Feststoffkatalysator.
Und dort außenrum ist dann nochmal ein rundlicher schwarzer Umriss, bedingt durch das Objektiv bei der Aufnahme.
Diesen Umriss würde ich gerne entfernen.
Ich konnte ihn schon isolieren (siehe Hintergrund_1 beim Ursprungspost), würde ihn gerne aber dann von den jeweiligen Bildern "abziehen", damit dort dann nur noch weiß zu sehen ist.
Ich hoffe ich konnte es halbwegs verständlich erklären
Danke und viele Grüße
gerne93
| Beschreibung: |
|
 Download |
| Dateiname: |
1.jpg |
| Dateigröße: |
273.65 KB |
| Heruntergeladen: |
923 mal |
|
|
|
|
|
|
|
Einstellungen und Berechtigungen
|
|
Du kannst Beiträge in dieses Forum schreiben. Du kannst auf Beiträge in diesem Forum antworten. Du kannst deine Beiträge in diesem Forum nicht bearbeiten. Du kannst deine Beiträge in diesem Forum nicht löschen. Du kannst an Umfragen in diesem Forum nicht mitmachen. Du kannst Dateien in diesem Forum posten Du kannst Dateien in diesem Forum herunterladen
|
|
Impressum
| Nutzungsbedingungen
| Datenschutz
| FAQ
| RSS
Hosted by:
Copyright © 2007 - 2026
goMatlab.de | Dies ist keine offizielle Website der Firma The Mathworks
MATLAB, Simulink, Stateflow, Handle Graphics, Real-Time Workshop, SimBiology, SimHydraulics, SimEvents, and xPC TargetBox are registered trademarks and The MathWorks, the L-shaped membrane logo, and Embedded MATLAB are trademarks of The MathWorks, Inc.
|
|