|
|
|
Konfiguration: PWM Generator 2-level |
|
| Jimmy1411 |

Forum-Newbie
|
 |
Beiträge: 2
|
 |
|
 |
Anmeldedatum: 09.01.18
|
 |
|
 |
Wohnort: ---
|
 |
|
 |
Version: ---
|
 |
|
|
 |
|
Verfasst am: 09.01.2018, 15:58
Titel: Konfiguration: PWM Generator 2-level
|
 |
| |
 |
|
Hallo,
ich komme im Augenblick nicht weiter bei der Konfiguration des Blocks "PWM Generator (2-Level)". Mein Ziel ist es, ein einfache Ansteuerung einer Asynchronmaschine zu modellieren. Leider habe ich keine Anleitung gefunden, wie ich Bilder in diesem Forum einfügen kann. Daher arbeite ich im Folgenden mit Anhängen.
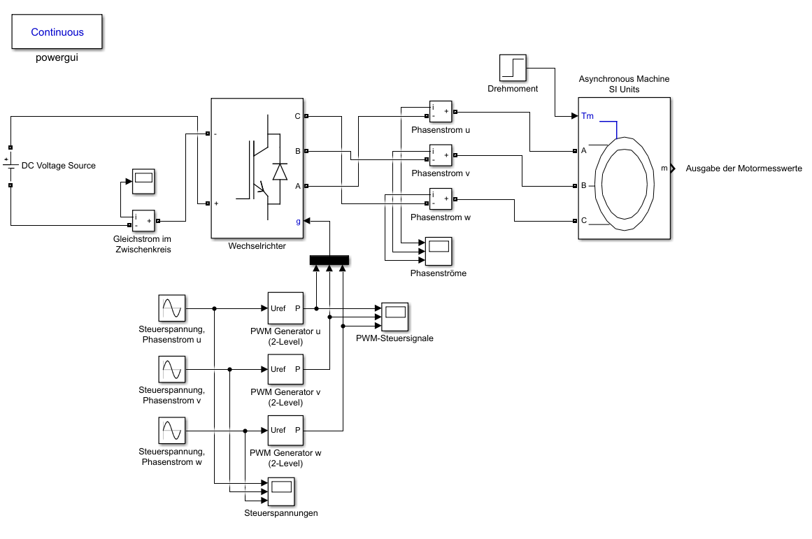
Anhang 1 zeigt eine Abbildung meines Simulink Modells. Die PWM Steuerung soll derart gestaltet werden, dass ich Einfluss auf die einzelnen Phasen nehmen kann. Daher habe ich 3 PWM Blöcke zusammengeschaltet.
Anhang 2 zeigt eine Abbildung des Konfigurationsfenster für den Block "PWM Generator (2-Level)".
1) Was sagt der Parameter "Mode of operation" aus? Ich denke bei den Optionen asynchron und synchron an die Ansteuerung der Transistoren einer Halbbrücke. Asynchron bedeutet, dass die Transistoren versetzt geschaltet werden, synchron, dass beide Transistoren zeitgleich geschaltet werden.
In der Hilfe steht nun etwas zum Carrier-Signal (https://de.mathworks.com/help/physmod/sps/powersys/ref/pwmgenerator2level.html). Das PWM Signal wird grundsätzlich durch den Vergleich der Steuerspannung mit einem Dreiecksignal erzeugt.
Aber warum sollte ich den carrier nun noch mit einem externen Signal synchronisieren und welchen Einfluss hat das auf das PWM Signal?
2) Welchen Einfluss hat die Amplitude des Dreiecksignals auf das PWM Signal?
Beste Grüße
| Beschreibung: |
|
 Download |
| Dateiname: |
Fenster_PWM_Generator_2-Level.png |
| Dateigröße: |
63.08 KB |
| Heruntergeladen: |
568 mal |
| Beschreibung: |
|
 Download |
| Dateiname: |
MATLAB_Modell_Ansteuerung_Asynchronmaschine.png |
| Dateigröße: |
71.71 KB |
| Heruntergeladen: |
602 mal |
|
|
|
|
|
|
|
|
|
Einstellungen und Berechtigungen
|
|
Du kannst Beiträge in dieses Forum schreiben. Du kannst auf Beiträge in diesem Forum antworten. Du kannst deine Beiträge in diesem Forum nicht bearbeiten. Du kannst deine Beiträge in diesem Forum nicht löschen. Du kannst an Umfragen in diesem Forum nicht mitmachen. Du kannst Dateien in diesem Forum posten Du kannst Dateien in diesem Forum herunterladen
|
|
Impressum
| Nutzungsbedingungen
| Datenschutz
| FAQ
| RSS
Hosted by:
Copyright © 2007 - 2026
goMatlab.de | Dies ist keine offizielle Website der Firma The Mathworks
MATLAB, Simulink, Stateflow, Handle Graphics, Real-Time Workshop, SimBiology, SimHydraulics, SimEvents, and xPC TargetBox are registered trademarks and The MathWorks, the L-shaped membrane logo, and Embedded MATLAB are trademarks of The MathWorks, Inc.
|
|