|
|
| Variable_87 |

Forum-Newbie
|
 |
Beiträge: 9
|
 |
|
 |
Anmeldedatum: 07.03.15
|
 |
|
 |
Wohnort: ---
|
 |
|
 |
Version: ---
|
 |
|
|
 |
|
Verfasst am: 18.05.2015, 11:59
Titel: lineares Einspurmodell
|
 |
| |
 |
|
Hallo,
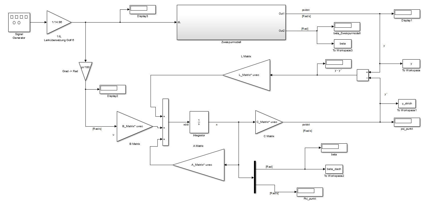
ich möchte mittels einem Einspurmodell einen Luenberger Beobachter aufbauen, der die Zustandsgrößen (Schwimmwinkel, Gierrate) schätzt.
Mit diesem Beobachter möchte ich wiederum den Schwimmwinkel und die Gierrate eines Zweispurmodells überprüfen.
Ich habe von dem Aufbau in Simulink sowie dem Code dafür 2 Datein angefügt.
Das Problem das nun bei der Simulation auftritt ist, dass der Schwimmwinkel des Einspurmodells genau entgegengesetzt des Schwimmwinkels des Zweispurmodells verläuft. Von dem Graphen habe ich auch ein Bild hinzugefügt.
Kennt das Problem jemand oder hat dazu jemand eine Erklärung?
Ich habe schon sämtliche Diff-Gleichungen durchgesehen, aber weder ein Vorzeichenfehler noch sonst irgendetwas entdeckt was der Grund dafür sein könnte.
| Beschreibung: |
| Signalverlauf vom Schwimmwinkel |
|
 Download |
| Dateiname: |
beobachter4.jpg |
| Dateigröße: |
36.02 KB |
| Heruntergeladen: |
1024 mal |
| Beschreibung: |
| m.File der Zustandsmatrizen |
|
 Download |
| Dateiname: |
beobachter3.jpg |
| Dateigröße: |
98.03 KB |
| Heruntergeladen: |
1061 mal |
| Beschreibung: |
|
 Download |
| Dateiname: |
beobachter2.jpg |
| Dateigröße: |
93.74 KB |
| Heruntergeladen: |
1140 mal |
|
|
|
|
|
|
| Variable_87 |
Themenstarter

Forum-Newbie
|
 |
Beiträge: 9
|
 |
|
 |
Anmeldedatum: 07.03.15
|
 |
|
 |
Wohnort: ---
|
 |
|
 |
Version: ---
|
 |
|
|
 |
|
Verfasst am: 18.05.2015, 16:57
Titel:
|
 |
|
Habe den Fehler gefunden. Nun funktioniert alles
|
|
|
|
|
|
|
Einstellungen und Berechtigungen
|
|
Du kannst Beiträge in dieses Forum schreiben. Du kannst auf Beiträge in diesem Forum antworten. Du kannst deine Beiträge in diesem Forum nicht bearbeiten. Du kannst deine Beiträge in diesem Forum nicht löschen. Du kannst an Umfragen in diesem Forum nicht mitmachen. Du kannst Dateien in diesem Forum posten Du kannst Dateien in diesem Forum herunterladen
|
|
Impressum
| Nutzungsbedingungen
| Datenschutz
| FAQ
| RSS
Hosted by:
Copyright © 2007 - 2026
goMatlab.de | Dies ist keine offizielle Website der Firma The Mathworks
MATLAB, Simulink, Stateflow, Handle Graphics, Real-Time Workshop, SimBiology, SimHydraulics, SimEvents, and xPC TargetBox are registered trademarks and The MathWorks, the L-shaped membrane logo, and Embedded MATLAB are trademarks of The MathWorks, Inc.
|
|