|
|
|
Lithium ionen batterie modellieren in simulink |
|
| bale |

Forum-Anfänger
|
 |
Beiträge: 21
|
 |
|
 |
Anmeldedatum: 27.12.11
|
 |
|
 |
Wohnort: ---
|
 |
|
 |
Version: ---
|
 |
|
|
 |
|
Verfasst am: 27.12.2011, 13:56
Titel: Lithium ionen batterie modellieren in simulink
|
 |
Hallo zusammen,
im Rehmen meiner Diplomarbeit muß ich ein Batteriemodell für eine Li-Ion Batterie entwickeln, was auf einem Elektrischen Ersatzschaltbild basiert ist. Ich habe keine Ahnung , wie ich das in Simulink aufbauen soll.
würde ich mich freuen, wenn ein von euch mir dabei helfen würde.
MfG
Bale
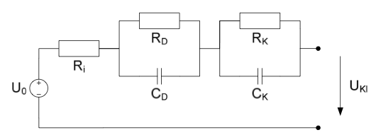
Anbei das Ersatzschaltbild der batterie
| Beschreibung: |
|
 Download |
| Dateiname: |
ESB der Batterie.png |
| Dateigröße: |
8.06 KB |
| Heruntergeladen: |
1894 mal |
|
|
|
|
|
|
| Setz |
Gast
|
 |
Beiträge: ---
|
 |
|
 |
Anmeldedatum: ---
|
 |
|
 |
Wohnort: ---
|
 |
|
 |
Version: ---
|
 |
|
|
 |
|
Verfasst am: 28.12.2011, 18:32
Titel: Paper mit Simulink Modell
|
 |
|
|
|
| al3ko |

Forum-Anfänger
|
 |
Beiträge: 16
|
 |
|
 |
Anmeldedatum: 12.09.11
|
 |
|
 |
Wohnort: ---
|
 |
|
 |
Version: ---
|
 |
|
|
 |
|
Verfasst am: 28.12.2011, 21:03
Titel: Re: Lithium ionen batterie modellieren in simulink
|
 |
Hi bale,
| bale hat Folgendes geschrieben: |
Ich habe keine Ahnung , wie ich das in Simulink aufbauen soll.
würde ich mich freuen, wenn ein von euch mir dabei helfen würde.
|
Modellbildung und Simulation via Simulink kann u.U. wie folgt aufgebaut werden:
Basierend auf dem elektrischen Ersatzschaltbild ermittelst du mit Hilfe der Kirchhoffschen Gesetze (Maschen- und Knotengleichungen) sowie der Beziehungen für Strom und Spannung am Kondensator das mathematische Modell. In deinem Fall wird es auf eine Differentialgleichung hinauslaufen aufgrund der Energiespeicher.
Wenn du das mathematische Modell hast, kann dir Simulink die Differentialgleichung lösen.
Gruß
|
|
|
|
|
|
|
Einstellungen und Berechtigungen
|
|
Du kannst Beiträge in dieses Forum schreiben. Du kannst auf Beiträge in diesem Forum antworten. Du kannst deine Beiträge in diesem Forum nicht bearbeiten. Du kannst deine Beiträge in diesem Forum nicht löschen. Du kannst an Umfragen in diesem Forum nicht mitmachen. Du kannst Dateien in diesem Forum posten Du kannst Dateien in diesem Forum herunterladen
|
|
Impressum
| Nutzungsbedingungen
| Datenschutz
| FAQ
| RSS
Hosted by:
Copyright © 2007 - 2026
goMatlab.de | Dies ist keine offizielle Website der Firma The Mathworks
MATLAB, Simulink, Stateflow, Handle Graphics, Real-Time Workshop, SimBiology, SimHydraulics, SimEvents, and xPC TargetBox are registered trademarks and The MathWorks, the L-shaped membrane logo, and Embedded MATLAB are trademarks of The MathWorks, Inc.
|
|