|
|
|
M-File eines Block schreiben und definieren |
|
| jamal |

Forum-Newbie
|
 |
Beiträge: 6
|
 |
|
 |
Anmeldedatum: 26.04.08
|
 |
|
 |
Wohnort: ---
|
 |
|
 |
Version: ---
|
 |
|
|
 |
|
Verfasst am: 14.06.2008, 14:02
Titel: M-File eines Block schreiben und definieren
|
 |
Hallo,
ich habe ein kleines Problem und zwar, ich will die Eingänge bzw. die Ausgänge eines AutokorrelationsBlocks definieren.ich habe einen Programm für eien Autokorreltion geschrieben:
Fs=500e3;
Ts=1/Fs;
t=0:Ts:0.5;
N=length(t);
x=square(2*pi*20*t);
cxx=xcorr(x,'unbiased');
plot(t,compound,'r--',t,cxx(N:2*N-1))
axis([0 .5 2 yMax]);
und das ist mein Block und sein M-file sind unten gezeigt:
das Problem jetzt ich weiß nicht wie und wo muss ich die Eingänge bzw. Ausgänge definieren damit mein Autokorelationsblock bei der Simulation funktioniert.
Danke schön im Voraus
Edit: Bitte weder Doppel- noch Dreifachposts.
mfg nschlange
| Beschreibung: |
|
 Download |
| Dateiname: |
m-file.PNG |
| Dateigröße: |
15.2 KB |
| Heruntergeladen: |
1084 mal |
| Beschreibung: |
|
 Download |
| Dateiname: |
Block1.JPG |
| Dateigröße: |
20.88 KB |
| Heruntergeladen: |
1004 mal |
|
|
|
|
|
|
| nschlange |

Ehrenmitglied
|
 |
Beiträge: 1.321
|
 |
|
 |
Anmeldedatum: 06.09.07
|
 |
|
 |
Wohnort: NRW
|
 |
|
 |
Version: R2007b
|
 |
|
|
 |
|
Verfasst am: 15.06.2008, 15:56
Titel:
|
 |
Hi,
ich bitte Dich auf mehrfache Postings zu verzichten.
Beschreibe doch in diesem Thema Dein Problem etwas ausführlicher.
_________________
Viele Grüße
nschlange
"Chuck Norris ejakuliert fluessigen Stahl!"
|
|
|
|
| nschlange |

Ehrenmitglied
|
 |
Beiträge: 1.321
|
 |
|
 |
Anmeldedatum: 06.09.07
|
 |
|
 |
Wohnort: NRW
|
 |
|
 |
Version: R2007b
|
 |
|
|
 |
|
Verfasst am: 15.06.2008, 16:19
Titel:
|
 |
Ich habe nun auch Deinen letzten Beitrag gelöscht, in dem es wieder um das selbe Problem ging. Dort hast Du dann zwar von irgendeiner Simulation geschrieben, aber nur ein Screenshot von einem m-File gepostet, ohne weitere Informationen, was das für eine Simulation sein soll.
Dass Du hier und in anderen Foren so viele Beiträge mit dem gleichen Thema erstellst wird nicht dazu führen, dass man Dir schneller hilft.
Vielleicht kannst Du eine S-Function benutzen.
Siehe hier
und in der Hilfe.
_________________
Viele Grüße
nschlange
"Chuck Norris ejakuliert fluessigen Stahl!"
|
|
|
|
| jamal |
Themenstarter

Forum-Newbie
|
 |
Beiträge: 6
|
 |
|
 |
Anmeldedatum: 26.04.08
|
 |
|
 |
Wohnort: ---
|
 |
|
 |
Version: ---
|
 |
|
|
 |
|
Verfasst am: 16.06.2008, 00:37
Titel: M-File eines Block schreiben und definieren
|
 |
| |
 |
|
Hallo nschlange,
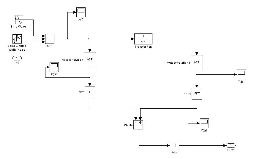
zuerst vielen Dank für dein Interess an mein Problem und dein Info. ich erkäre dir mein Problem ausführlich:
Ich habe eine System, das am Eingang aus ein (Sin+Ruschen) besteht, d.h. mein x(t)=Sin+Ruschen.
Ich muss noch zu diesem x(t) ein Autokorrelationsblock(ACF) verbinden und eine Fouriertransformation machen, und dann am Ende kriege ich
Sxx(w). Am Ausgang muss ich auch eine ein Autokorrelationsblock(ACF) verbinden und eine Fouriertransformation machen, und dann am Ende kriege ich Syy(w). Und durch die Division Syy(w)/Sxx(w) kriege ich mein Übertragungsfunktion G(jw).
Unten ist mein Systemschaltung und die Formel zur Erklärung.
Mein Ziel jetzt will ich das Bodediagrammzeichnung für den (Betragquadrat von G(jw) kriegen.
das Problem wenn ich die Simulation mache, kriege ich Fehlermeldungen.deswegen wollte ich diese ACF-Block durch ein anderes Block einsetzen.
ich hoffe dass Sie mir jetzt verstanden haben. Ich habe schon mit diesem S-Funktion Block versucht aber hat es nicht geklappt.
Ich habe eine Probe für das Programm, das ich geschrieben habe und hat es funktionier.Durch Faltung von 2 Rechteck habe ich ein Dreieck gekriegt.
Ich habe dieses Programm in S-Funktion Block eingesetzt aber leider habe ich nix gekriegt. Ich bitte Sie wenn Sie mir noch helfen können wie kann ich mein Eingänge bzw. Ausgänge einsetzen.Wenn Sie mir das Programm schreiben können werde ich Ihnen sehr sehr dankbar.
Auf eine Baldige Antwort würde ich mich sehr freuen.
Jamal
| Beschreibung: |
|
 Download |
| Dateiname: |
Formel.JPG |
| Dateigröße: |
5.13 KB |
| Heruntergeladen: |
1043 mal |
| Beschreibung: |
|
 Download |
| Dateiname: |
ACF..JPG |
| Dateigröße: |
26.06 KB |
| Heruntergeladen: |
1003 mal |
|
|
|
|
|
|
|
Einstellungen und Berechtigungen
|
|
Du kannst Beiträge in dieses Forum schreiben. Du kannst auf Beiträge in diesem Forum antworten. Du kannst deine Beiträge in diesem Forum nicht bearbeiten. Du kannst deine Beiträge in diesem Forum nicht löschen. Du kannst an Umfragen in diesem Forum nicht mitmachen. Du kannst Dateien in diesem Forum posten Du kannst Dateien in diesem Forum herunterladen
|
|
Impressum
| Nutzungsbedingungen
| Datenschutz
| FAQ
| RSS
Hosted by:
Copyright © 2007 - 2026
goMatlab.de | Dies ist keine offizielle Website der Firma The Mathworks
MATLAB, Simulink, Stateflow, Handle Graphics, Real-Time Workshop, SimBiology, SimHydraulics, SimEvents, and xPC TargetBox are registered trademarks and The MathWorks, the L-shaped membrane logo, and Embedded MATLAB are trademarks of The MathWorks, Inc.
|
|