| 
 | 
  
	
		 | 
		Matlab-Function statt Memory-Block | 
		 | 
	 
 
 
| Gast | 
 
 
 
 
 | 
 
  | 
Beiträge: ---
 | 
  | 
 
 | 
 
  | 
Anmeldedatum: ---
 | 
  | 
 
 | 
 
  | 
Wohnort: ---
 | 
  | 
 
 | 
 
  | 
Version: ---
 | 
  | 
 
 | 
 
 
 | 
 
  | 
 
  | 
      
Verfasst am: 10.11.2018, 11:51    
Titel: Matlab-Function statt Memory-Block
 | 
  | 
 
 
Hallo zusammen!
 
 
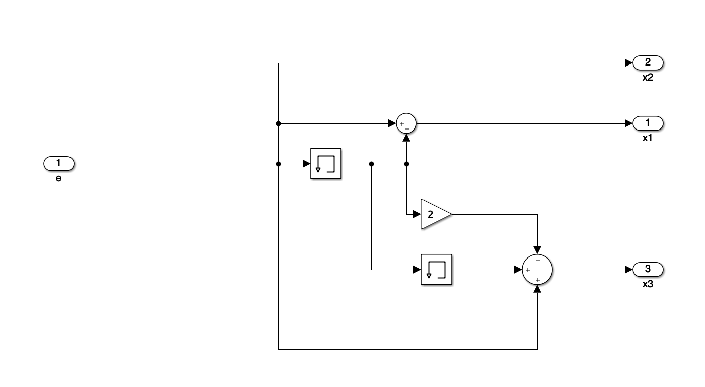
ich möchte für einen PID Regler im zeitdiskreten Bereich folgende Transformation durchführen:
 
 
x1(k)=e(k)-e(k-1);
 
x2(k)=e(k);
 
x3(k)=e(k-2)-2*e(k-2)+e(k);
 
 
In Simulink ist die Funktion mit Memory-Blöcken einfach umzusetzen und es können Initialwerte angegeben werden (Anhang). Allerdings wird es bei größeren Systemen schnell unübersichtlich. Könnte man die Transformation mittels einer Matlab-Function in Simulink implementieren (*z^-1)? Wie würde man dann die Initialwerte angeben?
 
 
Viele Grüße
	
  
	
	
		
	 
	
		|  Beschreibung: | 
		
			
		 | 
		  Download | 
	 
	
		|  Dateiname: | 
		 Bildschirmfoto 2018-11-10 um 11.40.41.png | 
	 
	
		|  Dateigröße: | 
		 53.87 KB | 
	 
	
		|  Heruntergeladen: | 
		 494 mal | 
	 
	 
 |   
 | 
 
| 
 | 
 
 
		
		 |  
		
		
		
  
		 | 
		 
		
| fabianT | 
 
  
 
Forum-Fortgeschrittener
 
 
 | 
 
  | 
Beiträge: 84
 | 
  | 
 
 | 
 
  | 
Anmeldedatum: 31.10.18
 | 
  | 
 
 | 
 
  | 
Wohnort: ---
 | 
  | 
 
 | 
 
  | 
Version: ---
 | 
  | 
 
 | 
 
 
 | 
 
  | 
 
  | 
      
Verfasst am: 16.11.2018, 22:20    
Titel: 
 | 
  | 
 
 
Hallo,
 
 
ja du könntest den MATLAB Function Block verwenden. Dieser hat aber keine Zustände. Trotzdem kannst du das mit persistent Variablen umsetzen. Die Initialwerte könntest du zu Beginn über if isempty(Variable) festlegen.
 
 
Andere Alternativen sind Level 2 MATLAB S- Function. Hier hast du mehr Möglichkeiten für diskrete oder kont. Zustände, kannst aber keine Code generieren. 
 
 
Oder C mex SFunction.
 
 
Verstehe aber nicht ganz wieso du das überhaupt machen willst...
 
 
 
Viele Grüße
 
Fanian
 |   
 | 
 
| 
 | 
 
 
 
 
 
  
 | 
  
 | 
 
| 
Einstellungen und Berechtigungen
 | 
 
 
 | 
Du kannst Beiträge in dieses Forum schreiben. Du kannst auf Beiträge in diesem Forum antworten. Du kannst deine Beiträge in diesem Forum nicht bearbeiten. Du kannst deine Beiträge in diesem Forum nicht löschen. Du kannst an Umfragen in diesem Forum nicht mitmachen. Du kannst Dateien in diesem Forum posten Du kannst Dateien in diesem Forum herunterladen 
 | 
 
 
 
 |  
 
 
  Impressum
 | Nutzungsbedingungen
 | Datenschutz
 | FAQ
 |   RSS
  
  
  Hosted by: 
 
  
  
Copyright © 2007 - 2025
goMatlab.de | Dies ist keine offizielle Website der Firma The Mathworks 
 
MATLAB, Simulink, Stateflow, Handle Graphics, Real-Time Workshop, SimBiology, SimHydraulics, SimEvents, and xPC TargetBox are registered trademarks and The MathWorks, the L-shaped membrane logo, and Embedded MATLAB are trademarks of The MathWorks, Inc.
  
 
 | 
 
 
		 |