|
|
| kiterben |

Forum-Anfänger
|
 |
Beiträge: 14
|
 |
|
 |
Anmeldedatum: 09.07.12
|
 |
|
 |
Wohnort: ---
|
 |
|
 |
Version: ---
|
 |
|
|
 |
|
Verfasst am: 14.08.2012, 13:12
Titel: maximal Wert weitergeben
|
 |
Hallo,
Ich habe das im Anhang beigefügte Eingangssignal und möchte jetzt das zu jedem Zeitpunkt der bis dahin maximale Wert als ausgangssignal rauskommt.
Meine Idee war, dass ich einen Startwert auswähle und dann als ersten schritt den Startwert mit meinem aktuellen Wert vergleiche und dabei das Maximum speicher. Danach wird dann dieses Maximum mit jedem weiteren Wert verglichen, bis es einen größeren Wert gibt. Mit dem geh ich dann vor wie zuvor.
Leider hab ich das nicht umsetzen können.
Habt ihr eine Idee?
Viele Grüße
| Beschreibung: |
|
 Download |
| Dateiname: |
MATLAB.pdf |
| Dateigröße: |
4.58 KB |
| Heruntergeladen: |
817 mal |
|
|
|
|
|
|
| feynomen |

Forum-Anfänger
|
 |
Beiträge: 19
|
 |
|
 |
Anmeldedatum: 12.04.12
|
 |
|
 |
Wohnort: ---
|
 |
|
 |
Version: ---
|
 |
|
|
 |
|
Verfasst am: 04.09.2012, 16:13
Titel:
|
 |
Hi
ich hab dir was gebastelt ( aber nicht überprüft denn du musst es für dein system noch anpassen je nach bedarf )
schaue dir das erstmal an... und wenn iwas nicht stimmt, dann kannst dich noch melden
| Beschreibung: |
|
 Download |
| Dateiname: |
maximum ausgabe.jpg |
| Dateigröße: |
16.6 KB |
| Heruntergeladen: |
685 mal |
|
|
|
|
| Tusor |

Forum-Fortgeschrittener
|
 |
Beiträge: 71
|
 |
|
 |
Anmeldedatum: 02.07.09
|
 |
|
 |
Wohnort: ---
|
 |
|
 |
Version: ---
|
 |
|
|
 |
|
Verfasst am: 06.09.2012, 10:09
Titel:
|
 |
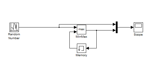
Das wäre meine Lösung, da ich nicht verstehe, wie die anderen funktionieren sollen.
| Beschreibung: |
| Maximalwert weiterreichen |
|
 Download |
| Dateiname: |
Max.png |
| Dateigröße: |
4.91 KB |
| Heruntergeladen: |
620 mal |
|
|
|
|
|
|
|
Einstellungen und Berechtigungen
|
|
Du kannst Beiträge in dieses Forum schreiben. Du kannst auf Beiträge in diesem Forum antworten. Du kannst deine Beiträge in diesem Forum nicht bearbeiten. Du kannst deine Beiträge in diesem Forum nicht löschen. Du kannst an Umfragen in diesem Forum nicht mitmachen. Du kannst Dateien in diesem Forum posten Du kannst Dateien in diesem Forum herunterladen
|
|
Impressum
| Nutzungsbedingungen
| Datenschutz
| FAQ
| RSS
Hosted by:
Copyright © 2007 - 2026
goMatlab.de | Dies ist keine offizielle Website der Firma The Mathworks
MATLAB, Simulink, Stateflow, Handle Graphics, Real-Time Workshop, SimBiology, SimHydraulics, SimEvents, and xPC TargetBox are registered trademarks and The MathWorks, the L-shaped membrane logo, and Embedded MATLAB are trademarks of The MathWorks, Inc.
|
|