|
|
|
Maximum und Minimum einer Kurve_Simulink |
|
| Ines.ay |
Gast
|
 |
Beiträge: ---
|
 |
|
 |
Anmeldedatum: ---
|
 |
|
 |
Wohnort: ---
|
 |
|
 |
Version: ---
|
 |
|
|
 |
|
Verfasst am: 05.06.2014, 09:15
Titel: Maximum und Minimum einer Kurve_Simulink
|
 |
Hallo Leute,
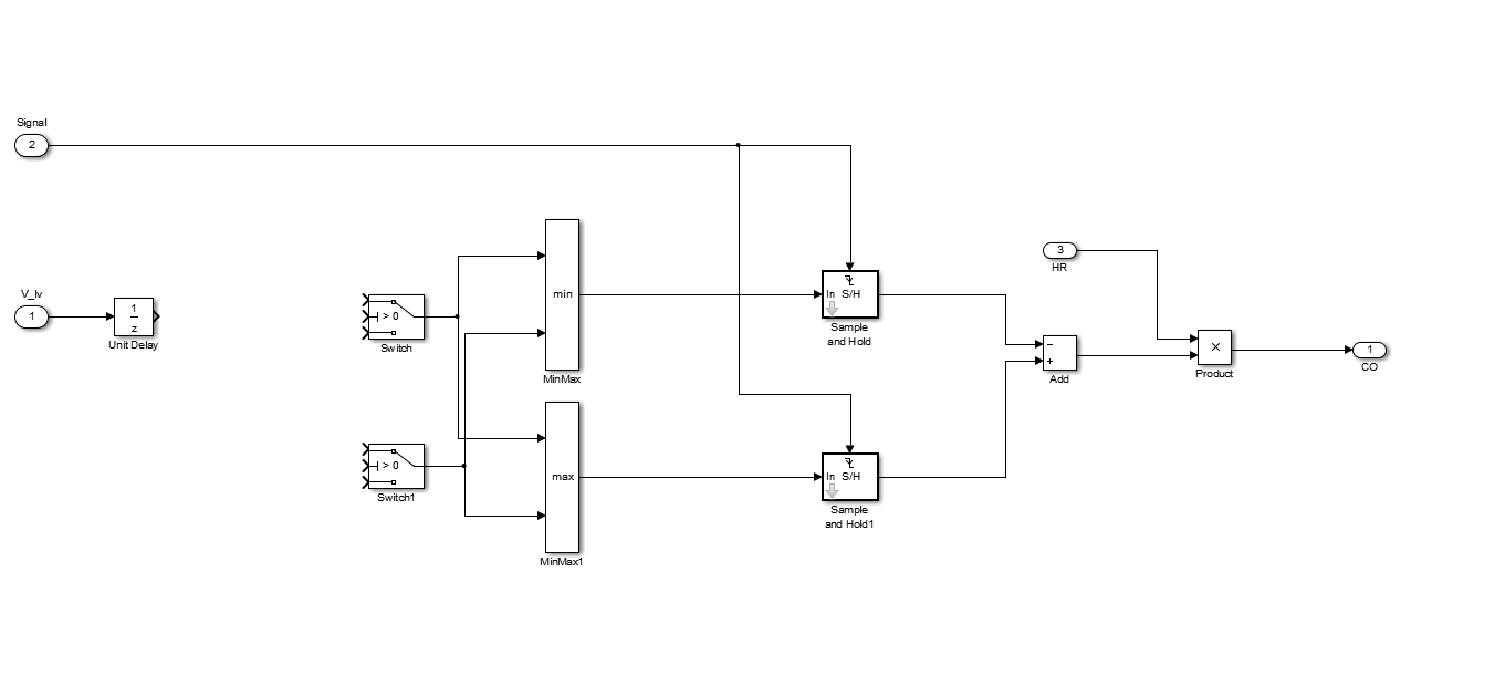
es geht um "Cardiac Output". Um den zu bestimmen muss ich den Schlagvolumen berechnen. Das ist einfach der Maximum-Minimum des Volumens(siehe bitte Vlf.png für Volumen left-Ventricle). ich sollte das mit Sample and Hold machen und einem Signal-Builder (Signal) machen, komme aber irgendwie nicht weiter. Ihr könnt das bis jetzt implementierte (was auch nicht viel ist) in sys.png sehen.
Ich würde mich über einen Vorschlag bzw. eine schnelle Antwort sehr freuen.
Danke im Voraus
| Beschreibung: |
|
 Download |
| Dateiname: |
sys.png |
| Dateigröße: |
23.69 KB |
| Heruntergeladen: |
501 mal |
| Beschreibung: |
|
 Download |
| Dateiname: |
Vlf.png |
| Dateigröße: |
110.26 KB |
| Heruntergeladen: |
516 mal |
|
|
|
|
|
|
|
|
|
Einstellungen und Berechtigungen
|
|
Du kannst Beiträge in dieses Forum schreiben. Du kannst auf Beiträge in diesem Forum antworten. Du kannst deine Beiträge in diesem Forum nicht bearbeiten. Du kannst deine Beiträge in diesem Forum nicht löschen. Du kannst an Umfragen in diesem Forum nicht mitmachen. Du kannst Dateien in diesem Forum posten Du kannst Dateien in diesem Forum herunterladen
|
|
Impressum
| Nutzungsbedingungen
| Datenschutz
| FAQ
| RSS
Hosted by:
Copyright © 2007 - 2026
goMatlab.de | Dies ist keine offizielle Website der Firma The Mathworks
MATLAB, Simulink, Stateflow, Handle Graphics, Real-Time Workshop, SimBiology, SimHydraulics, SimEvents, and xPC TargetBox are registered trademarks and The MathWorks, the L-shaped membrane logo, and Embedded MATLAB are trademarks of The MathWorks, Inc.
|
|