|
|
| LukasSimu |
Gast
|
 |
Beiträge: ---
|
 |
|
 |
Anmeldedatum: ---
|
 |
|
 |
Wohnort: ---
|
 |
|
 |
Version: ---
|
 |
|
|
 |
|
Verfasst am: 28.04.2017, 13:54
Titel: ODE 1. Ordnung
|
 |
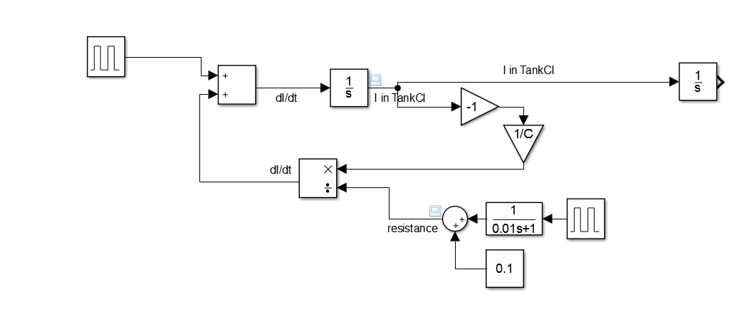
Hi,
Ich versuche gerade einen relativ simplen elektrischen Schaltkreis zu simulieren.
Dabei will ich den Strom in einen Kondensator simulieren.
Außerdem soll noch ein variabler Widerstand, der den Strom "sperrt", dargestellt werden.
Beim Betrachten des plots ist jedoch unerwartet, dass der Strom in den Kondensator fast konstant bleibt, wenn der Widerstand sehr hoch ist.
Ich hätte vermutet, dass der Strom auf Null zurück geht..
Hat jemand eine Idee wie ich das Modell korrigieren kann?
Gruß,
Lukas
| Beschreibung: |
|
 Download |
| Dateiname: |
Capture1.PNG |
| Dateigröße: |
22.13 KB |
| Heruntergeladen: |
593 mal |
| Beschreibung: |
|
 Download |
| Dateiname: |
Capture.PNG |
| Dateigröße: |
46.35 KB |
| Heruntergeladen: |
587 mal |
|
|
|
|
|
|
|
|
|
Einstellungen und Berechtigungen
|
|
Du kannst Beiträge in dieses Forum schreiben. Du kannst auf Beiträge in diesem Forum antworten. Du kannst deine Beiträge in diesem Forum nicht bearbeiten. Du kannst deine Beiträge in diesem Forum nicht löschen. Du kannst an Umfragen in diesem Forum nicht mitmachen. Du kannst Dateien in diesem Forum posten Du kannst Dateien in diesem Forum herunterladen
|
|
Impressum
| Nutzungsbedingungen
| Datenschutz
| FAQ
| RSS
Hosted by:
Copyright © 2007 - 2026
goMatlab.de | Dies ist keine offizielle Website der Firma The Mathworks
MATLAB, Simulink, Stateflow, Handle Graphics, Real-Time Workshop, SimBiology, SimHydraulics, SimEvents, and xPC TargetBox are registered trademarks and The MathWorks, the L-shaped membrane logo, and Embedded MATLAB are trademarks of The MathWorks, Inc.
|
|