|
|
|
PMSM - Parameter max rpm, max Leistung? |
|
| tobijingles |
Gast
|
 |
Beiträge: ---
|
 |
|
 |
Anmeldedatum: ---
|
 |
|
 |
Wohnort: ---
|
 |
|
 |
Version: ---
|
 |
|
|
 |
|
Verfasst am: 20.01.2009, 19:40
Titel: PMSM - Parameter max rpm, max Leistung?
|
 |
Hallo zusammen!
Ich muss für meine Bachelor-Arbeit unter anderem eine Permanent Magnet
Synchronous Machine in ein Simulink Modell einbauen.
Fast alle der im Block geforderten Parameter kenne ich auch.
Allerdings ist meine Frage: Wie kann ich die maximale Drehzahl und die maximale Ausgangsleistung des Generators festlegen?
Bei den vorgegebenen Einstellmöglichkeiten ist nicht annährend etwas passendes dabei!
Vielen Dank im Voraus,
|
|
|
|
|
|
| Epfi |

Forum-Meister
|
 |
Beiträge: 1.134
|
 |
|
 |
Anmeldedatum: 08.01.09
|
 |
|
 |
Wohnort: ---
|
 |
|
 |
Version: ---
|
 |
|
|
 |
|
Verfasst am: 21.01.2009, 10:32
Titel:
|
 |
| |
 |
|
Eine maximale Drehzahl gibt es bei einer elektrischen Maschine nicht so direkt als Parameter - sicherlich gibt es Grenzen, bei PMSMs sind die möglicherweise auch mechanischer Natur (Fliehkräfte auf Magnete im Polrad).
Bei der Synchronmaschine stellt sich die Drehzahl im motorischen und leistungsneutralen Betrieb am Netz entsprechend der Netzfrequenz ein. Wenn die Maschine über einen Umrichter betrieben wird, dann kannst Du die Drehzahl über den einstellen. Abweichungen von dieser Frequenz gibt es dann nur in bei instationären Betriebsfällen, z.B. bei Spannungsänderungen (Frequenz, Amplitude) oder bei zu großem Lastmoment (Maschine kippt und würgt ggf. einfach ab).
Im generatorischen Bereich musst Du Deine Drehzahl irgendwie regeln. Das geschieht aber nicht an der Maschine sondern an Deiner Last. Ist das Generatormoment (z.B. von einer Turbine) größer als das elektrische Moment, dreht die Maschine hoch. Ist das Generatormoment zu klein, wird die Maschine langsamer. Das elektrische Moment bestimmst leider nicht Du, sondern das Stromnetz. Dieses kann quasi keine Energie speichern und darum ändert sich das elektrische Moment (die elektrische Last) laufend. Wenn Du das Licht anmachst, wird die Last etwas größer, wenn Du es wieder ausmachst, wird die elektrische Last am Generator wieder kleienr.
Die maximale Ausgangsleistung ergibt sich aus den Maschinenparametern, die kannst Du so direkt auch nicht einstellen. Um die ins Netz abgegebene Leistung zu begrenzen müsstest Du wiederum an deinem Generatormoment schrauben. Das Problem an der Sache ist, dass die Leistung trotzdem aus dem Netz abgefragt wird. Wenn Du das Generatormoment jetzt einfach so mal eben verkleinerst, weil Du weniger Leistung abgeben willst, wird Deine Maschine automatisch langsamer.
Letzteres ist im Stromnetz übrigens ein höchst unerwünschter Effekt. Wenn deine Generatorfrequenz unter 47,5Hz gefallen ist, musst Du dich vom Netz trennen. Ebenso im anderen Fall: Du produzierst mehr Leistung, als vom Netz abgefragt wird: der Generator dreht hoch, die Frequenz steigt. Wenn Du 51,5Hz (bin ich mir gerade nicht ganz sicher mit der Zahl) überschreitest, musst Du dich wiederum abtrennen.
|
|
|
|
| Idefix_1024 |

Forum-Century
|
 |
Beiträge: 230
|
 |
|
 |
Anmeldedatum: 16.10.08
|
 |
|
 |
Wohnort: ---
|
 |
|
 |
Version: ---
|
 |
|
|
 |
|
Verfasst am: 21.01.2009, 11:20
Titel:
|
 |
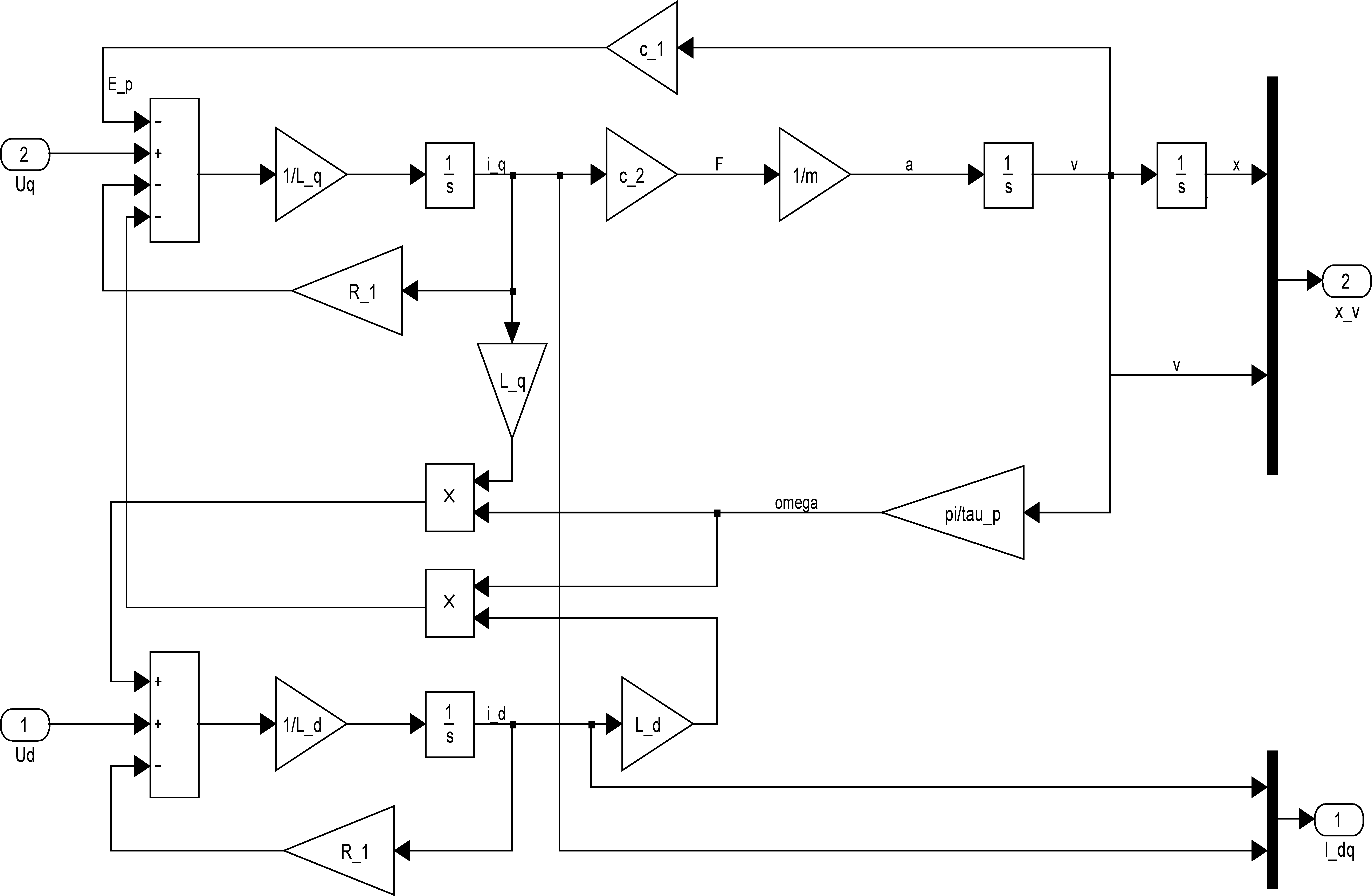
ich habe nie diese vorgefertigten blöcke verwendet...
für eine recht gute Simulation einer PSM genügen die Differentialgleichungen
Ud = R * id + Ld did/dt - w*Lq*iq
Uq = R * iq + Lq diq/dt + w*Ld*id + w*Psi_p
diese Gleichungen aufgelöst nach jeweils di/dt und man kann ein Blockbild in Simulink selbst zeichnen (ähnlich dem Bild im Anhang)
Drehmoment ist
M = 3/2 * Polpaarzahl * (Psi_p * iq + (Ld-Lq)*id*iq)
und damit kann man alles selbst aufbauen und beliebig einstellen... z.B. Ld und Lq stromabhängig machen oä
| Beschreibung: |
|
 Download |
| Dateiname: |
Blockbild_Motor_Modell.gif |
| Dateigröße: |
140.78 KB |
| Heruntergeladen: |
2833 mal |
|
|
|
|
| Gast |
|
 |
Beiträge: ---
|
 |
|
 |
Anmeldedatum: ---
|
 |
|
 |
Wohnort: ---
|
 |
|
 |
Version: ---
|
 |
|
|
 |
|
Verfasst am: 22.01.2009, 13:10
Titel:
|
 |
| |
 |
|
Vielen Dank erstmal für die ausführlichen Antworten!
Denke das Hilft mir für mein Verständnis schonmal gut weiter. Es ist in meinem Fall allerdings so, dass die Maschine, an der der PMSM hängt eine Mikroturbine ist. Diese wird über die Drehzahl geregelt. Das heißt bei voller Leistung (30kW) volle Drehzahl (96000 U/min) und bei geringerer Leistung entsprechend niedrige Drehzahl. Hinter dem PMSM ist dann eine Leistungselektronik die die Frequenz mit dem Netz synchronisiert. (Die soll allerdings nicht mehr zu meinem Modell gehören).
Das bedeutet doch, wenn ich richtig verstehe, dass in meinem Fall das elektrische Lastmoment völlig vom Netz angekoppelt ist?
Die Turbine produziert dann z.B. bei voller Leistung einen Wechselstrom mit 1400 Hz (ungefähr). Gibt es da dann überhaupt ein elektrisches Moment? Oder ist das immer genauso groß wie das mechanische Moment (Generatormoment), da sich der PMSM durch die Leistungselektronik immer anpasst?
Hoffe ich stelle keine allzu doofen Fragen. Aber ich bin leider kein Elektrotechniker
Nochmals danke für eure Antworten
|
|
|
|
| tobijingles |

Forum-Newbie
|
 |
Beiträge: 5
|
 |
|
 |
Anmeldedatum: 22.01.09
|
 |
|
 |
Wohnort: ---
|
 |
|
 |
Version: ---
|
 |
|
|
 |
|
Verfasst am: 22.01.2009, 13:22
Titel:
|
 |
|
Diesmal nicht ohne Namen. Die obige Nachricht war natürlich von mir!
|
|
|
|
| Epfi |

Forum-Meister
|
 |
Beiträge: 1.134
|
 |
|
 |
Anmeldedatum: 08.01.09
|
 |
|
 |
Wohnort: ---
|
 |
|
 |
Version: ---
|
 |
|
|
 |
|
Verfasst am: 22.01.2009, 14:46
Titel:
|
 |
| |
 |
|
| Anonymous hat Folgendes geschrieben: |
| Das bedeutet doch, wenn ich richtig verstehe, dass in meinem Fall das elektrische Lastmoment völlig vom Netz angekoppelt ist? |
Angekoppelt oder abgekoppelt? ;) Du speist mit deiner Maschine in einen DC-Zwischenkreis und der Netzseitige Wechselrichter bedient sich dort. Der bestimmt auch, wieviel Leistung er aus dem Zwischenkreis ins Stromnetz schiebt. Wenn er die Zwischenkreisspannung konstant halten will (sollte er so in etwa), dann muss er immer so viel Leistung abgeben, wie Du hinten mit dem Generator reinschiebst. Sonst gibt es Energiestau im Zwischenkreis, die Spannung steigt und dann gibt es letztendlich ne Notabschaltung.
Gewissermaßen bist Du über den (Voll-) Umrichter sowohl in Spannung als auch Frequenz vom Netz abgetrennt. Du bist quasi vollkommen frei.
| Zitat: |
| Gibt es da dann überhaupt ein elektrisches Moment? |
Im stationären Fall (Drehzahl = const.) ist das elektrische Moment gleich dem mechanischen Moment und die elektrische Leistung, gleich der mechanischen Leistung (abzüglich ein paar Verlusten). Wenn dem nicht so wäre, würde die Maschine ja beschleunigen oder abbremsen. Logisch -- irgendwo muss die überschüssige Energie ja hin.
Bei der ganzen Leistungsregelung spielst Du mit deiner Maschine nach meiner aktuellen Meinung gar nicht mit. Das muss der Wechselrichter alles mit der Turbine ausmachen oder an eine überlagerte Steuerung deligiert werden. Turbine und Wechselrichter müssen sich auf jeden Fall einig über den aktuellen Energiefluss sein. Da zwischen Turbine und Netz quasi keine Speichermöglichkeiten vorhanden sind, ist die direkte Durchleitung die einzige Option.
Da der WR mit seiner Leistungsabgabe sehr flexibel ist (Strom sehr schnell beliebig einstellbar), wird vermutlich er derjenige sein, der sich auf die Turbinenleistung einstellen muss, und wovon die Abhängt, weißt Du vermutlich besser. In jedem Fall wird Deine elektrische Leistung aber durch die mechanische Leistung von der Turbine bestimmt, die Deine Maschine komplett in den Zwischenkreis abgeben muss -- eine andere Chance hast Du nicht.
| Zitat: |
| Hoffe ich stelle keine allzu doofen Fragen. Aber ich bin leider kein Elektrotechniker ;-) |
Nächstes mal für den Teil mit der Turbine bewerben? ;) Die Fragen sind übrigens nicht so doof, wie man meinen könnte...
|
|
|
|
| tobijingles |

Forum-Newbie
|
 |
Beiträge: 5
|
 |
|
 |
Anmeldedatum: 22.01.09
|
 |
|
 |
Wohnort: ---
|
 |
|
 |
Version: ---
|
 |
|
|
 |
|
Verfasst am: 22.01.2009, 15:11
Titel:
|
 |
| |
 |
|
Hallo nochmal,
ich hab hier mal ein Bild anhand dessen man sich das etwas besser vorstellen kann hoffe ich. (Anhang)
Zitat:
| Zitat: |
| Angekoppelt oder abgekoppelt? |
(alt+q)
Also schon angekoppelt aber ohne das sie es merkt?! Aber ich wollte natürlich abgekoppelt schreiben...
Also erstmal die einfachen Sachen, die ich genau weiß:
Ja, es gibt eine übergeordnete Regelung. Natürlich ist die Turbine nicht annährend so schnell wie die elektrischen Bauteile. (Aber da es eine Mikroturbine ist, relativ klein und leicht, doch deutlich schneller als andere Turbinen.) Diese Regelung wird also wohl die Turbine auf eine bestimmte Leistung einregeln, sprich Drehzahl bzw. Frequenz und dem Wechselrichter sagen, er soll die Leistung ans Netz abgeben.
Ich denk einfach mal laut:
Im stationären Zustand sind die Momente gleich Groß, das ist klar. Und wenn die Momente nicht gleich groß sind beschleunigt die Turbine. Aber warum sollte das elektrische Moment größer sein, als das mechanische Moment, wenn doch eine Regelung den Wechselrichter so einstellt, dass er genau die Leistung die vorne reingeht hinter wieder abgibt. Wenn also die Momente dann immer gleich groß sind, kann man dann vereinfachend annhemen, dass nur die Massenträgheit der Turbinenwelle die Beschleunigung beeinflusst? Muss die Geschwindigkeit dann auf ein zulässiges Maximun durch die Regelung beschränkt werden? Die Elektronik sollte doch der Leistungssteigerung der Turbine nahezhu ohne Zeitverzögerung folgen können?
Achja, ich hab mich für den Turbinenteil beworben und diese ist auch mein Schwerpunkt. Nur ist mein Problem, dass ich nach momentanem Kenntnisstand für die Beschleunigung und Geschwindigkeit der Turbine das elektrische Moment das vom Generator kommt berücksichtigen muss. Ganz ohne E-Technik gehts also leider nicht. Oder doch?
Tobias
| Beschreibung: |
|
 Download |
| Dateiname: |
mgt_pmsm.JPG |
| Dateigröße: |
17.48 KB |
| Heruntergeladen: |
2462 mal |
|
|
|
|
| Epfi |

Forum-Meister
|
 |
Beiträge: 1.134
|
 |
|
 |
Anmeldedatum: 08.01.09
|
 |
|
 |
Wohnort: ---
|
 |
|
 |
Version: ---
|
 |
|
|
 |
|
Verfasst am: 22.01.2009, 16:15
Titel:
|
 |
| |
 |
|
| tobijingles hat Folgendes geschrieben: |
| ich hab hier mal ein Bild anhand dessen man sich das etwas besser vorstellen kann hoffe ich. |
Dass ich meine Brille zu Hause hab liegen lassen, macht es nicht unbedingt besser ;) Aber es entspricht dem, was ich im Kopf hatte.
| Zitat: |
| Aber warum sollte das elektrische Moment größer sein, als das mechanische Moment, wenn doch eine Regelung den Wechselrichter so einstellt, dass er genau die Leistung die vorne reingeht hinter wieder abgibt. |
Das ist richtig. Wenn die überlagerte Regelung so programmiert ist, dass der Wechselrichter so viel Leistung einspeist, wie der Generator abgibt, dann sollte dieser Fall nicht eintreten. Außer das Moment deiner Turbine bricht so schnell ein, dass die überlagerte Regelung deutlich nachhängt. Aber das sollte ja nicht passieren.
| Zitat: |
| Wenn also die Momente dann immer gleich groß sind, kann man dann vereinfachend annhemen, dass nur die Massenträgheit der Turbinenwelle die Beschleunigung beeinflusst? |
Wenn die Änderung der Drehzahl nicht gerade Sprunghaft erfolgt, würde ich sagen, dass man das darf, ja. Und die Massenträgheit des Generators nicht vergessen, die muss ja auch immer mit der Turbine beschleunigt und verzögert werden.
| Zitat: |
| Muss die Geschwindigkeit dann auf ein zulässiges Maximun durch die Regelung beschränkt werden? |
Durch dein gegebenes Turbinenmoment und die maximale Turbinenleistung ist sie doch schon begrenzt, oder?
| Zitat: |
| Die Elektronik sollte doch der Leistungssteigerung der Turbine nahezhu ohne Zeitverzögerung folgen können? |
Man kann eigentlich grundsätzlich davon ausgehen, dass die Elektronik immer nennenswert schneller ist, als die Mechanik. In vereinfachten Darstellungen tauchen Wechselrichter schonmal als PT1-Glied mit T=1ms auf - nur mal so als Anhaltspunkt.
| Zitat: |
| Nur ist mein Problem, dass ich nach momentanem Kenntnisstand für die Beschleunigung und Geschwindigkeit der Turbine das elektrische Moment das vom Generator kommt berücksichtigen muss. |
Ich bin mir gerade auch nicht ganz im klaren darüber, wie das mit der Energieabnahme aus dem Zwischenkreis ist. Bei kleinen Drehzahlen könnte Deine Klemmenspannung niedriger liegen als die Zwischenkreisspannung. Das hätte aber zur Folge, dass die Dioden des Gleichrichters nicht leitend werden würden. Dann fließt kein Strom in Deiner Maschine und entsprechend hast Du kein elektrisches Moment. Da könnte man aber mit einem Hochsetzsteller (Step-Up-Chopper) Abhilfe schaffen (Elektro-Kram) oder den Betrieb mit niedriger Drehzahl und Leistungsabgabe zum Netz einfach nicht zulassen, und den Wechselrichter erst freischalten, wenn das Generatorsystem hochgelaufen ist bzw. abschalten, wenn es zu langsam wird.
Ohne Hochsetzsteller (also ohne garantierte elektrische Leistungsabnahme) würde die Maschine ohne elektrisches Moment hochdrehen, dabei wird die Spannung größer und erreicht irgendwann den Zwischenkreis wieder. Und was dann passiert weiß ich nicht so recht. Meine Vermutung: Es kann kurz elektrische Energie abgegeben werden, die Maschine wird langsamer, Spannung fällt unter U_ZK, keine Energieabgabe, dadurch kein el. Moment, hochdrehen, erneute Energieabgabe usw. Wenn es doof läuft, triffst Du damit genau die Resonanz von Generatormasse-Generatorwelle-Turbinenmasse ;)
Hier gibt es übrigens eine recht ausführliche Beschreibung von permanenterregten Synchrongeneratoren: http://www.iset.uni-kassel.de/public/kss99/kss996.pdf
Im Betrieb mit ausreichend großer Drehzahl sollte es aber erlaubt sein, davon auszugehen, dass das elektrische Moment sich durch die Leistungsabgabe des Wechselrichters richtig einstellt.
Uff... ;)
|
|
|
|
| tobijingles |

Forum-Newbie
|
 |
Beiträge: 5
|
 |
|
 |
Anmeldedatum: 22.01.09
|
 |
|
 |
Wohnort: ---
|
 |
|
 |
Version: ---
|
 |
|
|
 |
|
Verfasst am: 22.01.2009, 20:02
Titel:
|
 |
| |
 |
|
Sorry, die Qualität ist wirklich nicht so gut!
Vielen Dank für die mehr als ausführliche Antwort! Ich denke ich verstehe jetzt besser worums geht.
Mit Massenträgheit des Generators meinst du die von dem Permanentmagnet, der auf der Turbinenwelle drauf ist? (siehe Bild und Pfeil) Oder gibt es noch eine andere Massenträgheit, die da entsteht?
| Zitat: |
| Durch dein gegebenes Turbinenmoment und die maximale Turbinenleistung ist sie doch schon begrenzt, oder? |
Jein. Also die Turbine ist für 30kW ausgelegt. Und dem entspricht eben eine bestimmte Drehzahl. Aber der Turbine muss ja irgendwer sagen, dass sie aufhören soll zu beschleunigen. Denke das macht dann die Regelung, die darauf achtet, dass z.B. die Abgastemperatur nicht zu sehr steigt oder so...
Könnte dieser "Zwischenspeicher", also da wo Gleichstrom anliegt zwischen den beiden Wechselrichtern "DC Bus" heißen? Und die Spannung entsprechend "DC Bus Voltage"? Dann hätte ich nämlich hier Messdaten darüber, aus denen ich lesen kann, dass da die Spannung in der Regel auf 760 Volt gehalten wird und nur bei Lastwecheln kurzzeitig schwankt. Spräche ja für diese direkte Übertragung ans Netz, die du beshrieben hast.
Also bei Hochsetzsteller etc. hab ich in der Elektronik Vorlesung den Faden verloren damals Kann dir da also nicht so ganz folgen. Aber bei Nulllast läuft die Turbine mit ca. 45000 U/min, das ist denke ich eine relativ hohe Drehzahl.
Nochmals Danke, du hast mir sehr geholfen! Bei weiteren Fragen schreib ich vielleicht nochmal
Tobias
| Beschreibung: |
|
 Download |
| Dateiname: |
rotor.JPG |
| Dateigröße: |
24.33 KB |
| Heruntergeladen: |
2305 mal |
|
|
|
|
| Epfi |

Forum-Meister
|
 |
Beiträge: 1.134
|
 |
|
 |
Anmeldedatum: 08.01.09
|
 |
|
 |
Wohnort: ---
|
 |
|
 |
Version: ---
|
 |
|
|
 |
|
Verfasst am: 22.01.2009, 23:35
Titel:
|
 |
| |
 |
|
| tobijingles hat Folgendes geschrieben: |
| Mit Massenträgheit des Generators meinst du die von dem Permanentmagnet, der auf der Turbinenwelle drauf ist? Oder gibt es noch eine andere Massenträgheit, die da entsteht? |
Wenn das da der gesamte Turbinensatz ist, dann ist das alles, was an Massenträgheit vorhanden ist. Modellieren sollte man das vielleicht als Zweimassenschwinger mit der Sollbruchstelle zwischen Turbinenwelle und Generator als Torsionsfeder ;)
| Zitat: |
| Denke das macht dann die Regelung, die darauf achtet, dass z.B. die Abgastemperatur nicht zu sehr steigt oder so... |
Ja, dafür sollte die Regelung auf jeden Fall sorgen. Man kann die Turbinenleistung auf jeden Fall nicht dadurch kleiner machen, dass man die Leistung einfach nicht abnimmt.
| Zitat: |
| Könnte dieser "Zwischenspeicher", also da wo Gleichstrom anliegt zwischen den beiden Wechselrichtern "DC Bus" heißen? Und die Spannung entsprechend "DC Bus Voltage"? |
Ja, DC steht für Direct Current und heißt zu deutsch Gleichstrom. Ganz korrekt müsste es Gleichspannung heißen. Und "Speicher" ist nicht ganz korrekt, dort sind zwar Kondensatoren untergebracht, aber viel ist das nicht. Nichts desto trotz beim Aufbau vorsichtig sein, bei einem 30kW-Wechselrichter reicht es fürs Grab, wenn man es doof anstellt ;)
| Zitat: |
| DC-Spannung [...] nur bei Lastwecheln kurzzeitig schwankt. |
, Ja das ergibt Sinn. Bei Leistungserhöhungen an der Turbine wird sie vermutlich kurz ansteigen, bis der Wechselrichter nachgezogen ist und andersrum.
| Zitat: |
| Also bei Hochsetzsteller etc. hab ich in der Elektronik Vorlesung den Faden verloren damals :-) |
Easy: 10V rein, 100V raus. Was drinsteckt und wie es funktioniert ist ja im Prinzip egal ;)
| Zitat: |
| Aber bei Nulllast läuft die Turbine mit ca. 45000 U/min, das ist denke ich eine relativ hohe Drehzahl. |
Verglichen mit den 20rpm einer Windkraftanlage geht da schon einiges ;) Kannst ja mal gucken, ob Du irgendwo eine Kennlinie findest, die Dir Auskunft über die Statorspannung in Abhängigkeit der Rotorfrequenz gibt. Aber ich denke, dass die das schon so ausgesucht haben, dass der Generator auf jeden Fall seine Energie los wird.
Grüße, Markus
|
|
|
|
|
|
|
Einstellungen und Berechtigungen
|
|
Du kannst Beiträge in dieses Forum schreiben. Du kannst auf Beiträge in diesem Forum antworten. Du kannst deine Beiträge in diesem Forum nicht bearbeiten. Du kannst deine Beiträge in diesem Forum nicht löschen. Du kannst an Umfragen in diesem Forum nicht mitmachen. Du kannst Dateien in diesem Forum posten Du kannst Dateien in diesem Forum herunterladen
|
|
Impressum
| Nutzungsbedingungen
| Datenschutz
| FAQ
| RSS
Hosted by:
Copyright © 2007 - 2026
goMatlab.de | Dies ist keine offizielle Website der Firma The Mathworks
MATLAB, Simulink, Stateflow, Handle Graphics, Real-Time Workshop, SimBiology, SimHydraulics, SimEvents, and xPC TargetBox are registered trademarks and The MathWorks, the L-shaped membrane logo, and Embedded MATLAB are trademarks of The MathWorks, Inc.
|
|