|
|
|
Problem mit Loop in Simulink |
|
| malue |

Forum-Anfänger
|
 |
Beiträge: 28
|
 |
|
 |
Anmeldedatum: 29.04.13
|
 |
|
 |
Wohnort: ---
|
 |
|
 |
Version: ---
|
 |
|
|
 |
|
Verfasst am: 29.05.2013, 12:03
Titel: Problem mit Loop in Simulink
|
 |
Moin, moin
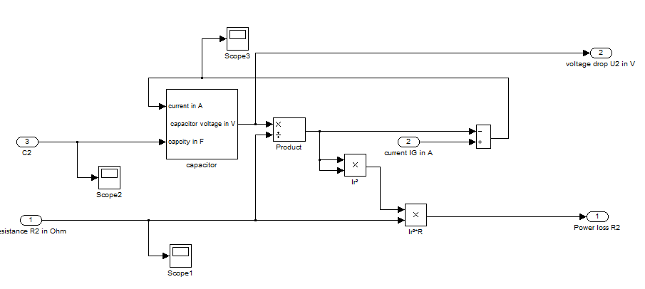
ich bin dabei mein Simulink Modell in einen C-Code (Simulink Coder) zu überführen und muss daher alle im Modell enthaltenen Schleifen "umgehen".
Jetzt hab ich es mir einfach gemacht und in die Rückkopplung einfach Verzögerungsglieder (memory, unit delay) eingesetzt. Bezogen auf die Code Generierung ergab sich kein Problem, dennoch verfälschen diese im Loop eingebrachten Verzögerungsglieder mein Simulationsergebnis.Was kann ich nun machen...Loop --> siehe Anhang/Bild
| Beschreibung: |
|
 Download |
| Dateiname: |
Loop.PNG |
| Dateigröße: |
11.05 KB |
| Heruntergeladen: |
592 mal |
|
|
|
|
|
|
| Harald |

Forum-Meister
|
 |
Beiträge: 24.502
|
 |
|
 |
Anmeldedatum: 26.03.09
|
 |
|
 |
Wohnort: Nähe München
|
 |
|
 |
Version: ab 2017b
|
 |
|
|
 |
|
Verfasst am: 02.06.2013, 10:57
Titel:
|
 |
Hallo,
was ist der Inhalt von capacitor?
Geht es um Rückkopplungen generell oder um algebraic loops?
Grüße,
Harald
|
|
|
|
|
|
|
Einstellungen und Berechtigungen
|
|
Du kannst Beiträge in dieses Forum schreiben. Du kannst auf Beiträge in diesem Forum antworten. Du kannst deine Beiträge in diesem Forum nicht bearbeiten. Du kannst deine Beiträge in diesem Forum nicht löschen. Du kannst an Umfragen in diesem Forum nicht mitmachen. Du kannst Dateien in diesem Forum posten Du kannst Dateien in diesem Forum herunterladen
|
|
Impressum
| Nutzungsbedingungen
| Datenschutz
| FAQ
| RSS
Hosted by:
Copyright © 2007 - 2026
goMatlab.de | Dies ist keine offizielle Website der Firma The Mathworks
MATLAB, Simulink, Stateflow, Handle Graphics, Real-Time Workshop, SimBiology, SimHydraulics, SimEvents, and xPC TargetBox are registered trademarks and The MathWorks, the L-shaped membrane logo, and Embedded MATLAB are trademarks of The MathWorks, Inc.
|
|