|
|
|
[Q] Arbeitspunktberechnung und Systemlineariserung |
|
| Fetzi |

Forum-Newbie
|
 |
Beiträge: 1
|
 |
|
 |
Anmeldedatum: 19.09.17
|
 |
|
 |
Wohnort: ---
|
 |
|
 |
Version: ---
|
 |
|
|
 |
|
Verfasst am: 19.09.2017, 20:51
Titel: [Q] Arbeitspunktberechnung und Systemlineariserung
|
 |
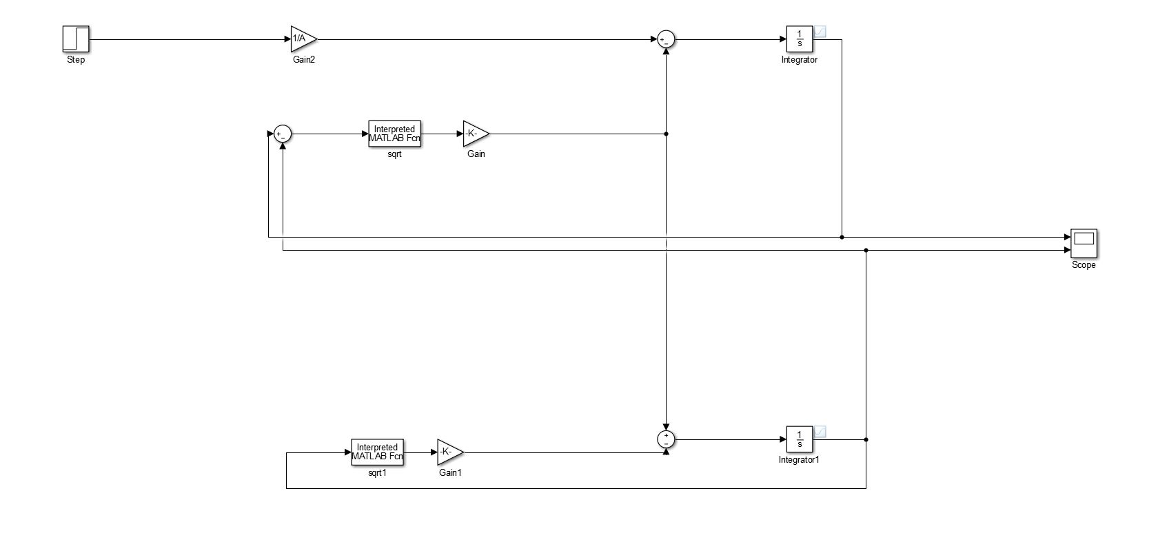
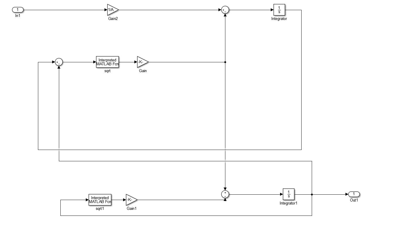
Im Zuge eines Belegs soll ich den Arbeitspunkts eines Systems mit der Funktion "trim" finden und das System anschließen linearisieren mit "linmod".
Wenn ich das linearsierte System simuliere, nährt sich mein Füllstand "lin_h2" jedoch nicht dem Arbeitspunkt von "h2" an, sondern dem Arbeitspunkt von "h1".
Ich habe es auch schon über das "Linear Analysis Tool" gemacht mit demselben Ergebnis.
Vielen Dank im Voraus!
| Beschreibung: |
|
 Download |
| Dateiname: |
Ergebnis.JPG |
| Dateigröße: |
146.81 KB |
| Heruntergeladen: |
814 mal |
| Beschreibung: |
|
 Download |
| Dateiname: |
Aufg3_Simulink.JPG |
| Dateigröße: |
50.43 KB |
| Heruntergeladen: |
753 mal |
| Beschreibung: |
|
 Download |
| Dateiname: |
Aufg3.JPG |
| Dateigröße: |
120.19 KB |
| Heruntergeladen: |
815 mal |
| Beschreibung: |
|
 Download |
| Dateiname: |
Aufg1_Simulink.JPG |
| Dateigröße: |
55.69 KB |
| Heruntergeladen: |
739 mal |
| Beschreibung: |
|
 Download |
| Dateiname: |
Aufg1.jpeg |
| Dateigröße: |
64.62 KB |
| Heruntergeladen: |
752 mal |
|
|
|
|
|
|
|
|
|
Einstellungen und Berechtigungen
|
|
Du kannst Beiträge in dieses Forum schreiben. Du kannst auf Beiträge in diesem Forum antworten. Du kannst deine Beiträge in diesem Forum nicht bearbeiten. Du kannst deine Beiträge in diesem Forum nicht löschen. Du kannst an Umfragen in diesem Forum nicht mitmachen. Du kannst Dateien in diesem Forum posten Du kannst Dateien in diesem Forum herunterladen
|
|
Impressum
| Nutzungsbedingungen
| Datenschutz
| FAQ
| RSS
Hosted by:
Copyright © 2007 - 2026
goMatlab.de | Dies ist keine offizielle Website der Firma The Mathworks
MATLAB, Simulink, Stateflow, Handle Graphics, Real-Time Workshop, SimBiology, SimHydraulics, SimEvents, and xPC TargetBox are registered trademarks and The MathWorks, the L-shaped membrane logo, and Embedded MATLAB are trademarks of The MathWorks, Inc.
|
|