|
|
|
RC Parallelschaltung mit Simulink |
|
| Monty1987 |

Forum-Newbie
|
 |
Beiträge: 5
|
 |
|
 |
Anmeldedatum: 25.06.12
|
 |
|
 |
Wohnort: ---
|
 |
|
 |
Version: ---
|
 |
|
|
 |
|
Verfasst am: 31.08.2012, 10:51
Titel: RC Parallelschaltung mit Simulink
|
 |
Hallo,
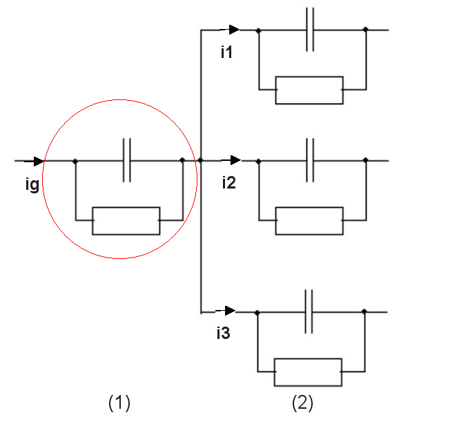
ich möchte die unten abgebildete RC-Schaltung in Simulink simulieren.
Dazu soll erst der im roten Kreis befindliche Teil simuliert werden und dann der Rest angehangen werden.
Wer kann mir eine Abbildung posten wie ich wenigstens das in dem roten Kreis in Simulink simulieren kann.
Es geht mir vor allem um den Einschaltmoment und die ersten Sekunden danach.
Am besten natürlich noch zusätzlich das ganze Ersatzschaltbild .
Das muss ja irgendwie einen Sprung nach oben geben und dann wieder in einer Kurve auf einen bestimmten Wert abfallen. Im ersten Moment muss ja noch der Kondensator geladen werden und danach fließt ja auch weiterhin ein Strom über den Widerstand.
Ich nehme jetzt einfach mal an das alle Kondensatoren [C] 1 mFarad und alle Widerstände [R] 9 kOhm haben.
| Beschreibung: |
|
 Download |
| Dateiname: |
Parallelschaltung RC.png |
| Dateigröße: |
35.04 KB |
| Heruntergeladen: |
1549 mal |
|
|
|
|
|
|
| Tusor |

Forum-Fortgeschrittener
|
 |
Beiträge: 71
|
 |
|
 |
Anmeldedatum: 02.07.09
|
 |
|
 |
Wohnort: ---
|
 |
|
 |
Version: ---
|
 |
|
|
 |
|
Verfasst am: 31.08.2012, 11:20
Titel:
|
 |
Du müsstest einfach die Differentialgleichungen für deine(n) Kondensator aufstellen. Und die kannst du dann im Simulink nachbauen.
Dazu müsste man auch noch definieren, was Eingangssignal und was Ausgangssignal sein soll.
Vielleicht gibt es aber auch eine Simulink-Toolbox, die einem direkt die Möglichkeit gibt Widerstände und Kondensatoren zu verbinden. Aber da das sehr nach Uni-/Schulaufgabe aussieht, lernt man mit den Differentialgleichungen vermutlich mehr
|
|
|
|
| Monty1987 |
Themenstarter

Forum-Newbie
|
 |
Beiträge: 5
|
 |
|
 |
Anmeldedatum: 25.06.12
|
 |
|
 |
Wohnort: ---
|
 |
|
 |
Version: ---
|
 |
|
|
 |
|
Verfasst am: 31.08.2012, 11:58
Titel:
|
 |
Hi,
also als eigentlich handelt es sich hier um ein System aus Schläuchen. Und zwar bei der Feuerwehr - ist eigentlich nur so ne Spielerei. Der Kondensator soll dabei eine Art Ausdehnung des Schlauchs simulieren und der Widerstand die innere Reibung.
Also als Eingang würde ich dem entspreched den Druck also analog die Spannung nehmen. Und als Ausgang den Durchfluss bzw. den Strom.
Ich gebe mal meine abgeschätzten Originalwerte an R = 35 kOhm-> T[L] = 35000 kg/(m⁴*s) und C = 499,5 nF -> k = 0,004995 m³/bar = 0,0000004995m³/Pa
Also Druck würde ich mal so ca. 5 Bar annehmen.
Und der ausgehende Durchfluss soll bestimmt werden!
Wobei mich der Druck auch interessieren würde.
|
|
|
|
| Monty1987 |
Themenstarter

Forum-Newbie
|
 |
Beiträge: 5
|
 |
|
 |
Anmeldedatum: 25.06.12
|
 |
|
 |
Wohnort: ---
|
 |
|
 |
Version: ---
|
 |
|
|
 |
|
Verfasst am: 31.08.2012, 12:10
Titel:
|
 |
Achso falls es noch einen interessiert ich nehme mal folgendes für das rot eingekreiste System an:
q -> i
U -> p
i[g] = i[R] + i[C]
i[g] = U/R + C*du/dt
und jetzt währe es nett wenn mal einer die Bausteine so zusammen schieben würde. Hab nämlich im Moment gerade ein kleines Brett vor dem Kopf.
Das restliche System würde ich übrigens einfach wie folgt beschreiben:
i[g] = 3*(U/R + C*du/dt)
Um das zu simulieren bräuchte ich aber noch analog zu der oberen Simulation als Ausgang den Druck und nicht den Durchfluss. Sonst kann ich die Systeme ja vermutlich nicht koppeln
Wobei das müsste ja eigentlich wie folgt aussehen:
i[g] = U/R + C*du/dt
U= i[g]*R - (C*(du/dt)*R)
Wenn das stimmt würde es mich freuen wenn einer das auch kurz da zusammenklicken könnte.
DANKE!
|
|
|
|
|
|
|
Einstellungen und Berechtigungen
|
|
Du kannst Beiträge in dieses Forum schreiben. Du kannst auf Beiträge in diesem Forum antworten. Du kannst deine Beiträge in diesem Forum nicht bearbeiten. Du kannst deine Beiträge in diesem Forum nicht löschen. Du kannst an Umfragen in diesem Forum nicht mitmachen. Du kannst Dateien in diesem Forum posten Du kannst Dateien in diesem Forum herunterladen
|
|
Impressum
| Nutzungsbedingungen
| Datenschutz
| FAQ
| RSS
Hosted by:
Copyright © 2007 - 2026
goMatlab.de | Dies ist keine offizielle Website der Firma The Mathworks
MATLAB, Simulink, Stateflow, Handle Graphics, Real-Time Workshop, SimBiology, SimHydraulics, SimEvents, and xPC TargetBox are registered trademarks and The MathWorks, the L-shaped membrane logo, and Embedded MATLAB are trademarks of The MathWorks, Inc.
|
|