|
|
|
Regler programmieren Simulink |
|
| gunposer |

Forum-Newbie
|
 |
Beiträge: 9
|
 |
|
 |
Anmeldedatum: 08.01.11
|
 |
|
 |
Wohnort: ---
|
 |
|
 |
Version: ---
|
 |
|
|
 |
|
Verfasst am: 13.12.2011, 15:15
Titel: Regler programmieren Simulink
|
 |
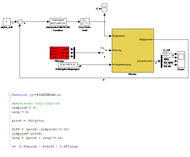
Ich versuchte meinen auf den Mikrocontroller programmierten Regler in Simulink zu programmieren (siehe Anhang).
Doch ich weiß nicht wie ich oldpitch und intg initialisieren kann.
Kwas
| Beschreibung: |
|
 Download |
| Dateiname: |
simuMikrocontrol.png |
| Dateigröße: |
16.42 KB |
| Heruntergeladen: |
1270 mal |
|
|
|
|
|
|
| gunposer |
Themenstarter

Forum-Newbie
|
 |
Beiträge: 9
|
 |
|
 |
Anmeldedatum: 08.01.11
|
 |
|
 |
Wohnort: ---
|
 |
|
 |
Version: ---
|
 |
|
|
 |
|
Verfasst am: 13.12.2011, 15:16
Titel:
|
 |
function [y]=PIDATMEGA8(u)
%persistent intg oldpitch
oldpitch = 0;
intg = 0;
pitch = 180/pi*u;
diff = (pitch- oldpitch)/0.02;
oldpitch= pitch;
intg = (pitch + intg)*0.02;
y= -0.9*pitch - 6*diff - 0.06*intg;
|
|
|
|
|
|
|
Einstellungen und Berechtigungen
|
|
Du kannst Beiträge in dieses Forum schreiben. Du kannst auf Beiträge in diesem Forum antworten. Du kannst deine Beiträge in diesem Forum nicht bearbeiten. Du kannst deine Beiträge in diesem Forum nicht löschen. Du kannst an Umfragen in diesem Forum nicht mitmachen. Du kannst Dateien in diesem Forum posten Du kannst Dateien in diesem Forum herunterladen
|
|
Impressum
| Nutzungsbedingungen
| Datenschutz
| FAQ
| RSS
Hosted by:
Copyright © 2007 - 2026
goMatlab.de | Dies ist keine offizielle Website der Firma The Mathworks
MATLAB, Simulink, Stateflow, Handle Graphics, Real-Time Workshop, SimBiology, SimHydraulics, SimEvents, and xPC TargetBox are registered trademarks and The MathWorks, the L-shaped membrane logo, and Embedded MATLAB are trademarks of The MathWorks, Inc.
|
|