|
|
| Baril |

Forum-Newbie
|
 |
Beiträge: 6
|
 |
|
 |
Anmeldedatum: 25.06.17
|
 |
|
 |
Wohnort: ---
|
 |
|
 |
Version: ---
|
 |
|
|
 |
|
Verfasst am: 29.06.2017, 14:53
Titel: Regler variablen unklar
|
 |
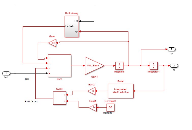
Hallo zusammen kann mir jemand erklären was Gain k1 und Gain h und Gain 1-h machen? Und warum ist die Haftreibung mit allen verbundenen Funktionen ROT?
| Beschreibung: |
|
 Download |
| Dateiname: |
BILDER.jpg |
| Dateigröße: |
40.19 KB |
| Heruntergeladen: |
553 mal |
|
|
|
|
|
|
|
|
|
Einstellungen und Berechtigungen
|
|
Du kannst Beiträge in dieses Forum schreiben. Du kannst auf Beiträge in diesem Forum antworten. Du kannst deine Beiträge in diesem Forum nicht bearbeiten. Du kannst deine Beiträge in diesem Forum nicht löschen. Du kannst an Umfragen in diesem Forum nicht mitmachen. Du kannst Dateien in diesem Forum posten Du kannst Dateien in diesem Forum herunterladen
|
|
Impressum
| Nutzungsbedingungen
| Datenschutz
| FAQ
| RSS
Hosted by:
Copyright © 2007 - 2026
goMatlab.de | Dies ist keine offizielle Website der Firma The Mathworks
MATLAB, Simulink, Stateflow, Handle Graphics, Real-Time Workshop, SimBiology, SimHydraulics, SimEvents, and xPC TargetBox are registered trademarks and The MathWorks, the L-shaped membrane logo, and Embedded MATLAB are trademarks of The MathWorks, Inc.
|
|