|
|
|
Schleifenerstellung in Simulink (Beschleunigung) |
|
| mowad |
CARNOT-Moderator
|
 |
Beiträge: 14
|
 |
|
 |
Anmeldedatum: 22.01.16
|
 |
|
 |
Wohnort: ---
|
 |
|
 |
Version: 2019a
|
 |
|
|
 |
|
Verfasst am: 12.05.2016, 08:54
Titel: Schleifenerstellung in Simulink (Beschleunigung)
|
 |
| |
 |
|
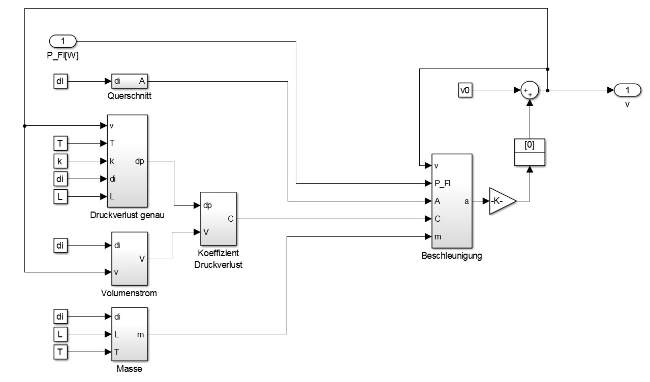
Hallo zusammen,
ich arbeite gerade an einem Modell, das eine Geschwindigkeit eines Mediums ausgeben soll, das variabel beschleunigt wird.
Aktuell ist die Schrittweite fest vorgegeben.
Folgender Zusammenhang gilt:
Meine Probleme sind nun folgende:
1. Die Beschleunigung ist abhängig von der Geschwindigkeit, daher benötige ich eine Startgeschwindigkeit, soweit so gut.
Die Frage ist nur wie baue ich in Simulink die Schleife auf, so dass die Beschleunigung immer auf die aktuelle Geschwindigkeit addiert wird.
Mein Versuch (s. Bild im Anhang) funktioniert nämlich nicht. (die anderen Faktoren zur Beschleunigung sind teilweise auch geschwindigkeitsabhängig)
2. Die Geschwindigkeitszunahme ist ja abhängig von der Dauer in der die Beschleunigung anliegt.
Da mein Modell im Hintergrund noch größer ist, würde ich gerne mit variablen Zeitschritten zur Berechnung arbeiten.
Dann müsste ich die Beschleunigung aber immer mit der jeweiligen Dauer zwischen den zwei Schritten multiplizieren.
Gibt es eine Möglichkeit in Simulink einen Timer zu bauen, der bei jedem Rechenschritt zurückgesetzt wird und der aber nicht die Rechenzeit sondern die Simulationszeit misst?
| Beschreibung: |
|
 Download |
| Dateiname: |
Gesamtmodell.png |
| Dateigröße: |
39.14 KB |
| Heruntergeladen: |
732 mal |
|
|
|
|
|
|
| Mmmartina |

Forum-Meister
|
 |
Beiträge: 745
|
 |
|
 |
Anmeldedatum: 30.10.12
|
 |
|
 |
Wohnort: hier
|
 |
|
 |
Version: R2020a
|
 |
|
|
 |
|
Verfasst am: 12.05.2016, 09:03
Titel:
|
 |
Um aus der Beschleunigung die Geschwindigkeit zu bestimmen, solltest du ja irgendwo einen Integrator versteckt haben.
Bei diesem kann man "Initial condition source:" auf "external" stellen und somit v0 als Constante anhängen.
_________________
LG
Martina
"Wenn wir bedenken, daß wir alle verrückt sind, ist das Leben erklärt." (Mark Twain))
|
|
|
|
| AKNOT |

Forum-Century
|
 |
Beiträge: 129
|
 |
|
 |
Anmeldedatum: 12.10.11
|
 |
|
 |
Wohnort: Bochum
|
 |
|
 |
Version: R2018a
|
 |
|
|
 |
|
Verfasst am: 12.05.2016, 09:08
Titel:
|
 |
|
Genau der von Martina benannte Integrator scheint noch zu fehlen. Der hinter dem Block, der die Beschleunigung berechnet platziert, sollte genau das erschlagen, was du willst.
|
|
|
|
| mowad |
Themenstarter
CARNOT-Moderator
|
 |
Beiträge: 14
|
 |
|
 |
Anmeldedatum: 22.01.16
|
 |
|
 |
Wohnort: ---
|
 |
|
 |
Version: 2019a
|
 |
|
|
 |
|
Verfasst am: 13.05.2016, 10:25
Titel:
|
 |
Danke für eure Hilfe, genau das hat meine beiden Probleme gelöst.
Manchmal hat man einfach ein Brett vor dem Kopf, und versucht die Beschleunigung mit Zeitschritten zu multiplizieren anstatt sie einfach zu integrieren.
|
|
|
|
|
|
|
Einstellungen und Berechtigungen
|
|
Du kannst Beiträge in dieses Forum schreiben. Du kannst auf Beiträge in diesem Forum antworten. Du kannst deine Beiträge in diesem Forum nicht bearbeiten. Du kannst deine Beiträge in diesem Forum nicht löschen. Du kannst an Umfragen in diesem Forum nicht mitmachen. Du kannst Dateien in diesem Forum posten Du kannst Dateien in diesem Forum herunterladen
|
|
Impressum
| Nutzungsbedingungen
| Datenschutz
| FAQ
| RSS
Hosted by:
Copyright © 2007 - 2026
goMatlab.de | Dies ist keine offizielle Website der Firma The Mathworks
MATLAB, Simulink, Stateflow, Handle Graphics, Real-Time Workshop, SimBiology, SimHydraulics, SimEvents, and xPC TargetBox are registered trademarks and The MathWorks, the L-shaped membrane logo, and Embedded MATLAB are trademarks of The MathWorks, Inc.
|
|