|
|
|
[SimMechanics] Problem mit Drehimpuls |
|
| Gast_Elias |
Gast
|
 |
Beiträge: ---
|
 |
|
 |
Anmeldedatum: ---
|
 |
|
 |
Wohnort: ---
|
 |
|
 |
Version: ---
|
 |
|
|
 |
|
Verfasst am: 19.12.2012, 14:41
Titel: [SimMechanics] Problem mit Drehimpuls
|
 |
| |
 |
|
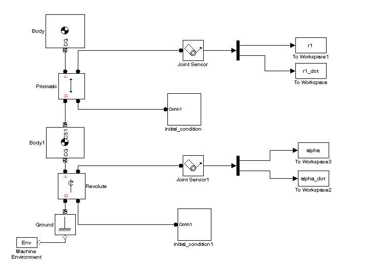
Hallo Zusammen,
Ich habe ein ziemlich einfaches SimMechanics Modell: Ein Massepunkt der Masse 1kg ist rotier- und verschiebbar mit der Umgebung verbunden, dabei wird der Drehwinkel Alpha und der Abstand vom Ausgangspunkt r1 sowie die beiden Ableitungen davon gemessen. Dank den Anfangsbedingungen gilt: alpha[0] = pi/3 rad, alpha_dot[0] = 4.5 rad/s, r1[0] = 1, r1_dot[0] = 0.
Da die Gravitation im Modell auf 0 gesetzt ist und auch sonst keine Kräfte wirken, erwarte ich, dass die kinetische Energie sowie der Drehimpuls konstant bleiben - dies ist aber nicht der Fall, wie die angehängten Grafiken zeigen. Kann mir dies irgendwer erklären?!
Ich wäre sehr dankbar über eine Antwort, ich brüte nun schon viel zu lange an dem Problem!
Liebe Grüsse,
Elias
PS.
Verwendete Formel für Drehimpuls: m*r1^2*alpha_dot
Kinetische Energie: m/2*(r1_dot^2 + r1^2*alpha_dot^2)
| Beschreibung: |
| Drehimpuls (gelb) und kinetische Energie (blau) |
|
 Download |
| Dateiname: |
drehimpuls.jpg |
| Dateigröße: |
13.63 KB |
| Heruntergeladen: |
637 mal |
| Beschreibung: |
| Die Trajektorie des Massepunktes (schwarz) |
|
 Download |
| Dateiname: |
Trajektorie.jpg |
| Dateigröße: |
23.78 KB |
| Heruntergeladen: |
691 mal |
| Beschreibung: |
|
 Download |
| Dateiname: |
Modell.jpg |
| Dateigröße: |
27.65 KB |
| Heruntergeladen: |
609 mal |
|
|
|
|
|
|
|
|
|
Einstellungen und Berechtigungen
|
|
Du kannst Beiträge in dieses Forum schreiben. Du kannst auf Beiträge in diesem Forum antworten. Du kannst deine Beiträge in diesem Forum nicht bearbeiten. Du kannst deine Beiträge in diesem Forum nicht löschen. Du kannst an Umfragen in diesem Forum nicht mitmachen. Du kannst Dateien in diesem Forum posten Du kannst Dateien in diesem Forum herunterladen
|
|
Impressum
| Nutzungsbedingungen
| Datenschutz
| FAQ
| RSS
Hosted by:
Copyright © 2007 - 2026
goMatlab.de | Dies ist keine offizielle Website der Firma The Mathworks
MATLAB, Simulink, Stateflow, Handle Graphics, Real-Time Workshop, SimBiology, SimHydraulics, SimEvents, and xPC TargetBox are registered trademarks and The MathWorks, the L-shaped membrane logo, and Embedded MATLAB are trademarks of The MathWorks, Inc.
|
|