|
|
|
Simulation starten aber durch Fehlermeldung abgebrochen |
|
| Flawo |

Forum-Newbie
|
 |
Beiträge: 6
|
 |
|
 |
Anmeldedatum: 20.05.12
|
 |
|
 |
Wohnort: ---
|
 |
|
 |
Version: ---
|
 |
|
|
 |
|
Verfasst am: 08.07.2012, 22:29
Titel: Simulation starten aber durch Fehlermeldung abgebrochen
|
 |
| |
 |
|
Hallo ihr,
es war ein Simulink-Model mit mehreren Subsystemen erstellt. Die Simulation des Oroginal-Models lief.
Danach wurden Paar Modifikationen des Models erstellt (die Änderungen des Original-Models waren nicht drastisch, sagen wir es war die Reihenfolge der erstellten Komponenten getauscht).
Bei der Modifikationen:
Simulationsprozess 'Run' startete und lief ca 0.11 sekunden, danach ergab sich Fehlermeldung in einem Addierer und Dividierer. Ich habe Simulationsschritt (step size) gewechselt und das hat geholfen: die Simulation der 3 von 4 Modifikationen laufen.
Bei der 4-ten Simulation habe ich das gleich probiert (Änderung der step-size sehr vile gespielt, tollerance, verschied. Methoden Runge-Kudta u.s.w. , Änderung der Start-Werte ) bis jetzt hat es nicht geholfen.
Was kann man da noch machen? Es war keine Änderung des Simulationsmodels außer Komponentenreihenfolge und verwandte Modifikationen funktionieren...
|
|
|
|
|
|
| Andreas Goser |

Forum-Meister
|
 |
Beiträge: 3.654
|
 |
|
 |
Anmeldedatum: 04.12.08
|
 |
|
 |
Wohnort: Ismaning
|
 |
|
 |
Version: 1.0
|
 |
|
|
 |
|
Verfasst am: 09.07.2012, 09:09
Titel:
|
 |
Bitte die genaue Fehlermeldung lieferen oder das Modell dem Technischen Support zur Verfügung stellen.
Andreas
|
|
|
|
| Flawo |
Themenstarter

Forum-Newbie
|
 |
Beiträge: 6
|
 |
|
 |
Anmeldedatum: 20.05.12
|
 |
|
 |
Wohnort: ---
|
 |
|
 |
Version: ---
|
 |
|
|
 |
|
Verfasst am: 09.07.2012, 09:19
Titel:
|
 |
Simulation Diagnostics: Block error
Algebraic state in algebraic loop containing 'Variante_3' computed at time 2.0 is Inf or NaN. There may be a singularity in the solution. If the model is correct, try reducing the step size (either by reducing the fixed step size or by tightening the error tolerances)
|
|
|
|
| Andreas Goser |

Forum-Meister
|
 |
Beiträge: 3.654
|
 |
|
 |
Anmeldedatum: 04.12.08
|
 |
|
 |
Wohnort: Ismaning
|
 |
|
 |
Version: 1.0
|
 |
|
|
 |
|
Verfasst am: 09.07.2012, 09:58
Titel:
|
 |
Die nächste Frage ist, ob die Modellerung ungünstig oder falsch ist oder die Meldung durch andere Modellierung verhindert werde kann, oder ob "es halt so ist", weil die zu modelliernde Realität einfach so ist.
Aufgrund der Tatsache, dass es wohl ein Modell gegeben hat, dass normal durchlief und nach leichter Modifikation nicht mehr, vermute ich, dass eine Modellierungsfehler vorliegt. Nach meiner Erfahrung kann man das nur unterstützen, wenn man das Modell vorliegen hat.
Andreas
|
|
|
|
| cybbi |

Forum-Fortgeschrittener
|
 |
Beiträge: 84
|
 |
|
 |
Anmeldedatum: 23.08.11
|
 |
|
 |
Wohnort: ---
|
 |
|
 |
Version: Alle
|
 |
|
|
 |
|
Verfasst am: 09.07.2012, 11:16
Titel:
|
 |
So wie ich die Fehlermeldung interpretiere, hast du eine nicht konvergierende algebraische Schleife vorliegen. Algebraische Schleifen sind Systeme, deren Ausgang zum gleichen Simulationszeitpunkt vom Eingang abhängig ist, und der Eingang wiederum vom Ausgang abhängig ist. Solche Systeme kann Simulink iterativ lösen, es kann aber passieren, dass die Lösung nicht konvergiert. Dadurch bekommst du in irgendwelchen Solverwerten plötzlich ein "inf" oder "NaN", weil du außerhalb des darstellbaren Bereiches bist (weil double halt nicht unendlich viel Zahlen speichern kann...)
Diese Schleife musst du aufbrechen. Entweder über Delay-Blöcke (ändert allerdings unter Umständen das Systemverhalten) oder du modellierst deine Gleichungen neu.
Trotzdem: Ohne das Modell können wir dir wenig weiterhelfen.
|
|
|
|
| Flawo |
Themenstarter

Forum-Newbie
|
 |
Beiträge: 6
|
 |
|
 |
Anmeldedatum: 20.05.12
|
 |
|
 |
Wohnort: ---
|
 |
|
 |
Version: ---
|
 |
|
|
 |
|
Verfasst am: 13.07.2012, 00:12
Titel:
|
 |
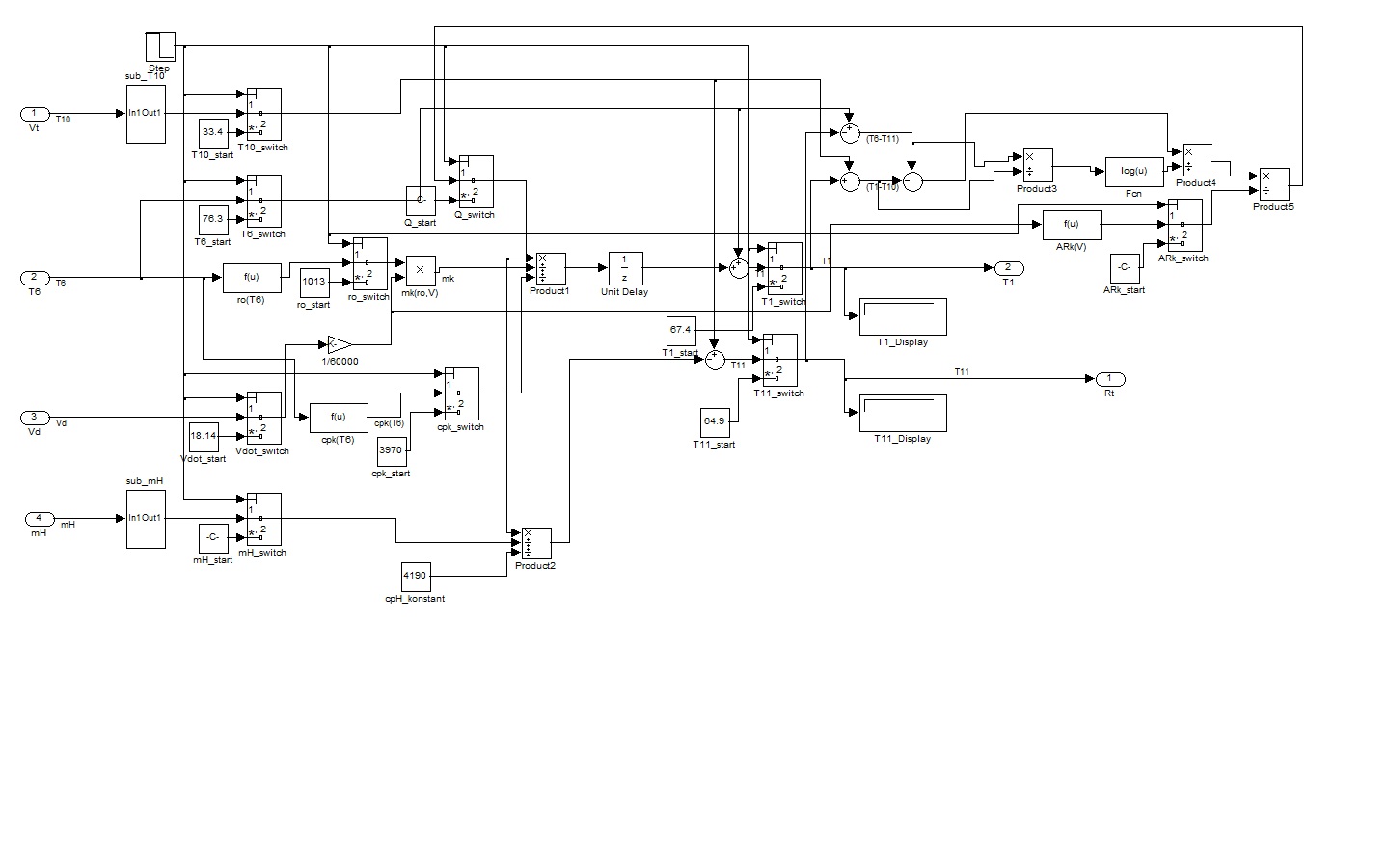
Anbei ist Blockschaltbild.
Das erwähne Fehlermeldung ergibt sich und dabei ist der Block 'Product3' [*/] gelb markiert (bei Run).
Wenn man damit bisschen mit dem Model spielt - dann wird der Block 'Sum' [+-] davor T6-T11 bei RUN gelb markiert...
| Beschreibung: |
|
 Download |
| Dateiname: |
Unbenannt_1.jpg |
| Dateigröße: |
136.42 KB |
| Heruntergeladen: |
680 mal |
|
|
|
|
| cybbi |

Forum-Fortgeschrittener
|
 |
Beiträge: 84
|
 |
|
 |
Anmeldedatum: 23.08.11
|
 |
|
 |
Wohnort: ---
|
 |
|
 |
Version: Alle
|
 |
|
|
 |
|
Verfasst am: 13.07.2012, 08:52
Titel:
|
 |
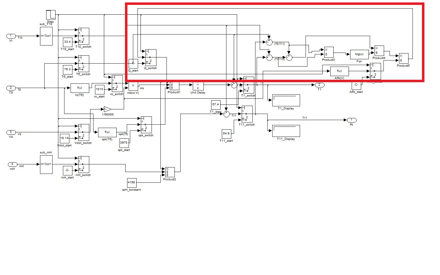
Das liegt wie bereits bemerkt an einer algebraischen Schleife, die wohl nicht vernünftig aufgelöst werden kann. Ich hab dir das in folgendem Bild mal markiert (siehe Anhang).
| Beschreibung: |
|
 Download |
| Dateiname: |
Unbenannt_1.jpg |
| Dateigröße: |
143.1 KB |
| Heruntergeladen: |
692 mal |
|
|
|
|
| Flawo |
Themenstarter

Forum-Newbie
|
 |
Beiträge: 6
|
 |
|
 |
Anmeldedatum: 20.05.12
|
 |
|
 |
Wohnort: ---
|
 |
|
 |
Version: ---
|
 |
|
|
 |
|
Verfasst am: 16.07.2012, 23:41
Titel:
|
 |
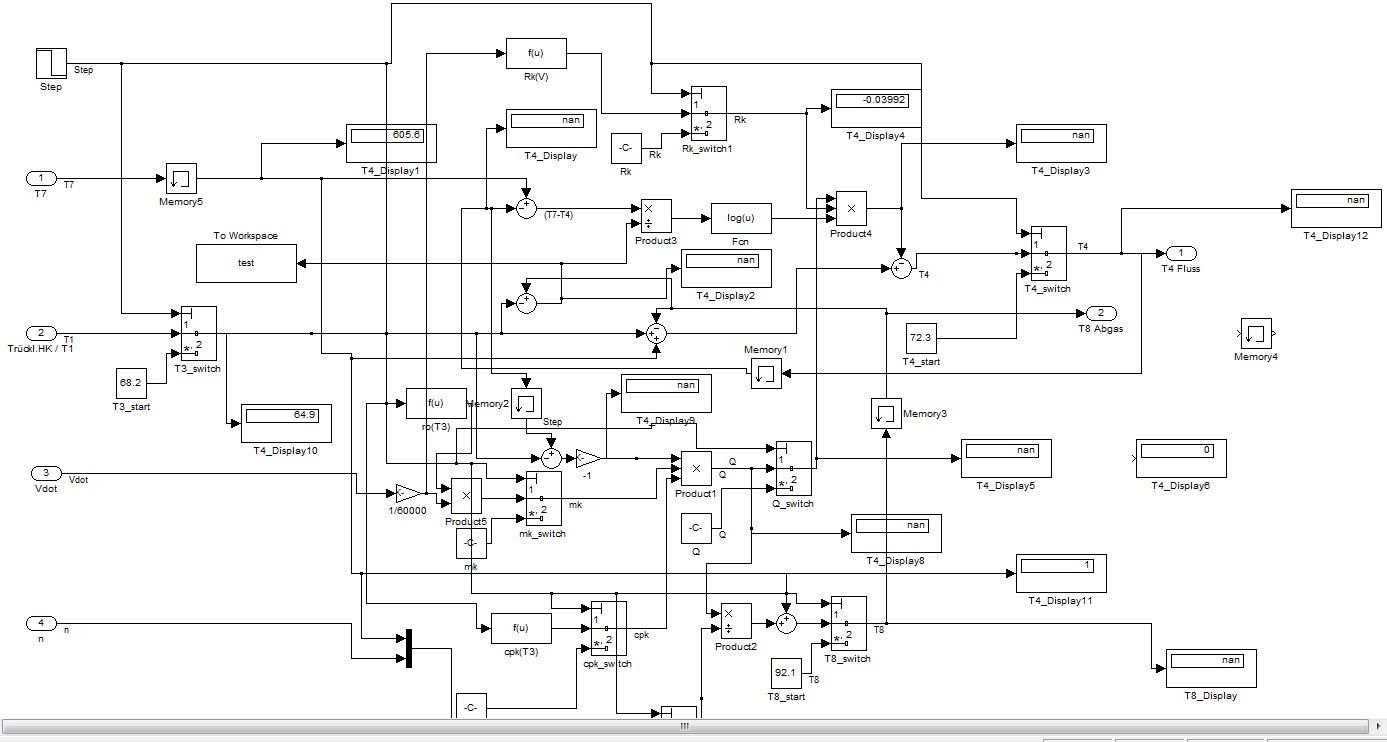
Hier (s.Anlage) nach der Einbau von Memory/Verzögerungsblöcke wurde die Simulation des Systems ins Laufen gebracht.
(Früher übliche Fehlermeldung 'Algebräische Schleife').
Jetzt liefert das Gesamtmodel alle Werte; außer im beigefügten Subsystem:
NaN für T4 Fluss Output
NaN für T8 (Unten)
Habe schon an verschiedenen Punkten Displays platziert. Nur noch immer keine T4 und T8 am Ausgang.
Meiner Meinung nach liegt das Problem wo Zweig 'T7-T4'. Wenn T7 schon bereitgestellt ist, ist noch kein T4 bereitgestellt... ??
Wie kann man T4 um richtigen Zeitpunkt zum Block T7-T4 liefern ? Sollte ein Startwert T4 auf irgendeine Weise zugewiesen werden?
Ich bitte euch um die Rettung.
Was kann man machen/tricken um T4 und T8 zum outputs bekommen?
| Beschreibung: |
|
 Download |
| Dateiname: |
Nant1.jpg |
| Dateigröße: |
171.25 KB |
| Heruntergeladen: |
659 mal |
|
|
|
|
|
|
|
Einstellungen und Berechtigungen
|
|
Du kannst Beiträge in dieses Forum schreiben. Du kannst auf Beiträge in diesem Forum antworten. Du kannst deine Beiträge in diesem Forum nicht bearbeiten. Du kannst deine Beiträge in diesem Forum nicht löschen. Du kannst an Umfragen in diesem Forum nicht mitmachen. Du kannst Dateien in diesem Forum posten Du kannst Dateien in diesem Forum herunterladen
|
|
Impressum
| Nutzungsbedingungen
| Datenschutz
| FAQ
| RSS
Hosted by:
Copyright © 2007 - 2026
goMatlab.de | Dies ist keine offizielle Website der Firma The Mathworks
MATLAB, Simulink, Stateflow, Handle Graphics, Real-Time Workshop, SimBiology, SimHydraulics, SimEvents, and xPC TargetBox are registered trademarks and The MathWorks, the L-shaped membrane logo, and Embedded MATLAB are trademarks of The MathWorks, Inc.
|
|