|
|
|
Simulink Block soll nur alle 10 Schritte aufgerufen werden |
|
| Super8film |

Forum-Fortgeschrittener
|
 |
Beiträge: 57
|
 |
|
 |
Anmeldedatum: 13.06.12
|
 |
|
 |
Wohnort: ---
|
 |
|
 |
Version: ---
|
 |
|
|
 |
|
Verfasst am: 10.08.2013, 10:46
Titel: Simulink Block soll nur alle 10 Schritte aufgerufen werden
|
 |
Hey,
gibt es die Möglichkeit einem Simulink Block zu sagen, dass er nur alle 10 Schritte aufgerufen werden soll und ein anderer immer?
Hatte es über "Simulation -> Configuartion Parameters" überlegt, aber das gibt über "fixed Step" versucht, aber das gibt dem ganzen System den "Takt" vor.
|
|
|
|
|
|
| Harald |

Forum-Meister
|
 |
Beiträge: 24.502
|
 |
|
 |
Anmeldedatum: 26.03.09
|
 |
|
 |
Wohnort: Nähe München
|
 |
|
 |
Version: ab 2017b
|
 |
|
|
 |
|
Verfasst am: 10.08.2013, 11:28
Titel:
|
 |
Hallo,
du kannst in den einzelnen Blöcken die Abtastrate (Sampling Rate) vorgeben. Ich würde Rate Transition Blöcke empfehlen um sicherzustellen, dass die richtigen Blöcke mit der richtigen Abtastrate ausgeführt werden.
Grüße,
Harald
|
|
|
|
| twols |

Forum-Anfänger
|
 |
Beiträge: 44
|
 |
|
 |
Anmeldedatum: 05.03.11
|
 |
|
 |
Wohnort: ---
|
 |
|
 |
Version: ---
|
 |
|
|
 |
|
Verfasst am: 10.08.2013, 12:33
Titel:
|
 |
|
Oder du nimmst einen Impulsgenerator und stellst ihn auf sample based um. Seinen Ausgang benutzst du als Trigger Eingang für ein Subsystem mit deinem Block...
|
|
|
|
| Super8film |
Themenstarter

Forum-Fortgeschrittener
|
 |
Beiträge: 57
|
 |
|
 |
Anmeldedatum: 13.06.12
|
 |
|
 |
Wohnort: ---
|
 |
|
 |
Version: ---
|
 |
|
|
 |
|
Verfasst am: 10.08.2013, 21:21
Titel:
|
 |
| Harald hat Folgendes geschrieben: |
Hallo,
du kannst in den einzelnen Blöcken die Abtastrate (Sampling Rate) vorgeben. Ich würde Rate Transition Blöcke empfehlen um sicherzustellen, dass die richtigen Blöcke mit der richtigen Abtastrate ausgeführt werden.
Grüße,
Harald |
Ah genau diese Sampling Rate der einzelen Blöcke finden war mein Problem
"Subsystem Parameters -> Treat as atomic unit -> Sample Time"
ok- nächstes Problem aber das scheint nummerisch zu sein. Danke für die Hilfe!
| Zitat: |
Oder du nimmst einen Impulsgenerator und stellst ihn auf sample based um. Seinen Ausgang benutzst du als Trigger Eingang für ein Subsystem mit deinem Block...
|
Yo ich wollte halt was fertiges nehmen nach Möglichkeit, aber auch ne gute Idee!
|
|
|
|
| Harald |

Forum-Meister
|
 |
Beiträge: 24.502
|
 |
|
 |
Anmeldedatum: 26.03.09
|
 |
|
 |
Wohnort: Nähe München
|
 |
|
 |
Version: ab 2017b
|
 |
|
|
 |
|
Verfasst am: 10.08.2013, 21:43
Titel:
|
 |
Hallo,
| Zitat: |
| ok- nächstes Problem aber das scheint nummerisch zu sein. |
und welches Problem?
Grüße,
Harald
|
|
|
|
| Super8film |
Themenstarter

Forum-Fortgeschrittener
|
 |
Beiträge: 57
|
 |
|
 |
Anmeldedatum: 13.06.12
|
 |
|
 |
Wohnort: ---
|
 |
|
 |
Version: ---
|
 |
|
|
 |
|
Verfasst am: 10.08.2013, 22:35
Titel:
|
 |
| Zitat: |
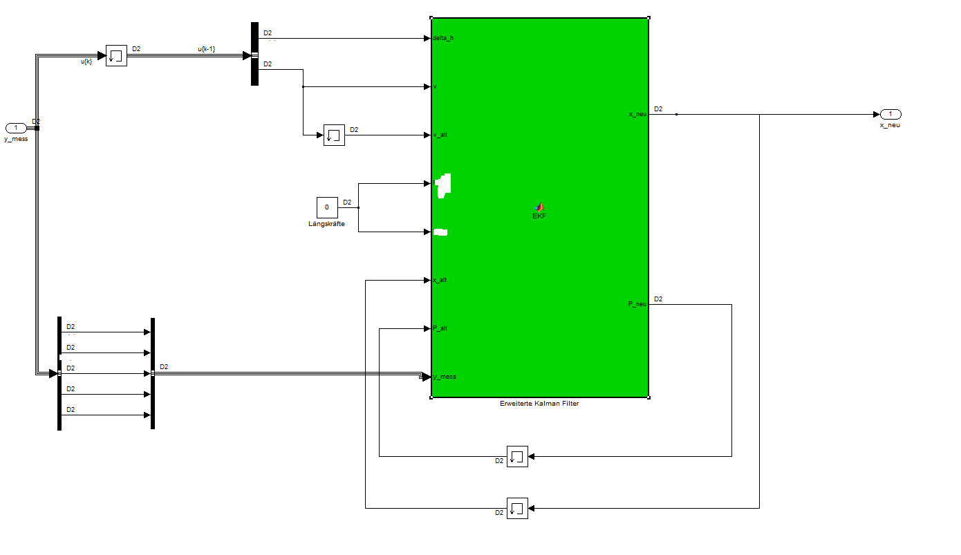
Data 'x_neu' (#66) is inferred as a variable size matrix, while its
specified type is something else.
|
Denke, dass die Matrixgröße (sollte eigentlich ein Vektor also nx1-Matrix sein als Ausgang) nicht immer die gleiche Größe hat,oder??
| Beschreibung: |
|
 Download |
| Dateiname: |
prob.png |
| Dateigröße: |
37.05 KB |
| Heruntergeladen: |
646 mal |
|
|
|
|
| Super8film |
Themenstarter

Forum-Fortgeschrittener
|
 |
Beiträge: 57
|
 |
|
 |
Anmeldedatum: 13.06.12
|
 |
|
 |
Wohnort: ---
|
 |
|
 |
Version: ---
|
 |
|
|
 |
|
Verfasst am: 11.08.2013, 09:33
Titel:
|
 |
|
jo war so! Danke für den sample rate tipp! Genau das was ich gesucht habe
|
|
|
|
|
|
|
Einstellungen und Berechtigungen
|
|
Du kannst Beiträge in dieses Forum schreiben. Du kannst auf Beiträge in diesem Forum antworten. Du kannst deine Beiträge in diesem Forum nicht bearbeiten. Du kannst deine Beiträge in diesem Forum nicht löschen. Du kannst an Umfragen in diesem Forum nicht mitmachen. Du kannst Dateien in diesem Forum posten Du kannst Dateien in diesem Forum herunterladen
|
|
Impressum
| Nutzungsbedingungen
| Datenschutz
| FAQ
| RSS
Hosted by:
Copyright © 2007 - 2026
goMatlab.de | Dies ist keine offizielle Website der Firma The Mathworks
MATLAB, Simulink, Stateflow, Handle Graphics, Real-Time Workshop, SimBiology, SimHydraulics, SimEvents, and xPC TargetBox are registered trademarks and The MathWorks, the L-shaped membrane logo, and Embedded MATLAB are trademarks of The MathWorks, Inc.
|
|