|
|
|
Simulink Signal verzögern/verlängern |
|
| Various |

Forum-Newbie
|
 |
Beiträge: 1
|
 |
|
 |
Anmeldedatum: 11.02.20
|
 |
|
 |
Wohnort: ---
|
 |
|
 |
Version: ---
|
 |
|
|
 |
|
Verfasst am: 11.02.2020, 02:13
Titel: Simulink Signal verzögern/verlängern
|
 |
| |
 |
|
Hi,
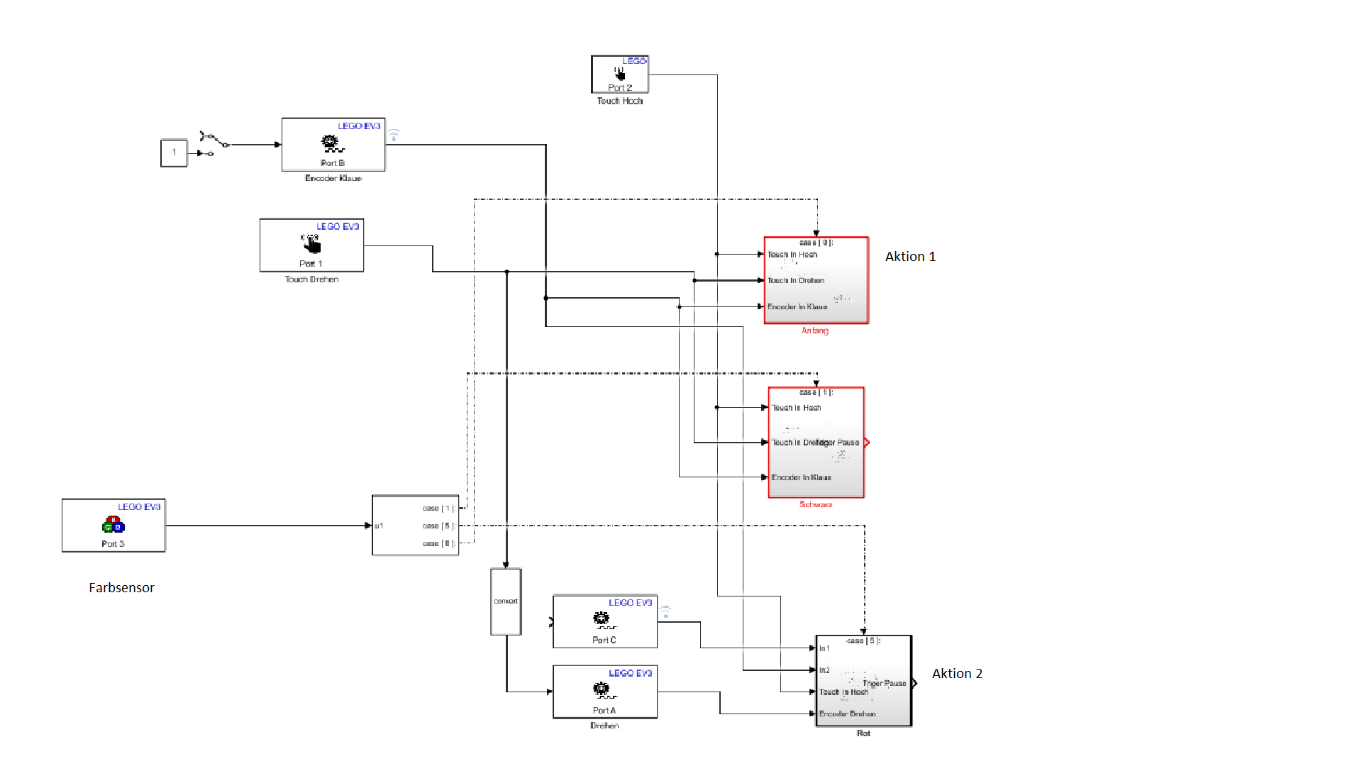
Ich muss von einem Farbsensor, der Werte von 0-7 aus gibt, die Änderung des Signals sozusagen verlängern.
Also an meinem Beispiel: Wenn eine Farbe erkannt wird, soll eine Reihe an Aktionen ausgeführt werden (die über Action Subsystems angesteuert werden können). Das Problem ist nur, dass diese Farbe durch die Aktion2 wieder einen anderen Wert annimmt, weil der Sensor einen Baustein vor sich liegen hat, dessen Farbe gemessen wird, aber dann durch die Aktion2 eben entfernt wird. Und weil diese Farbe sich ändert, aktiviert sich ein anderes Subsystem (Aktion1), welches den Baustein wieder hin legen würde.
Um das zu verhindern, wollte ich ein Delay zwischen Farbsensor und den Cases einbauen, aber klappt das nicht ganz wie gewollt und habe ich keine andere Lösung parat. Auch ein Delay zwischen Case und Subsystem bauen geht nicht, weil das Simulink nicht erlaubt.
Vielen Dank für Hilfe und Tschuldigung, wenn das im falschen Sub ist!
| Beschreibung: |
| Das, worum es hier geht, sind die Blöcke mit "Farbsensor", "Aktion1", "Aktion2". Dazwischen sind noch verschiedene Cases, weil der Farbsensor ja auch mehrere Cases ausgibt und die Subsystems darüber aktiviert werden |
|
 Download |
| Dateiname: |
EV3Blau.png |
| Dateigröße: |
55 KB |
| Heruntergeladen: |
352 mal |
|
|
|
|
|
|
|
|
|
Einstellungen und Berechtigungen
|
|
Du kannst Beiträge in dieses Forum schreiben. Du kannst auf Beiträge in diesem Forum antworten. Du kannst deine Beiträge in diesem Forum nicht bearbeiten. Du kannst deine Beiträge in diesem Forum nicht löschen. Du kannst an Umfragen in diesem Forum nicht mitmachen. Du kannst Dateien in diesem Forum posten Du kannst Dateien in diesem Forum herunterladen
|
|
Impressum
| Nutzungsbedingungen
| Datenschutz
| FAQ
| RSS
Hosted by:
Copyright © 2007 - 2026
goMatlab.de | Dies ist keine offizielle Website der Firma The Mathworks
MATLAB, Simulink, Stateflow, Handle Graphics, Real-Time Workshop, SimBiology, SimHydraulics, SimEvents, and xPC TargetBox are registered trademarks and The MathWorks, the L-shaped membrane logo, and Embedded MATLAB are trademarks of The MathWorks, Inc.
|
|