|
|
|
Sinus ohne Trigonometrische Fkt. |
|
| Simulink-Neuling |
Gast
|
 |
Beiträge: ---
|
 |
|
 |
Anmeldedatum: ---
|
 |
|
 |
Wohnort: ---
|
 |
|
 |
Version: ---
|
 |
|
|
 |
|
Verfasst am: 06.11.2014, 10:43
Titel: Sinus ohne Trigonometrische Fkt.
|
 |
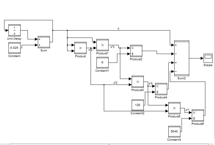
Hallo zusammen,
ich versuche einen Sinus ohne die Trigonometrische Funktion zu erzeugen.
Realisieren kann man das ganze ja über eine Taylor-Reihe.
Ich habe die Taylor-Reihe nun bis zum 4 Glied aufgebaut.
Leider kriege ich es nicht hin, dass es eine dauerhafte Schwingung ergibt.
Kann mir jemand helfen?
Vielen Dank im voraus!
| Beschreibung: |
|
 Download |
| Dateiname: |
sinus2.mdl |
| Dateigröße: |
55.44 KB |
| Heruntergeladen: |
652 mal |
| Beschreibung: |
|
 Download |
| Dateiname: |
Graph-1.JPG |
| Dateigröße: |
49.81 KB |
| Heruntergeladen: |
584 mal |
| Beschreibung: |
|
 Download |
| Dateiname: |
2.jpg |
| Dateigröße: |
38.85 KB |
| Heruntergeladen: |
557 mal |
|
|
|
|
|
|
| Simulink-Neuling |
Gast
|
 |
Beiträge: ---
|
 |
|
 |
Anmeldedatum: ---
|
 |
|
 |
Wohnort: ---
|
 |
|
 |
Version: ---
|
 |
|
|
 |
|
Verfasst am: 06.11.2014, 10:44
Titel:
|
 |
|
Also ich muss das ganze ja wieder resetten, damit er die Schwingung neu anfängt. Aber irgendwie kriege ich das nicht gebacken...
|
|
|
|
| Simulink-Neuling |
Gast
|
 |
Beiträge: ---
|
 |
|
 |
Anmeldedatum: ---
|
 |
|
 |
Wohnort: ---
|
 |
|
 |
Version: ---
|
 |
|
|
 |
|
Verfasst am: 06.11.2014, 13:46
Titel:
|
 |
Hat sich erledigt, habs geschafft.
Schwere Geburt...
| Beschreibung: |
|
 Download |
| Dateiname: |
Sinus_Funktion.mdl |
| Dateigröße: |
63.03 KB |
| Heruntergeladen: |
629 mal |
|
|
|
|
|
|
|
Einstellungen und Berechtigungen
|
|
Du kannst Beiträge in dieses Forum schreiben. Du kannst auf Beiträge in diesem Forum antworten. Du kannst deine Beiträge in diesem Forum nicht bearbeiten. Du kannst deine Beiträge in diesem Forum nicht löschen. Du kannst an Umfragen in diesem Forum nicht mitmachen. Du kannst Dateien in diesem Forum posten Du kannst Dateien in diesem Forum herunterladen
|
|
Impressum
| Nutzungsbedingungen
| Datenschutz
| FAQ
| RSS
Hosted by:
Copyright © 2007 - 2026
goMatlab.de | Dies ist keine offizielle Website der Firma The Mathworks
MATLAB, Simulink, Stateflow, Handle Graphics, Real-Time Workshop, SimBiology, SimHydraulics, SimEvents, and xPC TargetBox are registered trademarks and The MathWorks, the L-shaped membrane logo, and Embedded MATLAB are trademarks of The MathWorks, Inc.
|
|