|
|
|
Solver-Einstellungen führen zu nicht korrektem Signal |
|
| nils08 |
Gast
|
 |
Beiträge: ---
|
 |
|
 |
Anmeldedatum: ---
|
 |
|
 |
Wohnort: ---
|
 |
|
 |
Version: ---
|
 |
|
|
 |
|
Verfasst am: 20.06.2015, 13:26
Titel: Solver-Einstellungen führen zu nicht korrektem Signal
|
 |
| |
 |
|
Hallo zusammen,
bin noch neu was die Anwendung von Simulink betrifft.
Ich habe da ein Problem bei der Ausgabe eines PWM-Signals. Teilweise wird der anfangs erzeugte Sägezahn bei hohen Anforderungen (hohe Simulationszeit, hohe Frequenz) nicht richtig erzeugt, was zu einem falschen PWM führt.
Ich vermute, dass es an meinen Solver-Einstellungen liegt.
Daher meine Frage: Weißt jemand von Euch Experten, an welchen Einstellungen gedreht werden muss, um ein korrektes PWM-Signal zu erhalten?
Wichtig wäre, dass das PWM in der Frequenz <=25 einstellbar ist und einen flexiblen Duty Cyle besitzt.
Ich habe schon mit Fixed und Variable step gearbeitet sowie die relative tolerance angepasst. Das Ergebnis hat sich auch schon verbessert, aber seit ich mit der Frequenz im Bereich 20Hz arbeite, tritt das Problem wieder auf.
Besten Danke für Hinweise und Vorschläge.
Gruß Nils
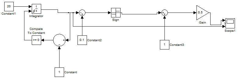
| Beschreibung: |
| Falls ihr weitere Infos braucht zum Model oder zur aktuellen Solver-Einstellung, einfach Bescheid geben. Danke. |
|
 Download |
| Dateiname: |
PWM.PNG |
| Dateigröße: |
7.91 KB |
| Heruntergeladen: |
570 mal |
|
|
|
|
|
|
| Harald |

Forum-Meister
|
 |
Beiträge: 24.502
|
 |
|
 |
Anmeldedatum: 26.03.09
|
 |
|
 |
Wohnort: Nähe München
|
 |
|
 |
Version: ab 2017b
|
 |
|
|
 |
|
Verfasst am: 20.06.2015, 14:05
Titel:
|
 |
Hallo,
welchen Solver hast du denn ausgewählt?
Hilfreicher als ein Screenshot des Modells wäre das Modell an sich, damit man verschiedene Einstellungen testen kann. Das kannst du übrigens natürlich auch machen :)
Grüße,
Harald
|
|
|
|
| nils08 |
Gast
|
 |
Beiträge: ---
|
 |
|
 |
Anmeldedatum: ---
|
 |
|
 |
Wohnort: ---
|
 |
|
 |
Version: ---
|
 |
|
|
 |
|
Verfasst am: 20.06.2015, 14:51
Titel:
|
 |
Hallo Harald,
danke zunächst für deine schnelle Antwort.
Ich habe mal das Model beigefügt.
Mit den aktuellen Einstellungen werden teilweise nicht korrekte Sägezähne erzeugt. Ich habe schon rumgespielt, aber irgendwie will es nicht mehr besser werden, als es jetzt ist.
Was meint ihr?
Gruß
Nils
| Beschreibung: |
|
 Download |
| Dateiname: |
PWM.mdl |
| Dateigröße: |
27.59 KB |
| Heruntergeladen: |
603 mal |
|
|
|
|
| Harald |

Forum-Meister
|
 |
Beiträge: 24.502
|
 |
|
 |
Anmeldedatum: 26.03.09
|
 |
|
 |
Wohnort: Nähe München
|
 |
|
 |
Version: ab 2017b
|
 |
|
|
 |
|
Verfasst am: 20.06.2015, 15:27
Titel:
|
 |
Hallo,
ist wohl eher ein Modellierungsproblem.
Ich habe mal statt des Ausgangs den State Port zurückgeführt und bekomme das vermutlich von dir erwartete regelmäßige Sägezahnmodell.
Grüße,
Harald
|
|
|
|
| nils08 |
Gast
|
 |
Beiträge: ---
|
 |
|
 |
Anmeldedatum: ---
|
 |
|
 |
Wohnort: ---
|
 |
|
 |
Version: ---
|
 |
|
|
 |
|
Verfasst am: 20.06.2015, 19:48
Titel:
|
 |
Hallo Harald,
danke, da war ich wohl auf dem falschen Weg.
Habe ich das richtig verstanden: Wenn man den normalen Ausgang zurück führt, dann kann es aufgrund der Berechnung (Solver-Einstellungen) sein, dass eben teilweise die Spitzen nicht berechnet werden und somit auch nicht abgebildet werden. Ein höhere Sample-Rate wäre notwendig.
Danke noch mal.
Gruß
Nils
|
|
|
|
|
|
|
Einstellungen und Berechtigungen
|
|
Du kannst Beiträge in dieses Forum schreiben. Du kannst auf Beiträge in diesem Forum antworten. Du kannst deine Beiträge in diesem Forum nicht bearbeiten. Du kannst deine Beiträge in diesem Forum nicht löschen. Du kannst an Umfragen in diesem Forum nicht mitmachen. Du kannst Dateien in diesem Forum posten Du kannst Dateien in diesem Forum herunterladen
|
|
Impressum
| Nutzungsbedingungen
| Datenschutz
| FAQ
| RSS
Hosted by:
Copyright © 2007 - 2026
goMatlab.de | Dies ist keine offizielle Website der Firma The Mathworks
MATLAB, Simulink, Stateflow, Handle Graphics, Real-Time Workshop, SimBiology, SimHydraulics, SimEvents, and xPC TargetBox are registered trademarks and The MathWorks, the L-shaped membrane logo, and Embedded MATLAB are trademarks of The MathWorks, Inc.
|
|