|
|
|
Transfer function, 2RC Zell modell |
|
| Vishnubharathi |

Forum-Newbie
|
 |
Beiträge: 1
|
 |
|
 |
Anmeldedatum: 10.06.22
|
 |
|
 |
Wohnort: ---
|
 |
|
 |
Version: ---
|
 |
|
|
 |
|
Verfasst am: 10.06.2022, 15:06
Titel: Transfer function, 2RC Zell modell
|
 |
| |
 |
|
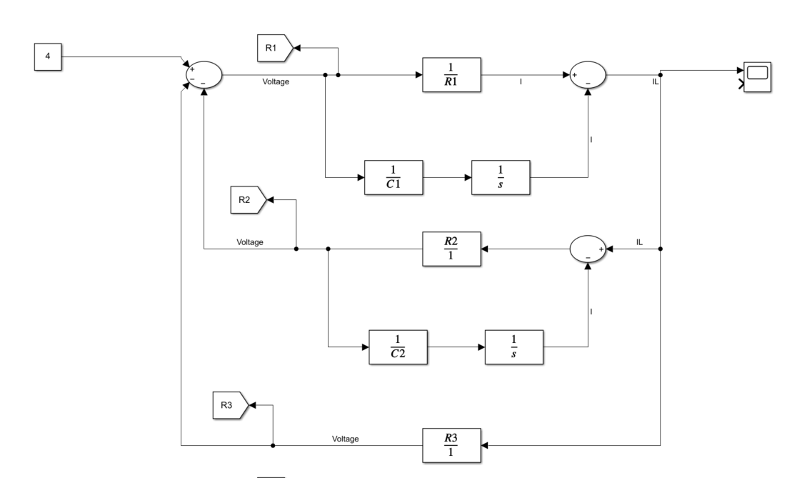
Hallo, ich muss eine Zelle mit einem äquivalenten Kreislaufmodell modellieren - ECM (2RC_ECM model in general )
Ich muss eine Übertragungsfunktion verwenden (Transfer function), um elektrische Elemente zu modellieren (Widerstand, Kondensator, etc.) Mit Hilfe des Internets konnte ich es irgendwie schaffen, die Abbildung in Simulink (mit Übertragungsfunktionen) zu replizieren (2RC_ECM model in general).
jetze, Die Herausforderung ist, dass die Zelle Strom als Eingang erhält. (aus dem Leistungsprofil).
(2RC_ECM with current block(for input)
Ich weiß nicht, wie ich hier vorgehen soll. Ich muss einen Stromblock hinzufügen, in den ich Input einspeisen kann. Oder gibt es eine Möglichkeit, den Stromblock durch Spannung und Widerstandsbeziehung zu replizieren?
Ich muss die Simulink-Transfer function für diese Aufgabe verwenden, Simscape kann aus bestimmten Gründen nicht verwendet werden.
Kann mir hier jemand einen Tipp geben? transfer function blocks vielleicht für die Bild mit Storm block?
Habe auch die aktuelle 2RC transfer function ohne Storm block hingefügt. kann Fehler enthalten, ich bin mir nicht sicher. Wie kann ich nun den oben beschriebenen Stromblock einbinden?
| Beschreibung: |
| 2RC ECM transfer function ohne Storm block |
|
 Download |
| Dateiname: |
2RC_transfer_function_block.PNG |
| Dateigröße: |
35.9 KB |
| Heruntergeladen: |
578 mal |
| Beschreibung: |
| 2RC_ECM with current block(for input) |
|
 Download |
| Dateiname: |
with_I_as_input.png |
| Dateigröße: |
19.58 KB |
| Heruntergeladen: |
606 mal |
| Beschreibung: |
|
 Download |
| Dateiname: |
2RC_ECM.png |
| Dateigröße: |
23.16 KB |
| Heruntergeladen: |
571 mal |
_________________
Bhrathi
|
|
|
|
|
|
|
|
|
Einstellungen und Berechtigungen
|
|
Du kannst Beiträge in dieses Forum schreiben. Du kannst auf Beiträge in diesem Forum antworten. Du kannst deine Beiträge in diesem Forum nicht bearbeiten. Du kannst deine Beiträge in diesem Forum nicht löschen. Du kannst an Umfragen in diesem Forum nicht mitmachen. Du kannst Dateien in diesem Forum posten Du kannst Dateien in diesem Forum herunterladen
|
|
Impressum
| Nutzungsbedingungen
| Datenschutz
| FAQ
| RSS
Hosted by:
Copyright © 2007 - 2026
goMatlab.de | Dies ist keine offizielle Website der Firma The Mathworks
MATLAB, Simulink, Stateflow, Handle Graphics, Real-Time Workshop, SimBiology, SimHydraulics, SimEvents, and xPC TargetBox are registered trademarks and The MathWorks, the L-shaped membrane logo, and Embedded MATLAB are trademarks of The MathWorks, Inc.
|
|