|
|
|
Verzweiflen beim Zähler basteln |
|
| lambda21 |

Forum-Newbie
|
 |
Beiträge: 7
|
 |
|
 |
Anmeldedatum: 28.06.16
|
 |
|
 |
Wohnort: München
|
 |
|
 |
Version: ---
|
 |
|
|
 |
|
Verfasst am: 30.08.2016, 13:19
Titel: Verzweiflen beim Zähler basteln
|
 |
| |
 |
|
Hallo,
ich stehe gewaltig auf dem Schlauch und wäre wirklich froh wenn jemand einen Tipp für mich hätte.
Ich benötige einen Zähler: Sobald ein Signal größer Null ist soll nach oben gezählt werden, sobald das Signal gleich Null ist soll von dort aus wieder nach unten gezählt werden. Jedoch soll der Wert nicht unter Null sinken(Behälter leer bei Null).
Das ganze soll quasi eine Auffüllzzeit während größer Null und eine Leerlaufzeit bei gleich Null berücksichtigen.
Was ich bis jetzt gemacht habe:
1.Ansatz
Ich habe zwei clocks genommen die immer nur laufen wenn die jeweiligen Signale anliegen (Aufbau1) und anschließend resettet werden (Aufbau Reset). Die beiden Signale habe ich miteinander verechnet. Problem hierbei ist das Sprünge beim resetten entstehen (Scope1). Hierbei bitte den Sprung bei ca 17 Sekunden ingnorieren - das ist ein fehler im gekoppelten Simulationsprogramm.
Das oberste Diagramm ist das anliegende Signal zwischen 0 und 1.
Das dritte die Clock die während läuft wenn das Signal 1 ist.
Das vierte die Clock die läuft wenn das Signal null ist.
Das zweite die beiden verechneten.
Meine fragen hierzu:
Gibt es eine Möglichkeit die Sprünge wegzubekommen: Der Wert soll bei Sek25 ohne Sprung nach oben Steigen und bei Sek28 wieder sinken (diagramm2).
Gibt es eine Möglichkeit den Wert nicht unter Null sinken zu lassen?
2.Ansatz
Ich habe die Werte nicht resettet sondern gehalten und verechnet: Scope 4 diagramm2 zeigt diese berechnung. das ist was ich prinzipiell möchte, nur dass der wert bis sekunde 25 natürlich nicht negativ sein sollte. Er soll bei sek25 kurz ansteigen und wieder auf null sinken und dort bleiben. Die Differenz zur Null einfach draufschlagen bringt mich nicht weiter, da dann die Kurve einfach aufgerichtet wird (scope4, diagramm4)
Wenn jemand einen Tipp für mich hätte wäre ich wirklich sehr dankbar da ich langsam wirklich auf dem Schlauch stehe. Oder wenn es einen Zähler bereits als Block gibt den ich übersehen habe wäre natürlich auch super!
Grüße
| Beschreibung: |
|
 Download |
| Dateiname: |
4.JPG |
| Dateigröße: |
86.09 KB |
| Heruntergeladen: |
573 mal |
| Beschreibung: |
|
 Download |
| Dateiname: |
3.JPG |
| Dateigröße: |
13.2 KB |
| Heruntergeladen: |
552 mal |
| Beschreibung: |
|
 Download |
| Dateiname: |
2.JPG |
| Dateigröße: |
27.55 KB |
| Heruntergeladen: |
539 mal |
| Beschreibung: |
|
 Download |
| Dateiname: |
1.JPG |
| Dateigröße: |
113.82 KB |
| Heruntergeladen: |
527 mal |
|
|
|
|
|
|
| lambda21 |
Themenstarter

Forum-Newbie
|
 |
Beiträge: 7
|
 |
|
 |
Anmeldedatum: 28.06.16
|
 |
|
 |
Wohnort: München
|
 |
|
 |
Version: ---
|
 |
|
|
 |
|
Verfasst am: 30.08.2016, 16:53
Titel:
|
 |
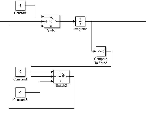
Ich bin selber auf eine Lösung gekommen:
Falls mal jemand später so etwas suchen sollte das bild ist im Anhang,
Grüße
| Beschreibung: |
|
 Download |
| Dateiname: |
Loesung.JPG |
| Dateigröße: |
25.67 KB |
| Heruntergeladen: |
687 mal |
|
|
|
|
|
|
|
Einstellungen und Berechtigungen
|
|
Du kannst Beiträge in dieses Forum schreiben. Du kannst auf Beiträge in diesem Forum antworten. Du kannst deine Beiträge in diesem Forum nicht bearbeiten. Du kannst deine Beiträge in diesem Forum nicht löschen. Du kannst an Umfragen in diesem Forum nicht mitmachen. Du kannst Dateien in diesem Forum posten Du kannst Dateien in diesem Forum herunterladen
|
|
Impressum
| Nutzungsbedingungen
| Datenschutz
| FAQ
| RSS
Hosted by:
Copyright © 2007 - 2026
goMatlab.de | Dies ist keine offizielle Website der Firma The Mathworks
MATLAB, Simulink, Stateflow, Handle Graphics, Real-Time Workshop, SimBiology, SimHydraulics, SimEvents, and xPC TargetBox are registered trademarks and The MathWorks, the L-shaped membrane logo, and Embedded MATLAB are trademarks of The MathWorks, Inc.
|
|