|
|
|
Viertelfahrzeugmodell mit Simulink |
|
| Vigge |

Forum-Newbie
|
 |
Beiträge: 9
|
 |
|
 |
Anmeldedatum: 06.05.15
|
 |
|
 |
Wohnort: Straubing,
|
 |
|
 |
Version: ---
|
 |
|
|
 |
|
Verfasst am: 11.05.2015, 13:08
Titel: Viertelfahrzeugmodell mit Simulink
|
 |
Hallo, ikke wieder hier!
Habe folgendes Problem, habe einen Zweimassenschwinger mit Simulink simuliert. Läuft auch ohne Fehler durch. Ich erhalte allerdings keinen sichtbaren Kurvenverlauf. Ich habe den Verdacht, daß meine Steifigkeiten zu hoch sind(?). Habe auch mal die verschiedenen odes für steife Systeme durchprobiert. Woran kann es liegen, daß ich kein sichtbares Ergebnis erhalte?
Es handelt sich um ein Traktormodell, daher auch die enormen Steifigkeiten von etwa 300kn/m bis 450 kn/m. Habe mal das m-file eingefügt. Kann mir jemand helfen?
_________________
"Onkel Bob? Soso."
|
|
|
|
|
|
| Winkow |

Moderator
|
 |
Beiträge: 3.842
|
 |
|
 |
Anmeldedatum: 04.11.11
|
 |
|
 |
Wohnort: Dresden
|
 |
|
 |
Version: R2014a 2015a
|
 |
|
|
 |
|
Verfasst am: 11.05.2015, 13:29
Titel:
|
 |
hallo. bitte mal den thread aus meiner signatur lesen
ohne code oder modell oder sonstwas lässt sich nur schwer der fehler ausmachen. und was hat viertelfahrzeug modell mit dem fehler zu tun? ist das wichtig für die problem lösung`?
_________________
richtig Fragen
|
|
|
|
| Vigge |
Themenstarter

Forum-Newbie
|
 |
Beiträge: 9
|
 |
|
 |
Anmeldedatum: 06.05.15
|
 |
|
 |
Wohnort: Straubing,
|
 |
|
 |
Version: ---
|
 |
|
|
 |
|
Verfasst am: 11.05.2015, 13:38
Titel:
|
 |
Hab ich doch, winkischatzi
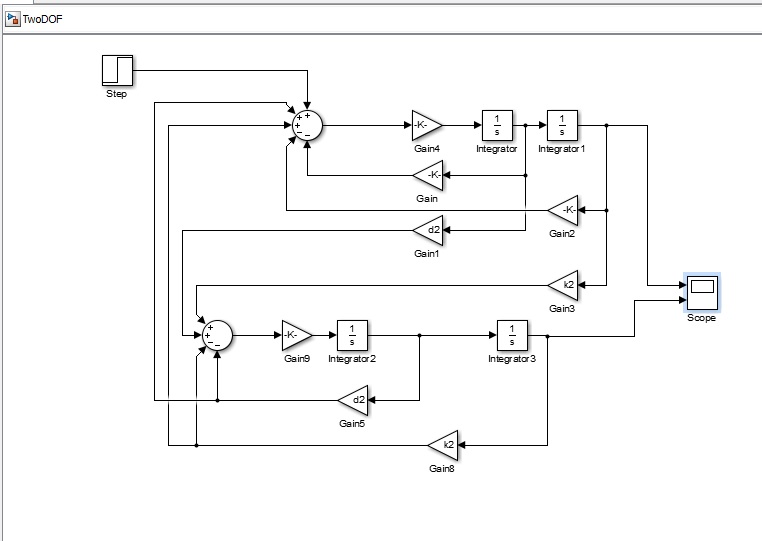
wie soll ich das modell hochladen? ich kann mal ein bild einfügen, oder die datei selbst?
wobei z1''=1/m1(-(d1+d2)*z'+d2*z'-(k2+k1)*z1+k2*z2)
und z2''=1/m2*(d2*z1'-d2*z2'+k2*z1-k2*z2)
d1, d2, Dämpfungswerte, K1 und K2 Federsteifigkeiten, m1 und m2 Massen des betrachteten Systems.
| Beschreibung: |
|
 Download |
| Dateiname: |
twoDOF.jpg |
| Dateigröße: |
47.18 KB |
| Heruntergeladen: |
858 mal |
_________________
"Onkel Bob? Soso."
|
|
|
|
| Winkow |

Moderator
|
 |
Beiträge: 3.842
|
 |
|
 |
Anmeldedatum: 04.11.11
|
 |
|
 |
Wohnort: Dresden
|
 |
|
 |
Version: R2014a 2015a
|
 |
|
|
 |
|
Verfasst am: 11.05.2015, 14:06
Titel:
|
 |
| Zitat: |
| wie soll ich das modell hochladen? ich kann mal ein bild einfügen, oder die datei selbst? |
das modell wäre natürlich am einfachsten dann kann man selber ein wenig dran rumspielen. ich finde die lösungen meist eh nur durch probieren
_________________
richtig Fragen
|
|
|
|
| Vigge |
Themenstarter

Forum-Newbie
|
 |
Beiträge: 9
|
 |
|
 |
Anmeldedatum: 06.05.15
|
 |
|
 |
Wohnort: Straubing,
|
 |
|
 |
Version: ---
|
 |
|
|
 |
|
Verfasst am: 11.05.2015, 14:20
Titel:
|
 |
Oki. Da isses:
| Beschreibung: |
|
 Download |
| Dateiname: |
TwoDOF.slx |
| Dateigröße: |
17.22 KB |
| Heruntergeladen: |
807 mal |
_________________
"Onkel Bob? Soso."
|
|
|
|
| Vigge |
Themenstarter

Forum-Newbie
|
 |
Beiträge: 9
|
 |
|
 |
Anmeldedatum: 06.05.15
|
 |
|
 |
Wohnort: Straubing,
|
 |
|
 |
Version: ---
|
 |
|
|
 |
|
Verfasst am: 11.05.2015, 18:03
Titel:
|
 |
Komisch, füge ich eine Externe harmonische Kraft als Anregung hinzu, erhalte ich wunderbare Sinuskurven. Ich kapiers nicht... Haha.
_________________
"Onkel Bob? Soso."
|
|
|
|
| Epfi |

Forum-Meister
|
 |
Beiträge: 1.134
|
 |
|
 |
Anmeldedatum: 08.01.09
|
 |
|
 |
Wohnort: ---
|
 |
|
 |
Version: ---
|
 |
|
|
 |
|
Verfasst am: 11.05.2015, 18:25
Titel:
|
 |
|
Hast Du mal die Eigenfrequenz ausgerechnet und geprüft, ob Du überhaupt im richtigen Zeitbereich guckst, wonach Du suchst? Und falls es im richtigen Zeitbereich zackig aussieht, solltest Du die maximale Schrittweite begrenzen.
|
|
|
|
|
|
|
Einstellungen und Berechtigungen
|
|
Du kannst Beiträge in dieses Forum schreiben. Du kannst auf Beiträge in diesem Forum antworten. Du kannst deine Beiträge in diesem Forum nicht bearbeiten. Du kannst deine Beiträge in diesem Forum nicht löschen. Du kannst an Umfragen in diesem Forum nicht mitmachen. Du kannst Dateien in diesem Forum posten Du kannst Dateien in diesem Forum herunterladen
|
|
Impressum
| Nutzungsbedingungen
| Datenschutz
| FAQ
| RSS
Hosted by:
Copyright © 2007 - 2026
goMatlab.de | Dies ist keine offizielle Website der Firma The Mathworks
MATLAB, Simulink, Stateflow, Handle Graphics, Real-Time Workshop, SimBiology, SimHydraulics, SimEvents, and xPC TargetBox are registered trademarks and The MathWorks, the L-shaped membrane logo, and Embedded MATLAB are trademarks of The MathWorks, Inc.
|
|